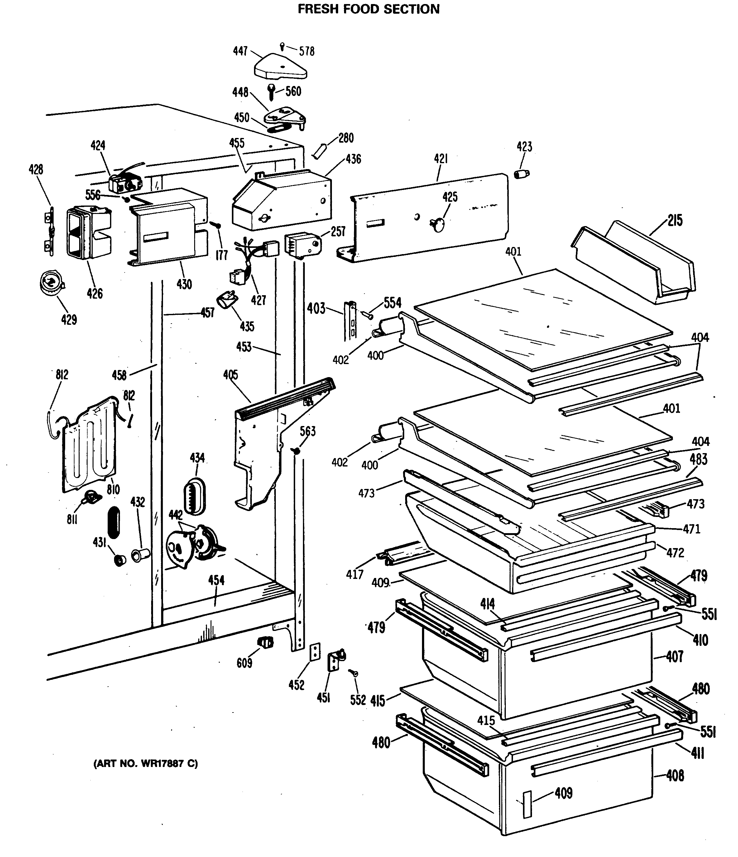
TFEW24RMA FRESH FOOD SECTIONadmin2025-04-26T10:40:39+00:00TFEW24RMA FRESH FOOD SECTION ProductsPositionProduct177SCREW215GEN WR32X0897257WR9X502 GE Refrigerator Defrost Timer280GEN WR02X8417400GEN WR71X2123401GEN WR32X1179402GEN WR38X1603403GEN WR71X2124404GEN WR38X1604405GEN WR17X1523405GEN WR14X0264407GEN WR32X0997408GEN WR32X0996409GEN WR32X1046409GEN WR02X8476410GEN WR17X2586411GEN WR17X2587414GEN WR14X0339415GEN WR32X0886417GEN WR02X7359421GEN WR17X2692423GEN WR02X6347424GEN WR09X0442425KNOB FRZ CONTROL426GEN WR14X0369426GEN WR02X8043426GEN WR02X4834427GEN WR23X0316428GEN WR02X4835429GEN WR02X4836430GEN WR17X2209431GEN WR02X8434432GEN WR02X3886434GEN WR02X4542435WR2X9391 GE Socket and Terminal435RANGE ONLY 40W 120V APPL BULB436GEN WR02X7736442KNOB CONTROL442GEN WR02X7035442GEN WR02X3884447GEN WR02X8262448GEN WR13X0616450GEN WR02X4194451WR13X10020 GE Refrigerator Door Hinge Assembly with Cam452NUTSTRIP HINGE452SHIM HINGE BTM.453GEN WR40X1631454GEN WR40X1629455GEN WR40X1635457GEN WR40X1640458GEN WR02X7033458GEN WR02X4739458GEN WR02X7031458GEN WR40X1576471WR2X8349 GE Screw Grommet471GEN WR32X1174472GEN WR38X1361473GEN WR72X0164473GEN WR72X0163479GEN WR72X0181479WR72X207 GE Refrigerator Left Hand Slide Assembly480GEN WR72X0184480GEN WR72X0183483GEN WR38X1732551GEN WZ04X0244554GEN WR01X1483556SCR 8-32 MA TR 1/4 SS560GEN WR01X1806563WZ4X241D GE Screw Package578WZ2X464D GE Screw609WR23X37285 GE Light Switch810GEN WR17X2890811GEN WR02X4469812WR17X2891 GE Refrigerator 5/16" X 6FT Plastic Water Line Tubing