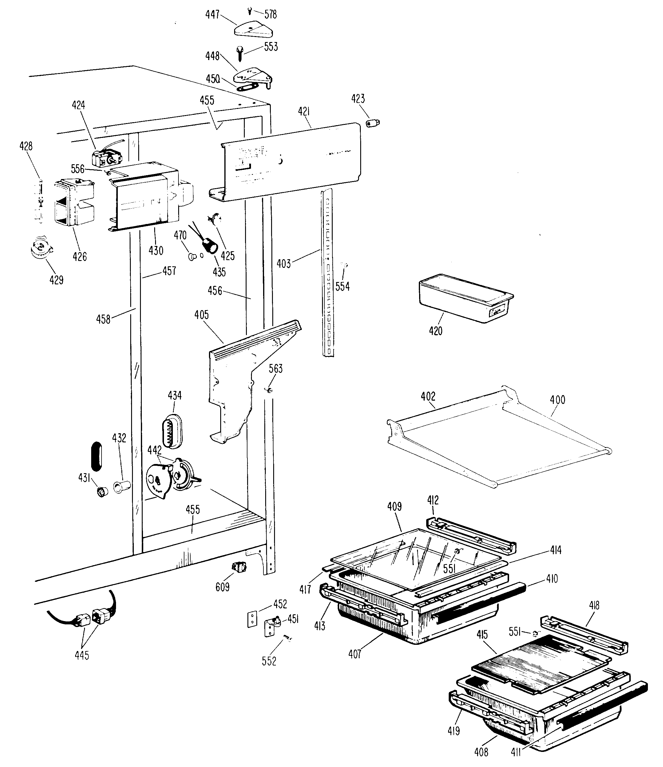
TFF20RBB FREEZER SECTION