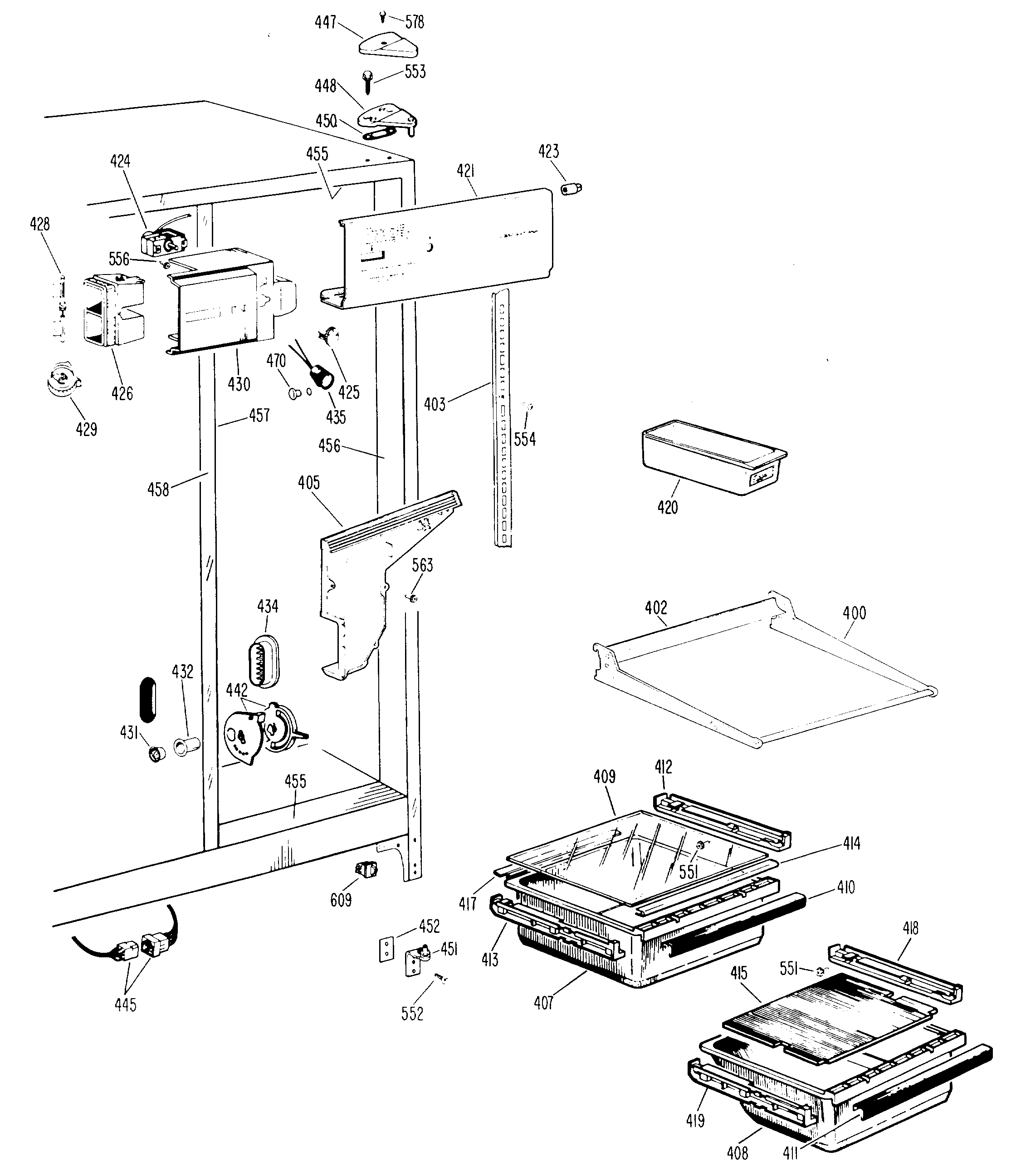
TFF20RBC FREEZER SECTION