TFF20RBM FRESH FOOD SECTION

TFF20RBM FRESH FOOD SECTION

Products

PositionProduct
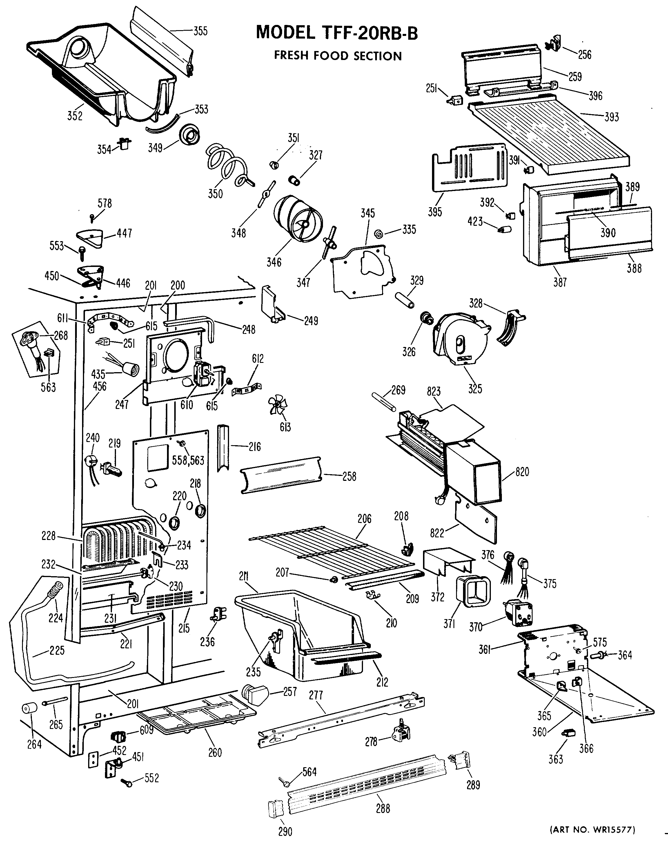
200BREAKER STRIP-FZ MULLION
201BREAKER STRIP-TOP & BTM.
206SHELF FZ-BTM.
207GEN WR02X4676
208GEN WR02X4674
209GEN WR38X0949
211BASKET FRZ
212TRIM HANDLE
215GEN WR17X1415
216GEN WR14X0274
219GEN WR02X4421
220PLUG RECESSED
221TROUGH DRAIN
224GEN WR02X4967
225GEN WR02X7088
228LOW SIDE ASM
230GEN WR51X0231
230SHIELD DEF HTR END
230BRACKET DEF HTR
231GEN WR02X4944
232GEN WR02X4971
234GEN WR02X4546
236GEN WR02X4548
237GEN WR02X7036
240WR50X55 GE Refrigerator Defrost Thermostat 55 Degree with Clip
247GEN WR17X1413
248GEN WR14X0272
249GEN WR17X1414
251GEN WR02X2880
256GEN WR02X4839
257BRACKET DEF CONTROL
257SCR 6-32 D TR 3/8 SS
258GEN WR17X1407
259GEN WR17X1929
260GEN WR02X7074
260PAN WATER DISPOSAL ASM
264WR2X3594 GE Refrigerator Wheel
265GEN WR02X3598
265GEN WR02X4742
268RECEPTACLE-ICEMAKER
269GEN WR17X1058
269GEN WR01X1543
277RAIL MACH MTG FRT
278WHEEL ASM FRT
288GEN WR02X7079
288GRILLE O. CASE
289GEN WR02X7154
290GEN WR02X7155
293GEN WR02X7080
325WR17X2061 GE Refrigerator Crush Dispenser
326GEN WR01X1585
326GEN WR01X1366
326WR1X1367D GE Refrigerator Return Package 12
327BUSHING HELIX DISP
328DEFLECTOR ICE DISP
328WR2X4143 GE Refrigerator Pivot
329GEN WR02X6326
335GEN WR02X4139
345GEN WR17X5649
347BLADE HELIX DISP
348GEN WR02X4137
349WR2X4550 GE Refrigerator Drive Cup
350WR17X4207 GE Refrigerator Front Helix
351CONE AUGER DISP
352GEN WR30X5090
353WR2X7905 GE Refrigerator Bucket Seal
354TAB BUCKET RETAINER DISP
354GEN WR02X4563
354GEN WR02X4564
355GEN WR02X5934
360GEN WR02X4566
360GEN WR71X5737
361GEN WR71X1422
363GEN WR02X4465
364GEN WR02X4783
365GEN WR02X4854
366GEN WR01X1547
370MOTOR AUGER DISP
371GEN WR17X1062
372GEN WR02X4782
372WR02X11295 GE Refrigerator Auger Motor Boot
375GEN WR23X0194
376GEN WR23X0189
386GEN WZ06X0100
387GEN WR17X1609
389GEN WR02X3983
389GEN WR02X4262
390GEN WR02X3967
391GEN WR02X4467
392GEN WR02X4466
393GEN WR71X1423
395GEN WR17X1416
396GEN WR17X5563
423GEN WR02X6347
435SOCKET LAMP
446HINGE TOP-FRZ DOOR
447COVER HINGE
450GEN WR02X4194
451WR49X5124 GE Refrigerator Hinge and Cam Assembly
456GEN WR40
456RETAINER BREAKER
456RETAINER BREAKER
456RETAINER BREAKER