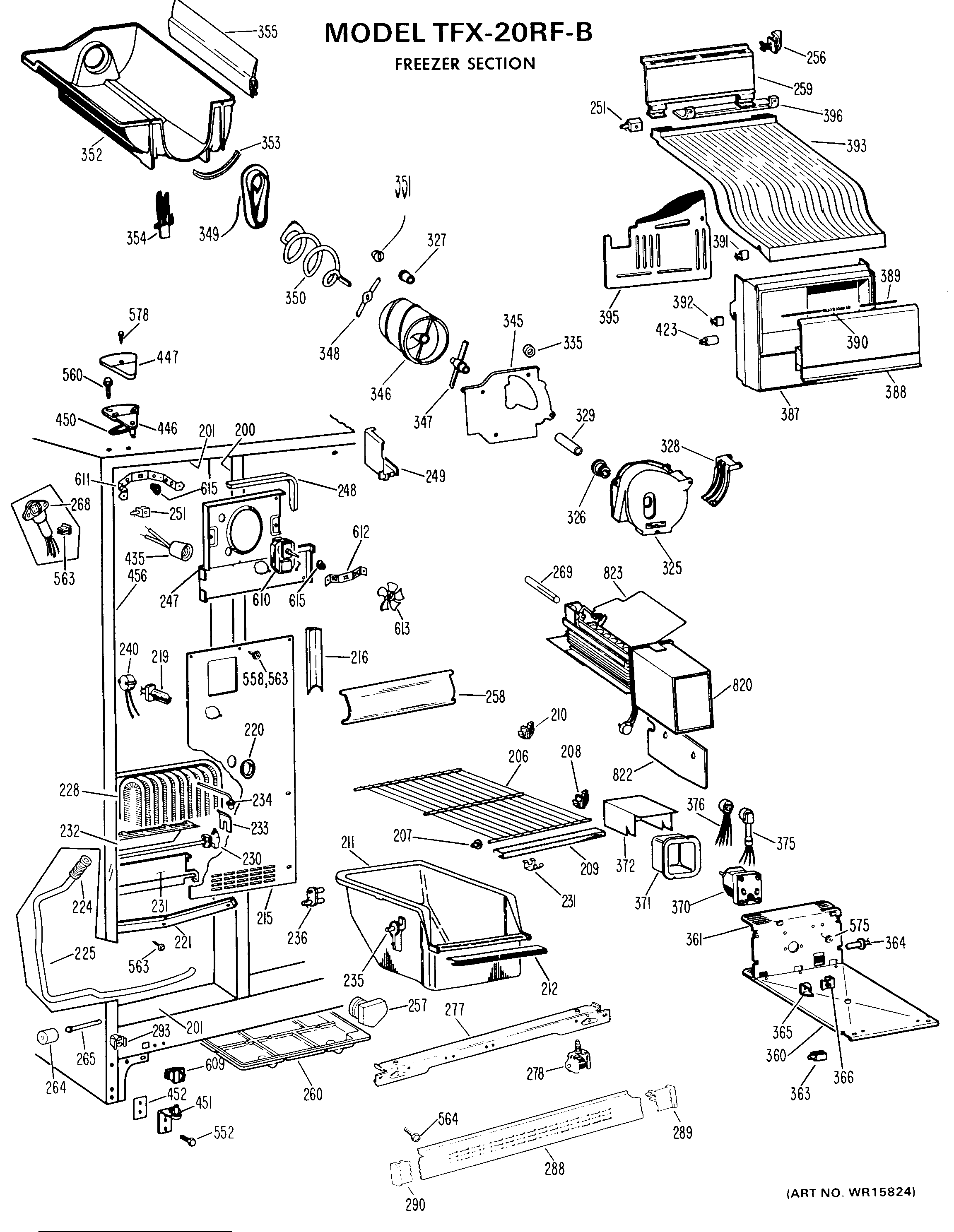
| 200 | BREAKER STRIP-FZ MULLION |
| 201 | BREAKER STRIP-TOP & BTM. |
| 206 | SHELF FRZ. MOVABLE |
| 207 | GEN WR02X4676 |
| 208 | GEN WR02X4674 |
| 209 | GEN WR38X1021 |
| 210 | GEN WR02X7215 |
| 211 | BASKET FRZ |
| 212 | GEN WR17X1979 |
| 215 | GEN WR17X2009 |
| 216 | GEN WR14X0274 |
| 219 | GEN WR02X4421 |
| 220 | PLUG RECESSED |
| 221 | TROUGH DRAIN |
| 224 | GEN WR02X4967 |
| 225 | GEN WR02X7088 |
| 228 | LOW SIDE ASM |
| 230 | GEN WR51X0231 |
| 231 | GEN WR02X4944 |
| 231 | BRACKET DEF HTR |
| 232 | GEN WR02X4971 |
| 233 | SHIELD DEF HTR END |
| 234 | GEN WR02X4546 |
| 235 | GEN WR02X7036 |
| 236 | GEN WR02X4548 |
| 240 | WR50X55 GE Refrigerator Defrost Thermostat 55 Degree with Clip |
| 247 | GEN WR17X1413 |
| 248 | GEN WR14X0272 |
| 249 | GEN WR17X1414 |
| 251 | GEN WR02X2880 |
| 256 | GEN WR02X4839 |
| 257 | SCR 6-32 D TR 3/8 SS |
| 257 | WR9X482 GE Refrigerator Defrost Timer 8 Hour 30 Minute |
| 257 | BRACKET DEF CONTROL |
| 258 | GEN WR17X1407 |
| 259 | GEN WR17X1929 |
| 260 | GEN WR02X7074 |
| 260 | PAN WATER DISPOSAL ASM |
| 264 | WR2X3594 GE Refrigerator Wheel |
| 265 | GEN WR02X3598 |
| 265 | GEN WR02X4742 |
| 268 | RECEPTACLE-ICEMAKER |
| 269 | GEN WR01X1543 |
| 269 | GEN WR02X4816 |
| 269 | GEN WR02X6087 |
| 277 | RAIL MACH MTG FRT |
| 278 | WHEEL ASM FRT |
| 288 | GEN WR74X0183 |
| 288 | GEN WR02X7079 |
| 289 | GEN WR02X7154 |
| 290 | GEN WR02X7155 |
| 293 | GEN WR02X7080 |
| 325 | WR17X2061 GE Refrigerator Crush Dispenser |
| 326 | GEN WR01X1366 |
| 326 | WR1X1367D GE Refrigerator Return Package 12 |
| 326 | GEN WR01X1585 |
| 327 | BUSHING HELIX DISP |
| 328 | WR2X4143 GE Refrigerator Pivot |
| 328 | DEFLECTOR ICE DISP |
| 329 | GEN WR02X6326 |
| 335 | GEN WR02X4139 |
| 345 | GEN WR17X5649 |
| 346 | HELIX FRONT DISP |
| 347 | BLADE HELIX DISP |
| 348 | GEN WR02X4137 |
| 349 | WR2X4550 GE Refrigerator Drive Cup |
| 350 | WR17X4207 GE Refrigerator Front Helix |
| 351 | CONE AUGER DISP |
| 352 | GEN WR30X5090 |
| 353 | WR2X7905 GE Refrigerator Bucket Seal |
| 354 | GEN WR02X4563 |
| 354 | GEN WR02X4564 |
| 354 | TAB BUCKET RETAINER DISP |
| 355 | GEN WR02X5934 |
| 360 | GEN WR71X5737 |
| 361 | GEN WR71X1422 |
| 361 | GEN WR02X4566 |
| 363 | GEN WR02X4465 |
| 364 | GEN WR02X4783 |
| 365 | GEN WR02X4854 |
| 366 | GEN WR01X1547 |
| 370 | MOTOR AUGER DISP |
| 371 | GEN WR17X1062 |
| 372 | WR02X11295 GE Refrigerator Auger Motor Boot |
| 372 | GEN WR02X4782 |
| 375 | GEN WR23X0194 |
| 376 | GEN WR23X0189 |
| 387 | GEN WR17X1981 |
| 388 | GEN WR22X0242 |
| 389 | GEN WR02X3983 |
| 389 | GEN WR02X4262 |
| 390 | GEN WR02X3967 |
| 391 | GEN WR02X4467 |
| 392 | GEN WR02X4466 |
| 393 | GEN WR71X1423 |
| 395 | GEN WR17X1416 |
| 396 | GEN WR17X5563 |
| 423 | GEN WR02X6347 |
| 435 | WR2X4330D GE Refrigerator Connection Package 12 |
| 435 | SOCKET LAMP |
| 446 | HINGE TOP-FRZ DOOR |
| 447 | COVER HINGE |
| 450 | SHIM HINGE BTM. |