TFF22RBD FREEZER SECTION

TFF22RBD FREEZER SECTION

Products

PositionProduct
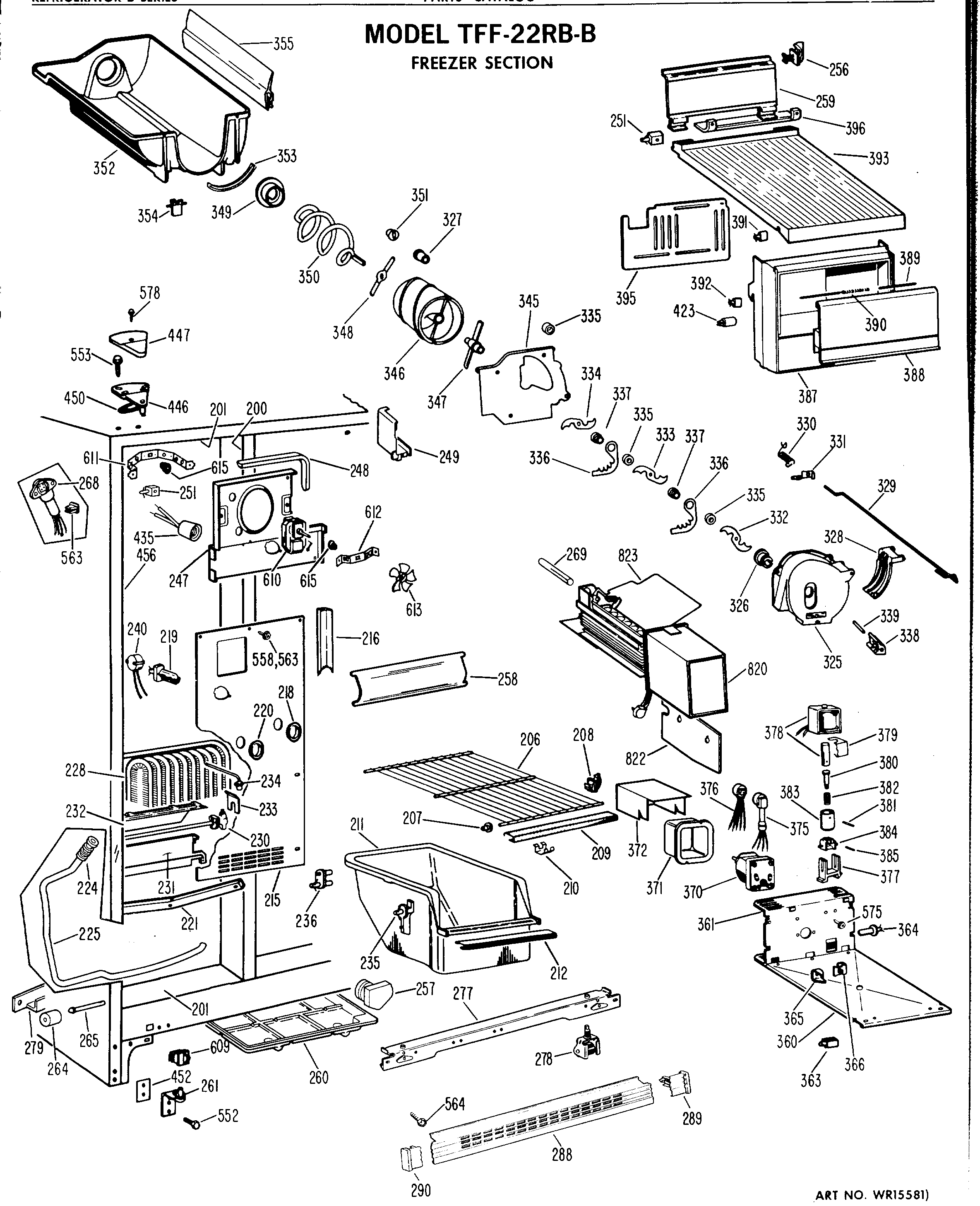
200BREAKER STRIP-FZ MULLION
201BREAKER STRIP-TOP & BTM.
206SHELF FZ-BTM.
207GEN WR02X4676
208GEN WR02X4674
209GEN WR38X0949
210GEN WR02X4944
211BASKET FRZ
212TRIM HANDLE
215GEN WR17X1415
216GEN WR14X0274
218PLUG HOLE
219GEN WR02X4421
220PLUG RECESSED
221TROUGH DRAIN
224GEN WR02X4967
225GEN WR02X7088
228LOW SIDE ASM
230GEN WR51X0231
231BRACKET DEF HTR
232GEN WR02X4971
233SHIELD DEF HTR END
234GEN WR02X4546
235GEN WR02X7036
236GEN WR02X4548
240WR50X55 GE Refrigerator Defrost Thermostat 55 Degree with Clip
247GEN WR17X1413
248GEN WR14X0272
249GEN WR17X1414
251GEN WR02X2880
256GEN WR02X4839
257SCR 6-32 D TR 3/8 SS
257WR9X482 GE Refrigerator Defrost Timer 8 Hour 30 Minute
257BRACKET DEF CONTROL
258GEN WR17X1407
259GEN WR17X1468
260GEN WR02X7074
260PAN WATER DISPOSAL ASM
261WR49X5124 GE Refrigerator Hinge and Cam Assembly
264WR2X3594 GE Refrigerator Wheel
265GEN WR02X4742
265GEN WR02X3598
268RECEPTACLE-ICEMAKER
269GEN WR01X1543
269GEN WR02X4816
269GEN WR17X1058
277GEN WR17X1492
279RAIL-MACH MTG-REAR
288GEN WR02X7079
288GEN WR74X0163
289GEN WR02X7090
290GEN WR02X7091
290GEN WR02X7080
325GEN WR02X4396
325WR17X2061 GE Refrigerator Crush Dispenser
326GEN WR01X1366
326GEN WR01X1585
326WR1X1367D GE Refrigerator Return Package 12
327BUSHING HELIX DISP
328GEN WR02X4561
328WR2X4143 GE Refrigerator Pivot
328DEFLECTOR ICE DISP
329GEN WR17X1374
330GEN WR02X4145
331GEN WR02X5961
332WR17X1361 GE Refrigerator Blades Moving Display
333WR17X1362 GE Refrigerator Middle Blade
334WR17X1363 GE Refrigerator Blades Moving Display
335GEN WR02X4139
336GEN WR17X1009
337WR2X4138 GE Refrigerator Spacer
338WR2X4140 GE Refrigerator Blade Rest
339GEN WR02X4141
345GEN WR17X5649
346HELIX FRONT DISP
347BLADE HELIX DISP
348GEN WR02X4137
349WR2X4550 GE Refrigerator Drive Cup
350WR17X4207 GE Refrigerator Front Helix
351CONE AUGER DISP
352GEN WR30X5090
353WR2X7905 GE Refrigerator Bucket Seal
354GEN WR02X4564
354GEN WR02X4563
354TAB BUCKET RETAINER DISP
355GEN WR02X5934
360GEN WR71X5737
361GEN WR02X4566
361GEN WR71X1422
363GEN WR02X4465
364GEN WR02X4783
365GEN WR02X4854
366GEN WR01X1547
370MOTOR AUGER DISP
371GEN WR02X4254
371GEN WR17X1062
372GEN WR02X4782
372WR02X11295 GE Refrigerator Auger Motor Boot
375GEN WR23X0194
376GEN WR23X0189
377GEN WR02X4784
378WR62X23154 GE Refrigerator Ice Dispenser Solenoid Kit
379SLIDE R/S MEAT PAN