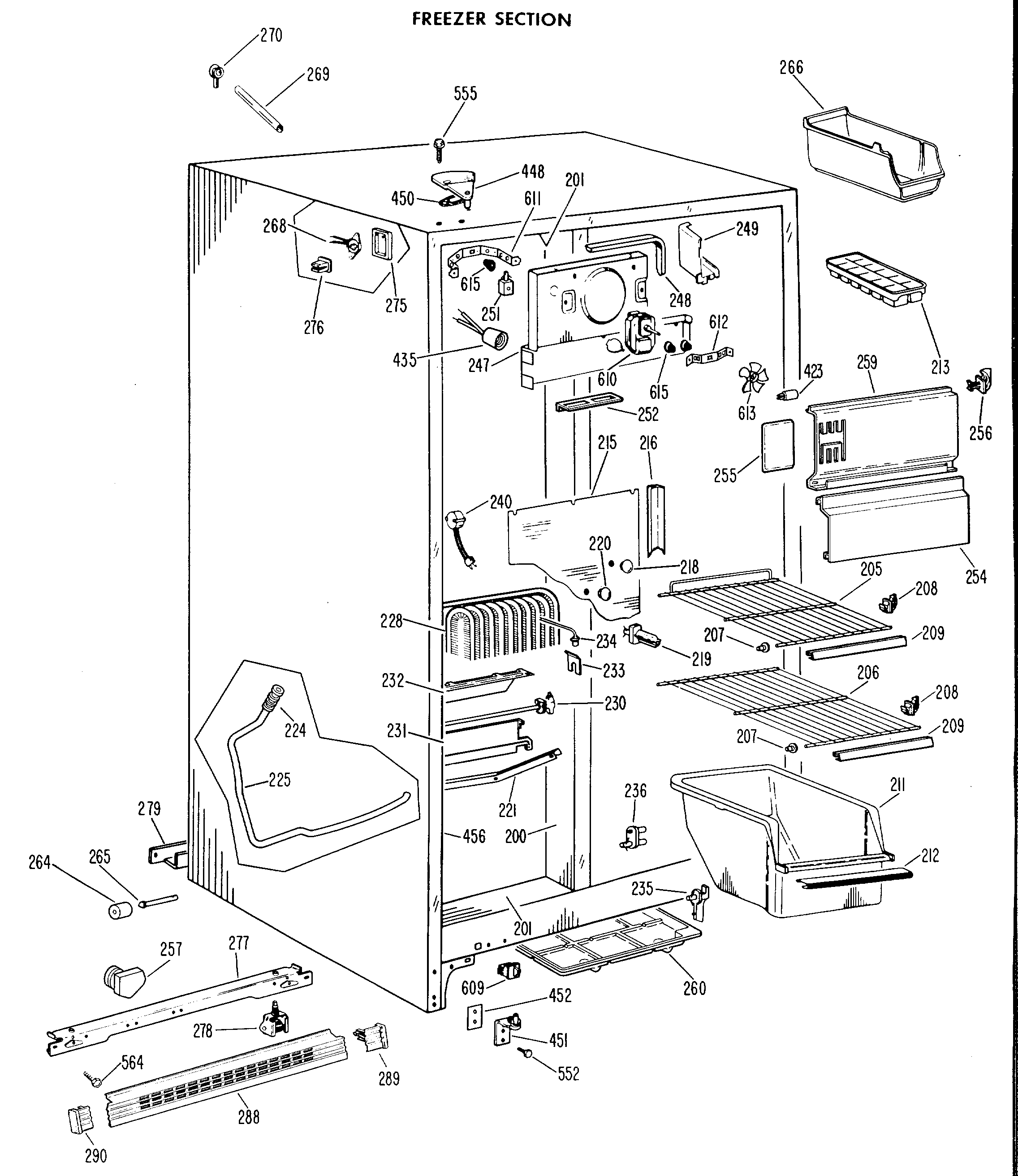
| 200 | BREAKER STRIP-FZ MULLION |
| 201 | BREAKER STRIP-TOP & BTM. |
| 205 | SHELF FZ |
| 206 | SHELF FZ-BTM. |
| 207 | GEN WR02X4676 |
| 208 | GEN WR02X4674 |
| 209 | GEN WR38X0949 |
| 211 | BASKET FRZ |
| 212 | TRIM HANDLE |
| 213 | WR30X311 GE Refrigerator Ice Tray |
| 215 | GEN WR17X1566 |
| 216 | GEN WR14X0274 |
| 218 | PLUG HOLE |
| 219 | GEN WR02X4421 |
| 220 | PLUG RECESSED |
| 221 | TROUGH DRAIN |
| 224 | GEN WR02X4967 |
| 225 | GEN WR02X7088 |
| 228 | LOW SIDE ASM |
| 230 | GEN WR51X0231 |
| 231 | BRACKET DEF HTR |
| 232 | GEN WR02X4971 |
| 233 | SHIELD DEF HTR END |
| 234 | GEN WR02X4546 |
| 235 | GEN WR02X7036 |
| 236 | GEN WR02X4548 |
| 240 | WR50X55 GE Refrigerator Defrost Thermostat 55 Degree with Clip |
| 247 | GEN WR17X1413 |
| 248 | GEN WR14X0272 |
| 249 | GEN WR17X1414 |
| 251 | GEN WR02X2880 |
| 252 | GEN WR02X7042 |
| 254 | GEN WR17X1567 |
| 255 | GEN WR02X6254 |
| 256 | GEN WR02X4839 |
| 257 | WR9X482 GE Refrigerator Defrost Timer 8 Hour 30 Minute |
| 257 | BRACKET DEF CONTROL |
| 259 | COVER FAN |
| 260 | GEN WR02X7074 |
| 260 | PAN WATER DISPOSAL ASM |
| 264 | WR2X3594 GE Refrigerator Wheel |
| 265 | GEN WR02X3598 |
| 265 | GEN WR02X4742 |
| 266 | GEN WR30X0198 |
| 268 | RECEPTACLE-ICEMAKER |
| 269 | GEN WR02X4816 |
| 269 | TUBE WATER FILL |
| 270 | GROMMET WATER FILL |
| 270 | GEN WR02X3248 |
| 275 | GEN WR02X4339 |
| 276 | GEN WR01X1510 |
| 277 | GEN WR17X1492 |
| 278 | WHEEL ASM FRT |
| 279 | RAIL-MACH MTG-REAR |
| 288 | GEN WR02X7079 |
| 288 | GEN WR74X0157 |
| 289 | GEN WR02X7077 |
| 290 | GEN WR02X7078 |
| 290 | GEN WR02X7080 |
| 423 | GEN WR02X6347 |
| 423 | GEN WR02X6350 |
| 435 | SOCKET LAMP |
| 448 | HINGE TOP ASM |
| 450 | GEN WR02X4194 |
| 451 | WR49X5124 GE Refrigerator Hinge and Cam Assembly |
| 452 | SHIM HINGE BTM. |
| 452 | GEN WR02X7011 |
| 456 | BREAKER STRIP-HINGE SIDE |
| 456 | RETAINER BREAKER |
| 552 | SCR 12-24 TT HXW 1 3/64S |
| 555 | GEN WR01X1249 |
| 564 | GEN WR01X1194 |
| 609 | WR23X37285 GE Light Switch |
| 610 | GEN WR60X0126 |
| 611 | BRACKET EVAP FAN |
| 612 | BRACKET EVAP FAN |
| 613 | WR60X114 GE Refrigerator Evaporator Motor Fan Blade |
| 615 | GEN WR02X2945 |