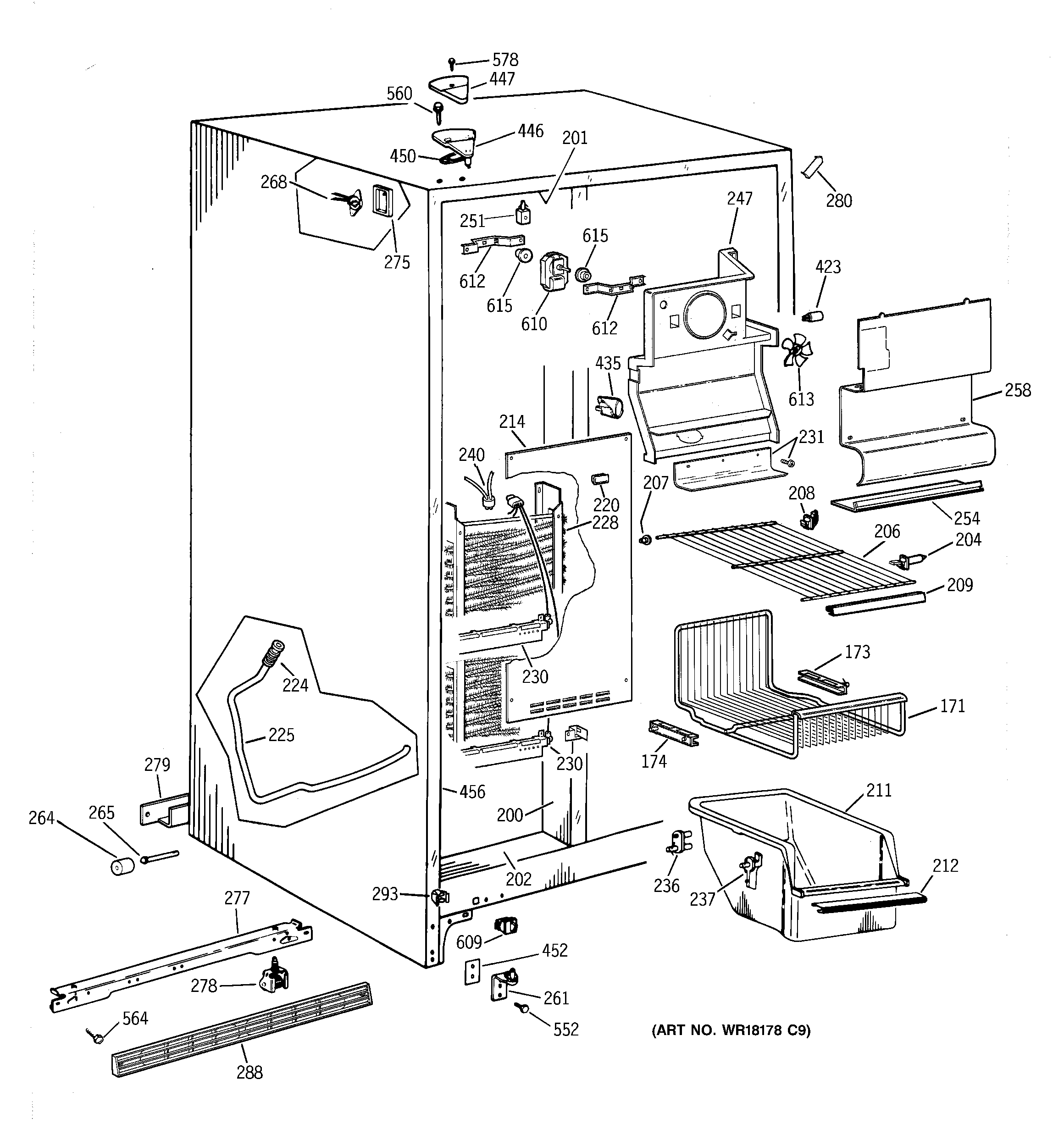
TFG25PAYAWW FREEZER SECTIONadmin2025-04-26T10:53:30+00:00TFG25PAYAWW FREEZER SECTION ProductsPositionProduct171GEN WR71X2352173WR72X10079 GE Refrigerator Right Hand Basket Support Slide174SUPPORT SLIDE BASKET LH200GEN WR40X1730201GEN WR40X1731202GEN WR40X1732204GEN WR02X9217206WR71X1936 GE Freezer Wire Shelf207GEN WR02X4676208GEN WR02X4674209GEN WR38X2058211GEN WR21X0190212GEN WR17X3103214GEN WR01X2128214GEN WR14X0456214GEN WR17X4091220GEN WR02X9002224GEN WR02X8657225GEN WR02X8293225GEN WR01X5042228WR87X29147 GE Refrigerator 25' Evaporator230GEN WR02X8647230GEN WR51X0445231GEN WR17X3651231GEN WR01X1987231GEN WR01X2110236GEN WR02X4548237GEN WR02X7036240WR50X122 GE Refrigerator Defrost Bi-metal Thermostat247GEN WR02X4845247GEN WR17X3488251GEN WR02X2880254GEN WR17X4275258GEN WR17X3671261WR13X10020 GE Refrigerator Door Hinge Assembly with Cam264WR2X3594 GE Refrigerator Wheel265GEN WR02X4742265GEN WR02X3598265GEN WR02X3595268GEN WR23X0312275GEN WR02X9004277GEN WR17X2113278WHEEL ASM FRT279GEN WR17X3661280GEN WR02X8518288GEN WR74X0206293GEN WR02X7080423GEN WR02X6347435WR02X12207 GE Refrigerator Net Bulb Light435WR2X9014 GE Refrigerator Socket & Terminal C02446GEN WR13X0753447GEN WR02X8824447GEN WR02X8825450GEN WR02X4194452NUTSTRIP HINGE452SHIM HINGE BTM.452GEN WR02X9443456GEN WR40X1733552GEN WR01X2078560GEN WR01X2140564GEN WR01X1194578WZ2X464D GE Screw609WR23X37285 GE Light Switch610GEN WR60X0221612GEN WR02X9214613WR60X114 GE Refrigerator Evaporator Motor Fan Blade615GEN WR02X7391