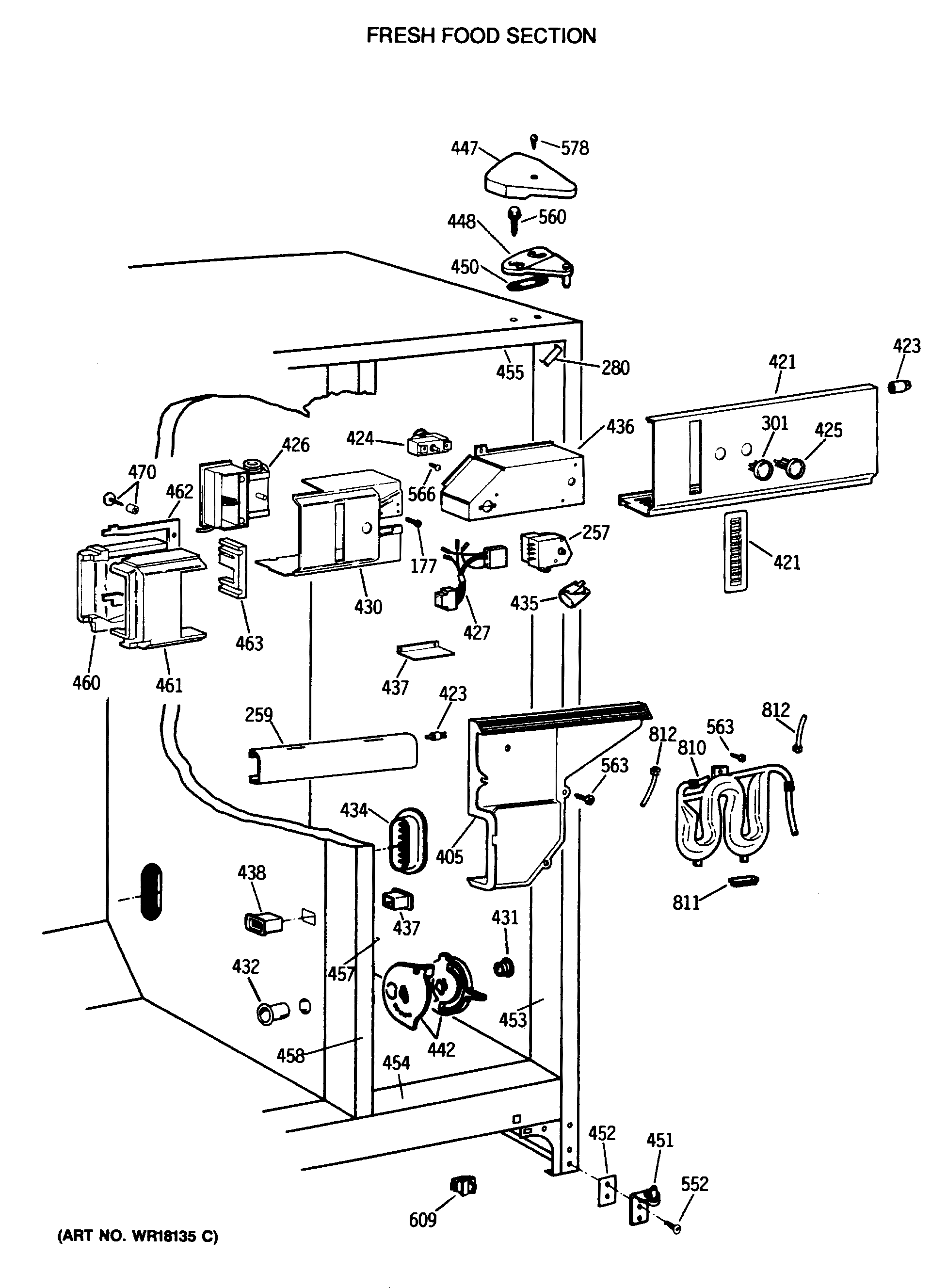
TFG27ZFTCWH FRESH FOOD SECTION