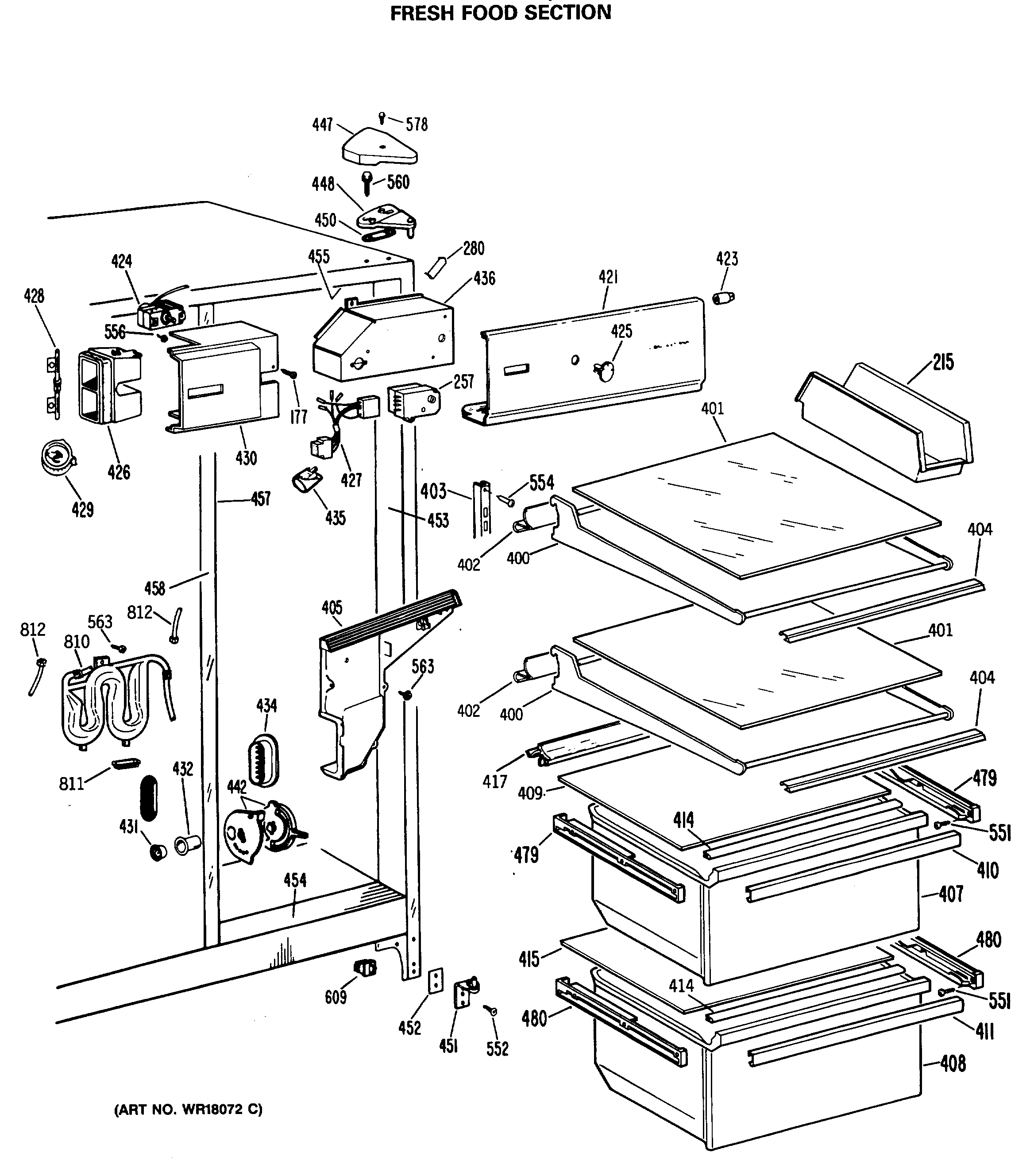
TFH22JRSBWH FRESH FOOD SECTIONadmin2025-04-26T12:28:29+00:00TFH22JRSBWH FRESH FOOD SECTION ProductsPositionProduct177SCREW215GEN WR32X1299257DEFROST TIMER280GEN WR02X8518400GEN WR71X2292401GEN WR32X1346402GEN WR38X1928403GEN WR71X2124404GEN WR38X2032405GEN WR14X0264405GEN WR17X1523407GEN WR32X1277408GEN WR32X1278409GEN WR32X1264410GEN WR17X2960411GEN WR17X2961414GEN WR14X0451415GEN WR32X0886417GEN WR02X7359421GEN WR17X2971423GEN WR02X6347424GEN WR09X0499425GEN WR02X8555426GEN WR02X8514426GEN WR02X8425426GEN WR14X0369427GEN WR23X0316428GEN WR02X4835429GEN WR02X8553430GEN WR17X2209431GEN WR02X8722432GEN WR02X8654434GEN WR02X8653435WR2X9391 GE Socket and Terminal435RANGE ONLY 40W 120V APPL BULB436GEN WR02X7736442GEN WR02X8651447GEN WR02X8262448GEN WR13X0646450GEN WR02X4194451WR13X10020 GE Refrigerator Door Hinge Assembly with Cam452SHIM HINGE BTM.452NUTSTRIP HINGE453GEN WR40X1679454GEN WR40X1678455GEN WR40X1680457GEN WR40X1672458GEN WR02X7033458GEN WR40X1677458GEN WR02X4739458GEN WR02X8721479GEN WR72X0206479GEN WR72X0230479WR72X207 GE Refrigerator Left Hand Slide Assembly480GEN WR72X0208480GEN WR72X0209551GEN WZ04X0244554GEN WR01X1483560GEN WR01X1249560GEN WR01X1806578WZ2X464D GE Screw609WR23X37285 GE Light Switch810GEN WR17X3227811GEN WR02X8659812WR17X2891 GE Refrigerator 5/16" X 6FT Plastic Water Line Tubing