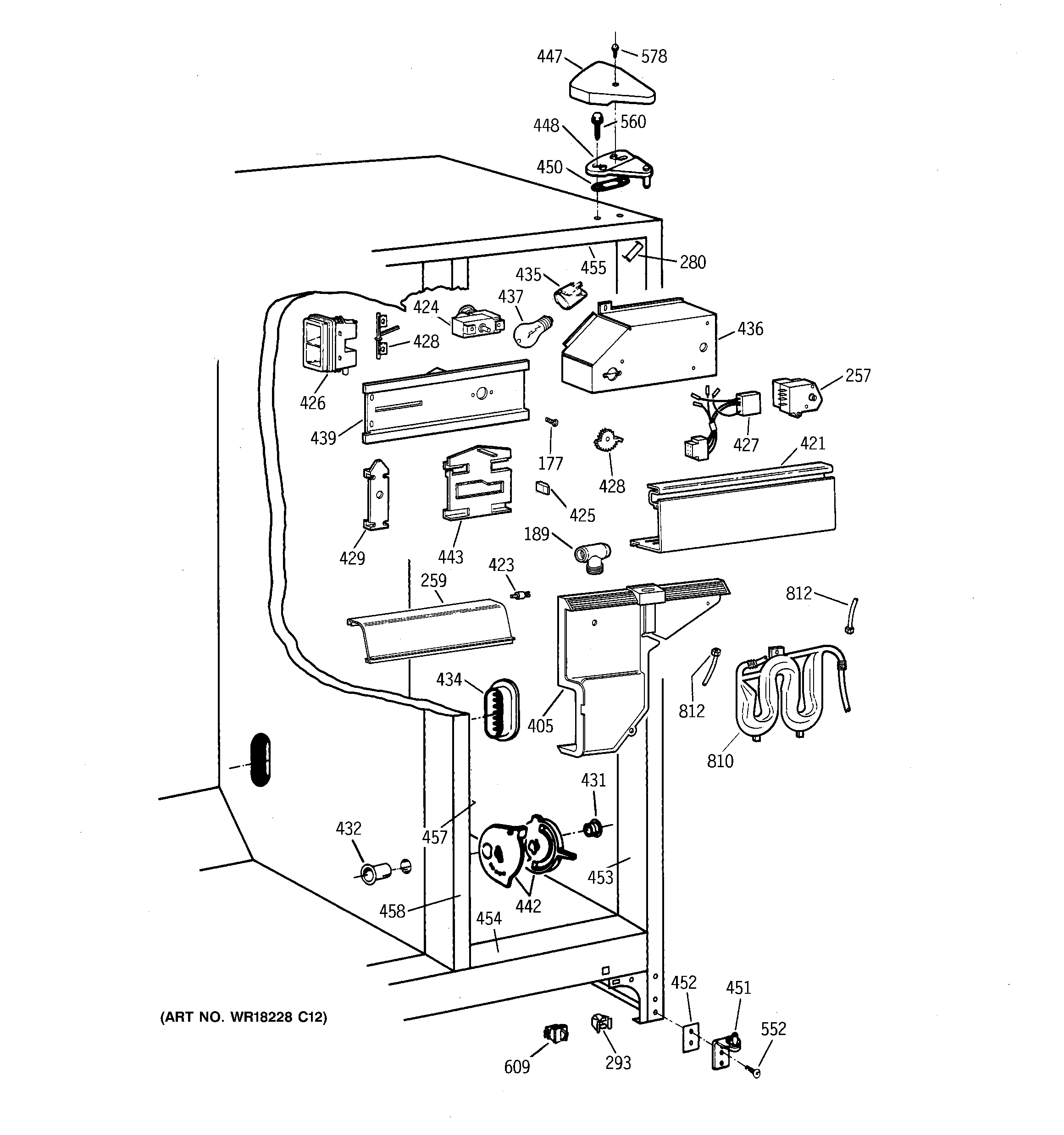
TFH22PRYAWW FRESH FOOD SECTIONadmin2025-04-26T10:42:19+00:00TFH22PRYAWW FRESH FOOD SECTION ProductsPositionProduct177SCREW189GEN WR02X9243257DEFROST TIMER259GEN WR17X3909280GEN WR02X8518293GEN WR02X7080405GEN WR17X3890421GEN WR17X2975423GEN WR02X6347424GEN WR09X0569425GEN WR02X8398426GEN WR02X8425426GEN WR02X8514427GEN WR23X0316428GEN WR02X8513428GEN WR02X8569429HOLDER HEATER ELEMENT431WR2X9299 GE Refrigerator Air Duct Cap Mullion432GEN WR02X8654434GEN WR02X9431435WR2X9391 GE Socket and Terminal436GEN WR02X7736437RANGE ONLY 40W 120V APPL BULB439GEN WR17X2922442GEN WR02X3884442GEN WR02X8840443GEN WR02X8570447GEN WR02X8262448GEN WR13X0646450GEN WR02X4194451WR13X10020 GE Refrigerator Door Hinge Assembly with Cam452GEN WR02X9442452NUTSTRIP HINGE452SHIM HINGE BTM.453GEN WR40X1744454GEN WR40X1745455GEN WR40X1746457GEN WR40X1748458GEN WR02X9376458GEN WR02X4739458GEN WR40X1749458GEN WR02X7033552GEN WR01X2078560GEN WR01X2140578WZ2X464D GE Screw609WR23X37285 GE Light Switch810WR17X4358 GE Refrigerator Water Tank812WR17X2891 GE Refrigerator 5/16" X 6FT Plastic Water Line Tubing