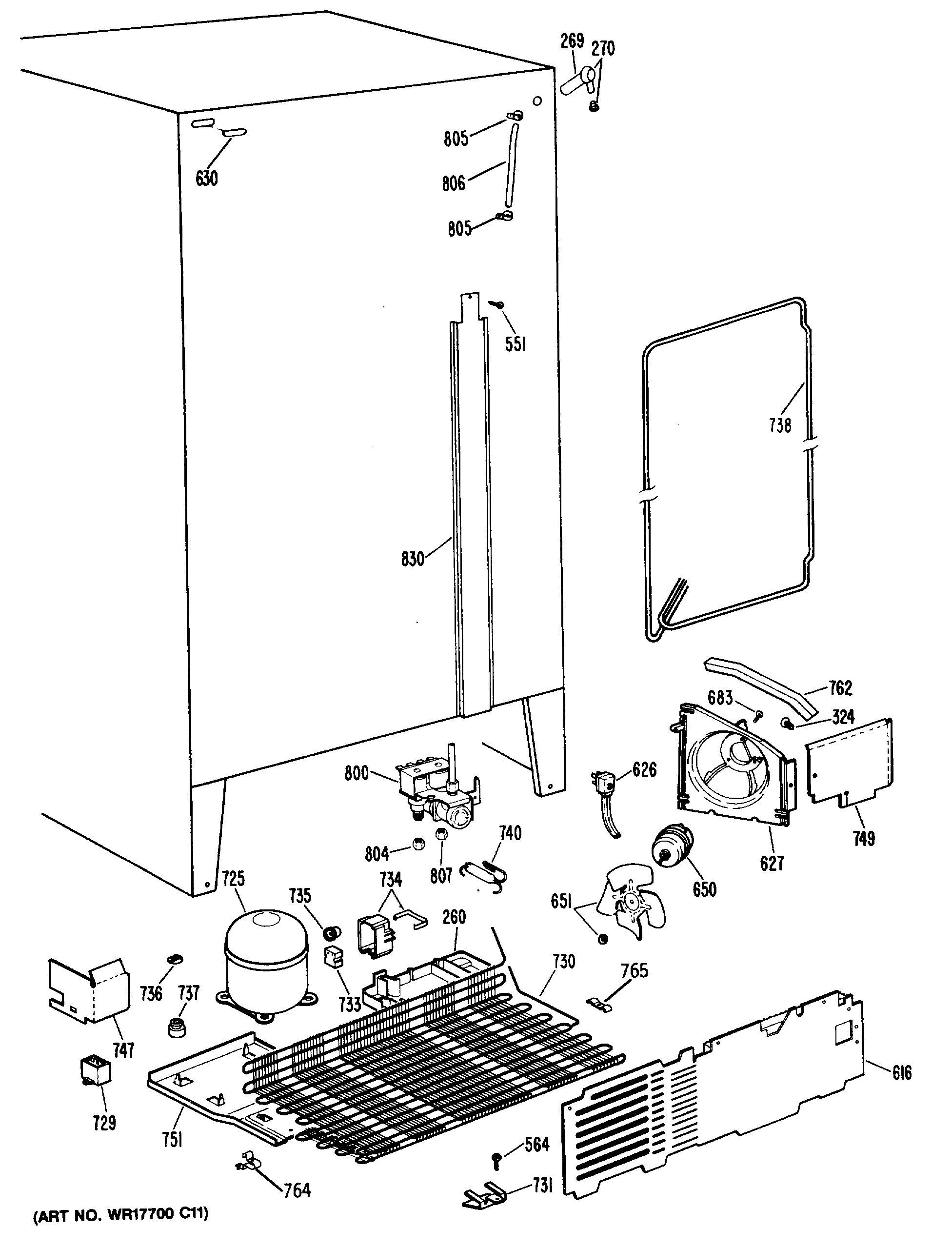
TFH24PRSBWW 3