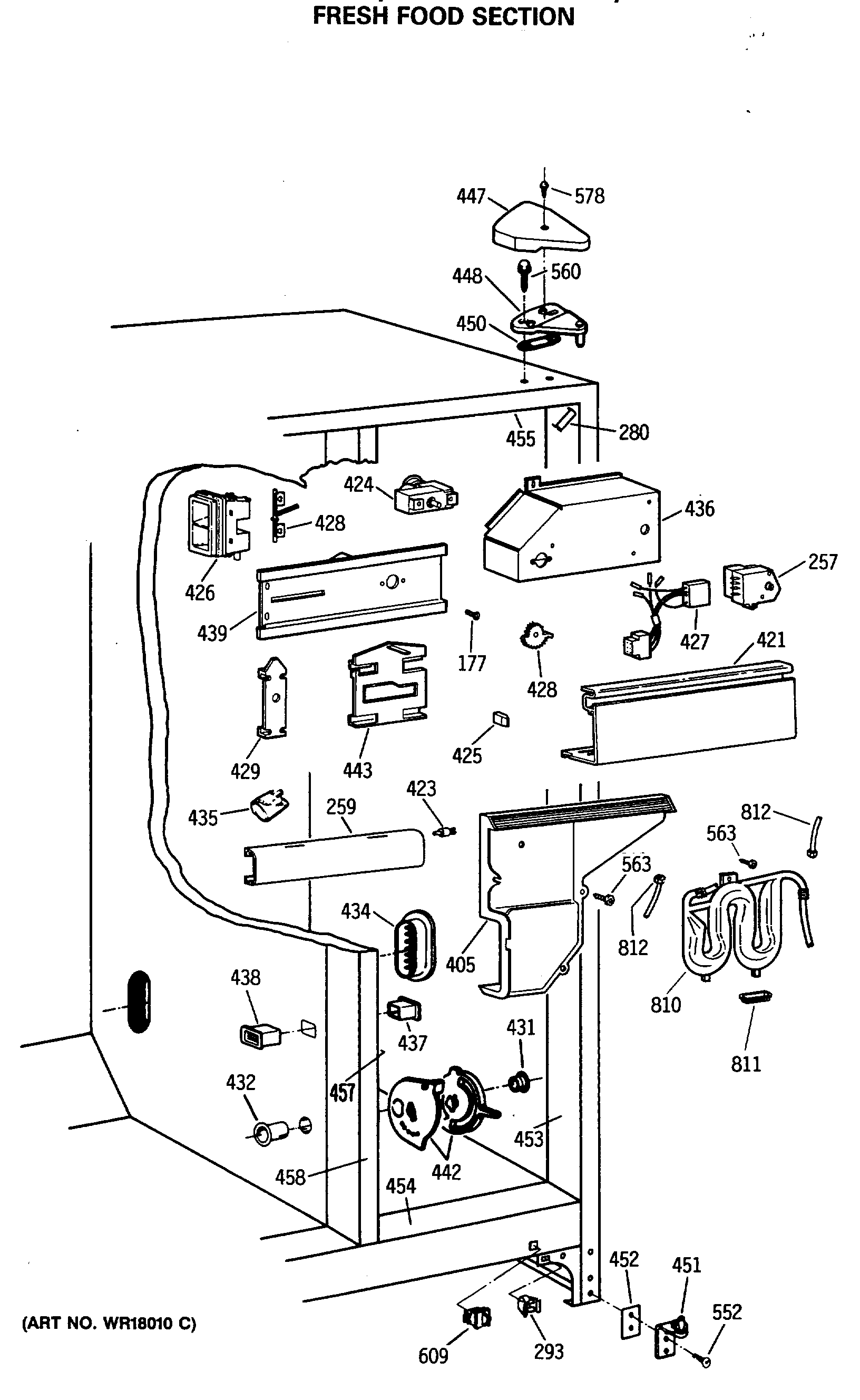
TFH24PRSMWW FRESH FOOD SECTIONadmin2025-04-26T10:40:49+00:00TFH24PRSMWW FRESH FOOD SECTION ProductsPositionProduct177SCREW257DEFROST TIMER259GEN WR17X2555280GEN WR02X8518293GEN WR02X7080405GEN WR14X0264405GEN WR17X1523421GEN WR17X2975423GEN WR02X6347424GEN WR09X0499425GEN WR02X8398426GEN WR14X0369426GEN WR02X8425426GEN WR02X8514427GEN WR23X0357428GEN WR02X8582428GEN WR02X8513429HOLDER HEATER ELEMENT431GEN WR02X8722432GEN WR02X8654434GEN WR02X9021435WR2X9391 GE Socket and Terminal435RANGE ONLY 40W 120V APPL BULB436GEN WR02X7736437GEN WR02X7476438GEN WR02X8655439GEN WR17X2922442GEN WR02X8651443GEN WR02X8570447GEN WR02X8262448GEN WR13X0646450GEN WR02X4194451WR13X10020 GE Refrigerator Door Hinge Assembly with Cam452NUTSTRIP HINGE452SHIM HINGE BTM.453GEN WR40X1717454GEN WR40X1714455GEN WR40X1720457GEN WR40X1728458GEN WR02X7033458GEN WR02X4739458GEN WR40X1677458GEN WR02X8721560GEN WR01X1806560GEN WR01X1249578WZ2X464D GE Screw609WR23X37285 GE Light Switch810GEN WR17X3105811GEN WR02X8659812WR17X2891 GE Refrigerator 5/16" X 6FT Plastic Water Line Tubing