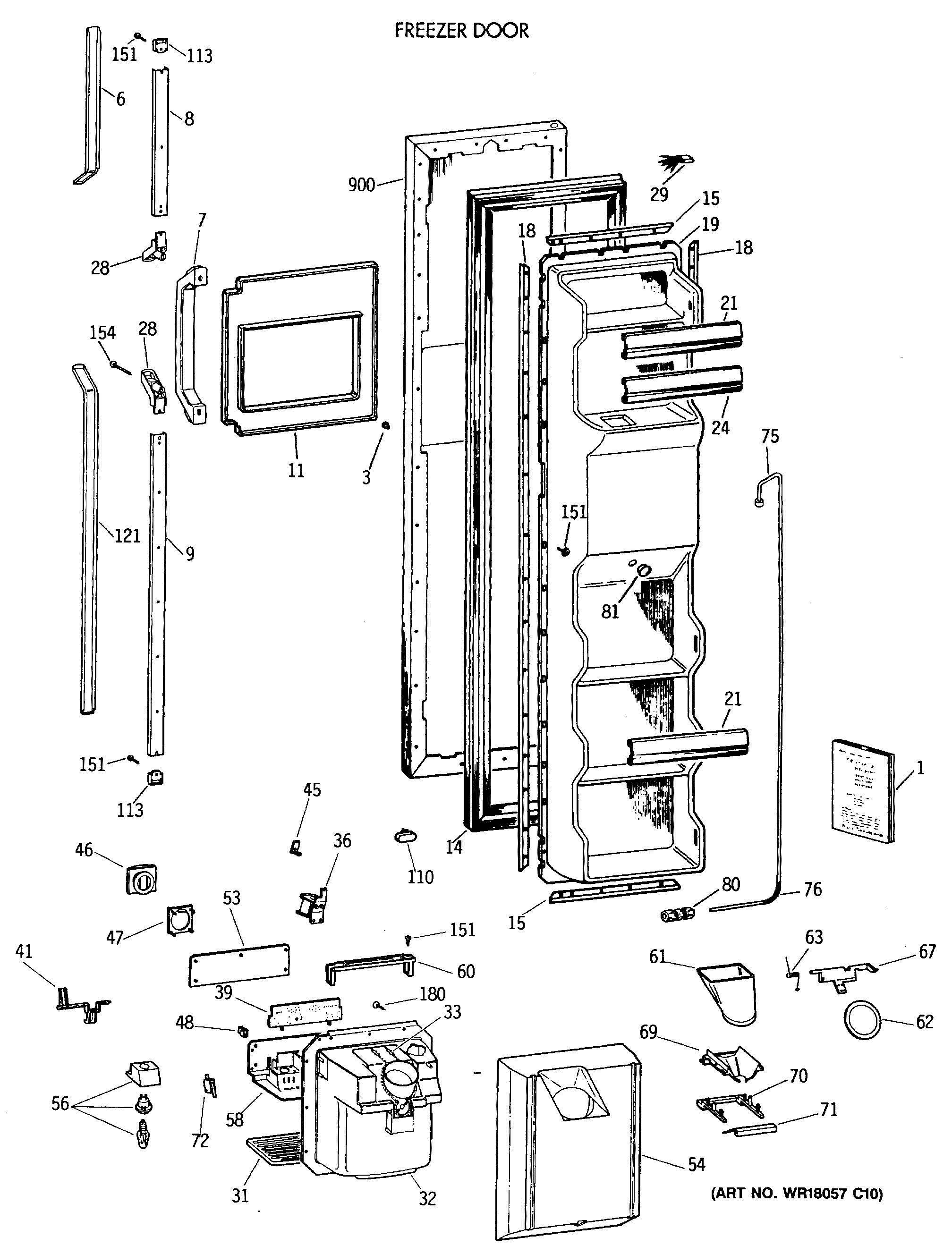
TFH24PRXAWW FREEZER DOOR

TFH24PRXAWW FREEZER DOOR

Products

PositionProduct
1GEN 31-51036
1GEN 49-6809
3GEN WR02X8669
6GEN WR12X0848
8GEN WR12X0872
9GEN WR12X0873
11GEN WR38X1838
14GEN WR24X0530
15GEN WR17X1167
18GEN WR17X1169
19GEN WR77X0667
21GEN WR17X3971
24GEN WR17X3972
28GEN WR02X8576
29GEN WR49X0350
31GEN WR02X8656
32GEN WR17X3305
33GEN WR51X0353
36WR62X107 GE Refrigerator Water Dispenser Solenoid Door
39GEN WR55X0129
41GEN WR17X3493
45WR2X8818 GE Refrigerator Retainer
46GEN WR02X8704
47GEN WR02X8681
48GEN WR02X8723
53GEN WR17X3845
54GEN WR17X3931
56GEN WR02X8686
56GEN WR02X8662
56LAMP 7C7
58GEN WR17X3166
60GEN WR02X8685
61GEN WR17X3145
62WR17X11653 GE Refrigerator Ice Door Flap Assembly
63GEN WR02X8663
65WZ4X230D GE Screw Package 12
67WR17X3089 GE Refrigerator Door Crank
69GEN WR17X3095
70GEN WR02X8954
71GEN WR17X3478
72GEN WR23X0366
75GEN WR17X3611
76GEN WR02X8933
80GEN WR02X4265
80WR02X11330 GE Refrigerator 5/16 Union Water Line Connector
81GEN WR01X2077
86GEN WH02X0940
87WZ4X241D GE Screw Package
98WR1K1 GE Screw 8-36 T
110GEN WR02X8989
113GEN WR02X7871
121GEN WR12X0849
151WR01X10623 GE Refrigerator Screw 8-18 AB IHXW 9/16 S
153WR1X1505D GE Refrigerator Screw Package of 12
154GEN WR01X2085
175SCR 8-18 AB IHW 5/8 S
180WE02X10011 GE Screw
224GEN WR02X8657
234GEN WR23X0395
234GEN WR23X0394
276GEN WR01X1510
303GEN WD01X1440
461GEN WZ06X0136
494WD1X1459 GE Dishwasher Insulation Housing
523GEN WR71X2494
556GEN WH12X0497
584GEN WZ02X0509
621GEN WR02X4495
676WD2X5166 GE Dishwasher Screw
689GEN WR01X1598
690WZ5X158D GE Screw Package of 12
691GEN WX02X0560
753GEN WB01K5052
788GEN WB17X5064
788GEN WB17X5079
809WR1X1936 GE Refrigerator Fastener
875WH2X930 GE Screw
900GEN WR78X8497
941GEN WD01X1391
942GEN WD01X1395
1458TERMINAL BLK ASM (1 PIN)
1458GEN WB17X5061
1458GEN WB17X5062