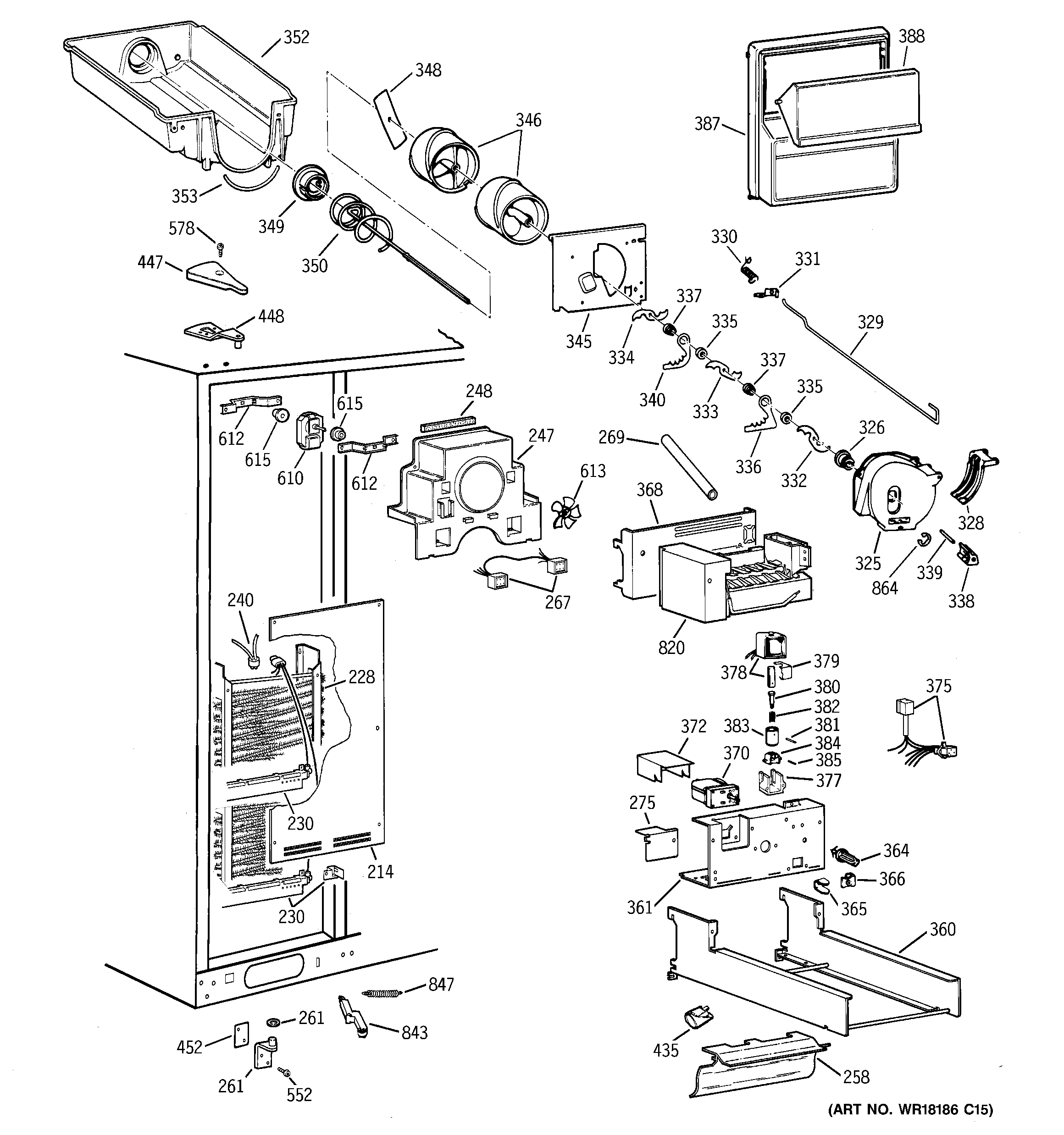
TFH30PRTAAA FREEZER SECTION

TFH30PRTAAA FREEZER SECTION

Products

PositionProduct
166GEN WR17X3836
167GEN WR17X3834
168GEN WR01X2029
169GEN WR72X0248
169GEN WR72X0247
170GEN WR71X2530
171GEN WR71X2521
172GEN WR71X2531
173GEN WR72X0244
173GEN WR72X0243
174GEN WR72X0245
174GEN WR72X0246
175SCR 8-18 AB IHW 5/8 S
176GEN WR71X2523
211GEN WR71X2522
214GEN WR17X3835
228GEN WR85X0306
230WR51X443 GE Refrigerator Defrost Heater with Bi-metal
230GEN WR02X8647
240WR50X122 GE Refrigerator Defrost Bi-metal Thermostat
247GEN WR17X3846
248GEN WR14X0460
258GEN WR17X3848
261GEN WR13X0701
261GEN WR01X2033
267GEN WR23X0424
269GEN WR02X7927
275GEN WR01X2018
325WR17X2061 GE Refrigerator Crush Dispenser
326GEN WR01X1366
326GEN WR01X1585
326WR1X1367D GE Refrigerator Return Package 12
328GEN WR02X4561
328DEFLECTOR ICE DISP
328WR2X4143 GE Refrigerator Pivot
329GEN WR17X3853
330GEN WR02X4145
331GEN WR02X4251
332WR17X1361 GE Refrigerator Blades Moving Display
333WR17X1362 GE Refrigerator Middle Blade
334WR17X1363 GE Refrigerator Blades Moving Display
335GEN WR02X4139
336GEN WR17X1009
337WR2X4138 GE Refrigerator Spacer
338WR2X4140 GE Refrigerator Blade Rest
339GEN WR02X4141
340WR17X2058 GE Refrigerator Dispenser Blade
345PLATE FRONT DISP
346HELIX REAR-DISP
346HELIX FRONT-DISP
348GEN WR02X7351
349WR2X4550 GE Refrigerator Drive Cup
350GEN WR17X3830
352GEN WR17X3831
352GEN WR30X0313
353WR2X7905 GE Refrigerator Bucket Seal
360GEN WR71X2529
361GEN WR17X3837
364GEN WR02X7310
365GEN WR02X4854
366GEN WR01X1547
368GEN WR02X9233
370WR60X10262 GE Refrigerator Motor Crusher Dispenser
372WR02X11295 GE Refrigerator Auger Motor Boot
375GEN WR23X0425
377WR2X7309 GE Refrigerator Solenoid Cushion
381WR62X23154 GE Refrigerator Ice Dispenser Solenoid Kit
382WR62X26536 GE Refrigerator Armature Kit
387GEN WR17X3833
388GEN WR17X3838
435WR2X9391 GE Socket and Terminal
435GEN WR02X8835
435RANGE ONLY 40W 120V APPL BULB
447GEN WR02X9251
448GEN WR13X0697
452GEN WR01X2020
452GEN WR01X2051
551GEN WZ04X0244
552WR01X10631 GE Screw
578WZ2X464D GE Screw
610GEN WR60X0190
612GEN WR02X8549
613WR60X114 GE Refrigerator Evaporator Motor Fan Blade
615GEN WR02X7391
820GEN WR30X0310
843GEN WR11X0177
847WR1X2027 GE Refrigerator Spring Closure
864GEN WR29X0115