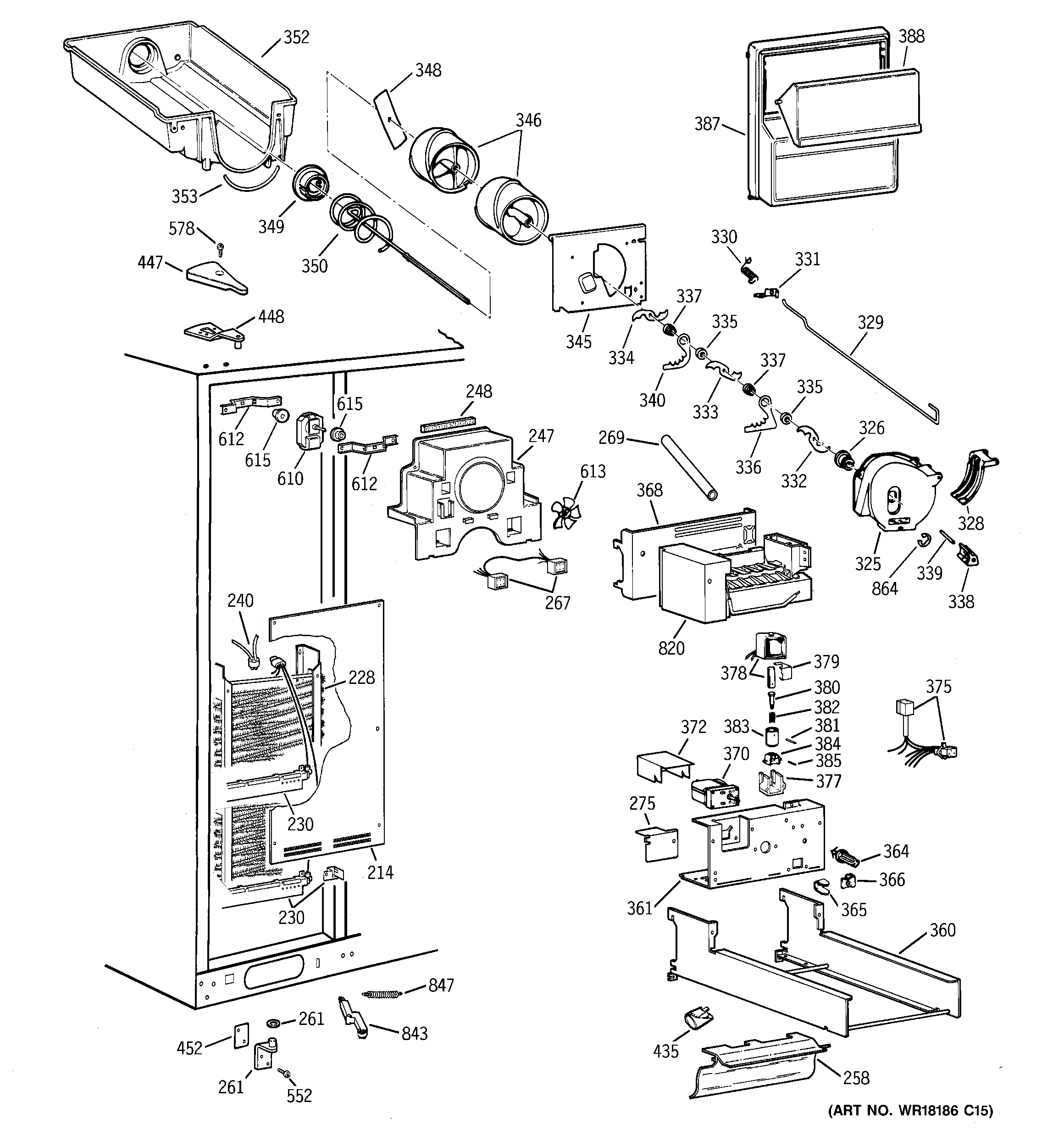
TFH30PRTAWW FREEZER SECTIONadmin2025-04-26T10:43:08+00:00TFH30PRTAWW FREEZER SECTION ProductsPositionProduct166GEN WR17X3836167GEN WR17X3834168GEN WR01X2029169GEN WR72X0248169GEN WR72X0247170GEN WR71X2530171GEN WR71X2521172GEN WR71X2531173GEN WR72X0243173GEN WR72X0244174GEN WR72X0246174GEN WR72X0245175SCR 8-18 AB IHW 5/8 S176GEN WR71X2523211GEN WR71X2522214GEN WR17X3835228GEN WR85X0306230WR51X443 GE Refrigerator Defrost Heater with Bi-metal230GEN WR02X8647240WR50X122 GE Refrigerator Defrost Bi-metal Thermostat247GEN WR17X3846248GEN WR14X0460258GEN WR17X3848261GEN WR01X2033261GEN WR13X0696267GEN WR23X0424269GEN WR02X7927275GEN WR01X2018325WR17X2061 GE Refrigerator Crush Dispenser326GEN WR01X1585326WR1X1367D GE Refrigerator Return Package 12326GEN WR01X1366328WR2X4143 GE Refrigerator Pivot328GEN WR02X4561328DEFLECTOR ICE DISP329GEN WR17X3853330GEN WR02X4145331GEN WR02X4251332WR17X1361 GE Refrigerator Blades Moving Display333WR17X1362 GE Refrigerator Middle Blade334WR17X1363 GE Refrigerator Blades Moving Display335GEN WR02X4139336GEN WR17X1009337WR2X4138 GE Refrigerator Spacer338WR2X4140 GE Refrigerator Blade Rest339GEN WR02X4141340WR17X2058 GE Refrigerator Dispenser Blade345PLATE FRONT DISP346HELIX REAR-DISP346HELIX FRONT-DISP348GEN WR02X7351349WR2X4550 GE Refrigerator Drive Cup350GEN WR17X3830352GEN WR17X3831352GEN WR30X0313353WR2X7905 GE Refrigerator Bucket Seal360GEN WR71X2529361GEN WR17X3837364GEN WR02X7310365GEN WR02X4854366GEN WR01X1547368GEN WR02X9233370WR60X10262 GE Refrigerator Motor Crusher Dispenser372WR02X11295 GE Refrigerator Auger Motor Boot375GEN WR23X0425377WR2X7309 GE Refrigerator Solenoid Cushion381WR62X23154 GE Refrigerator Ice Dispenser Solenoid Kit382WR62X26536 GE Refrigerator Armature Kit387GEN WR17X3833388GEN WR17X3838435WR2X9391 GE Socket and Terminal435GEN WR02X8835435RANGE ONLY 40W 120V APPL BULB447GEN WR02X9236448GEN WR13X0697452GEN WR01X2051452GEN WR01X2020551GEN WZ04X0244552WR01X10631 GE Screw578WZ2X464D GE Screw610GEN WR60X0190612GEN WR02X8549613WR60X114 GE Refrigerator Evaporator Motor Fan Blade615GEN WR02X7391820GEN WR30X0310843GEN WR11X0170847WR1X2027 GE Refrigerator Spring Closure864GEN WR29X0115