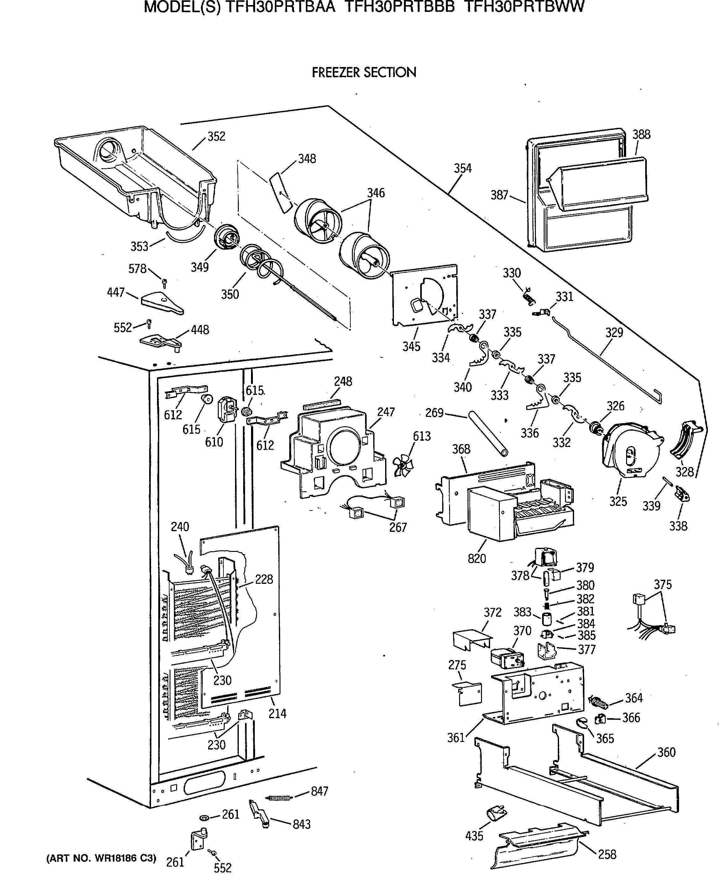
TFH30PRTBAA FREEZER SECTIONadmin2025-04-26T10:43:44+00:00TFH30PRTBAA FREEZER SECTION ProductsPositionProduct214GEN WR17X3835228GEN WR85X0306230WR51X443 GE Refrigerator Defrost Heater with Bi-metal230GEN WR02X8647240WR50X122 GE Refrigerator Defrost Bi-metal Thermostat247GEN WR17X3846248GEN WR14X0460258GEN WR17X3848261GEN WR13X0701261GEN WR01X2033267GEN WR23X0424269GEN WR02X7927275GEN WR01X2018325WR17X2061 GE Refrigerator Crush Dispenser326GEN WR01X1585326WR1X1367D GE Refrigerator Return Package 12326GEN WR01X1366328GEN WR02X4561328DEFLECTOR ICE DISP328WR2X4143 GE Refrigerator Pivot330GEN WR02X4145332WR17X1361 GE Refrigerator Blades Moving Display333WR17X1362 GE Refrigerator Middle Blade334WR17X1363 GE Refrigerator Blades Moving Display335GEN WR02X4139336GEN WR17X1009337WR2X4138 GE Refrigerator Spacer338WR2X4140 GE Refrigerator Blade Rest339GEN WR02X4141340WR17X2058 GE Refrigerator Dispenser Blade345PLATE FRONT DISP346HELIX FRONT-DISP346HELIX REAR-DISP348GEN WR02X7351349WR2X4550 GE Refrigerator Drive Cup350GEN WR17X3830352GEN WR30X0313353WR2X7905 GE Refrigerator Bucket Seal354GEN WR17X3831360GEN WR71X2529361GEN WR17X3837364GEN WR02X7310365GEN WR02X4854366GEN WR01X1547368GEN WR02X9346370WR01X10618 GE Refrigerator Screw 8-18 TPT 1/4370WR60X10262 GE Refrigerator Motor Crusher Dispenser372WR02X11295 GE Refrigerator Auger Motor Boot375GEN WR23X0463377WR2X7309 GE Refrigerator Solenoid Cushion381WR62X23154 GE Refrigerator Ice Dispenser Solenoid Kit382WR62X26536 GE Refrigerator Armature Kit387GEN WR17X3833388GEN WR17X3838435RANGE ONLY 40W 120V APPL BULB435GEN WR02X8835435WR2X9391 GE Socket and Terminal447GEN WR02X9251448GEN WR13X0697552WR01X10631 GE Screw578WZ2X464D GE Screw610GEN WR60X0190612GEN WR02X8549613WR60X114 GE Refrigerator Evaporator Motor Fan Blade615GEN WR02X7391820WR30X10093 GE Refrigerator Ice Maker843GEN WR11X0177847WR1X2027 GE Refrigerator Spring Closure