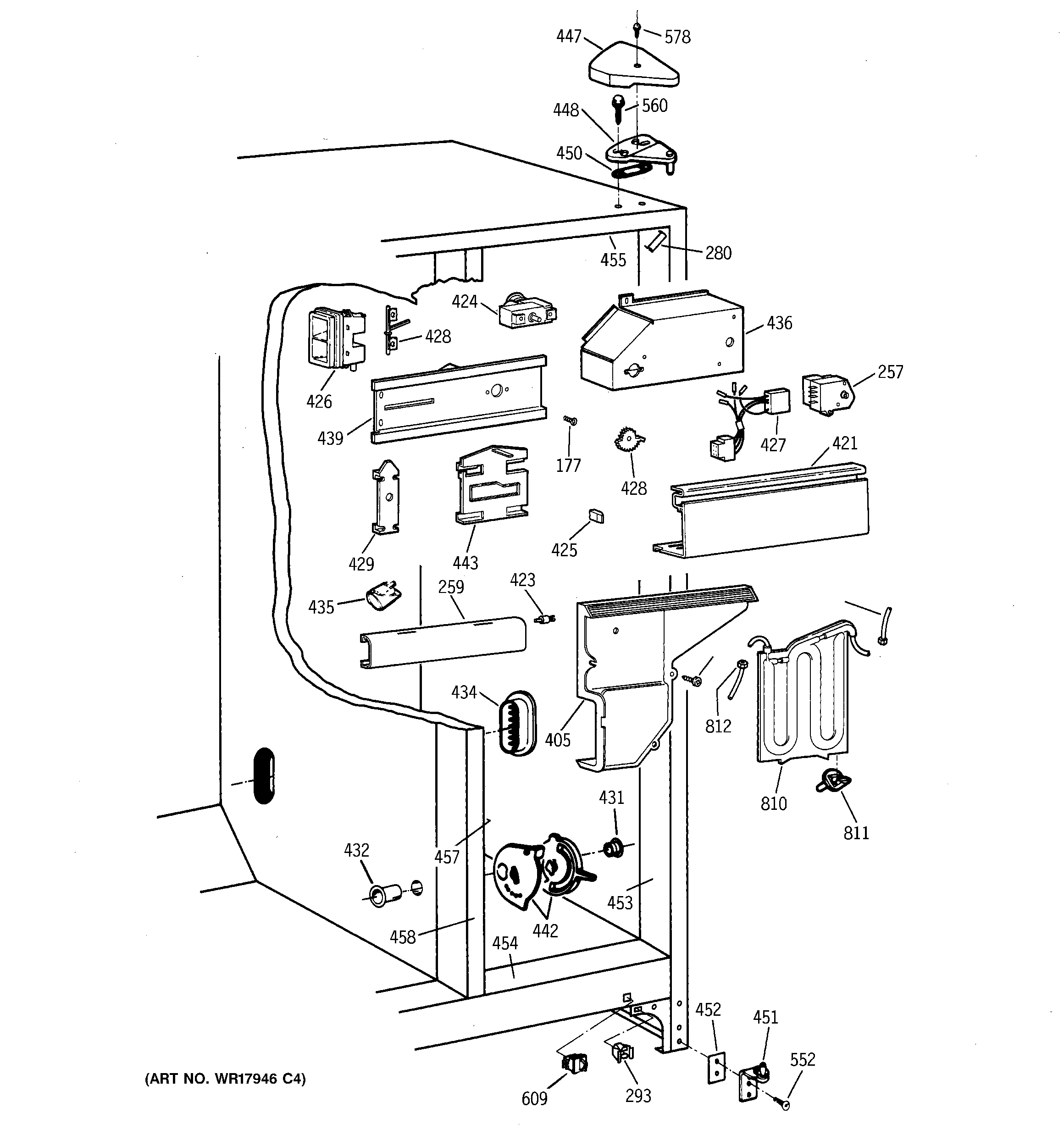
TFHB22RRABK FRESH FOOD SECTIONadmin2025-04-26T10:41:53+00:00TFHB22RRABK FRESH FOOD SECTION ProductsPositionProduct177SCREW257DEFROST TIMER259GEN WR17X2555280GEN WR02X8524293GEN WR02X7080405GEN WR14X0264405GEN WR17X1523421GEN WR17X2975423GEN WR02X6347424GEN WR09X0499425GEN WR02X8398426GEN WR14X0369426GEN WR02X4834426GEN WR02X8514427GEN WR23X0357428GEN WR02X8513428GEN WR02X8582429HOLDER HEATER ELEMENT431GEN WR02X8434432GEN WR02X3886434GEN WR02X4542435WR2X9391 GE Socket and Terminal435GEN 37-2402436GEN WR02X7736439GEN WR17X2922442GEN WR02X3884442KNOB CONTROL442GEN WR02X7035443GEN WR02X8570447GEN WR02X8523448GEN WR13X0616450GEN WR02X4194451WR13X10020 GE Refrigerator Door Hinge Assembly with Cam452NUTSTRIP HINGE453GEN WR40X1631454GEN WR40X1629455GEN WR40X1635457GEN WR40X1640458GEN WR02X4739458GEN WR02X7031458MULLION & TAB ASM (BLK)458GEN WR02X7033552SCR 12-24 TT HXW 1 3/64S560GEN WR01X1806560GEN WR01X1249609GEN WR23X0353810GEN WR17X2890811GEN WR02X4469812WR17X2891 GE Refrigerator 5/16" X 6FT Plastic Water Line Tubing