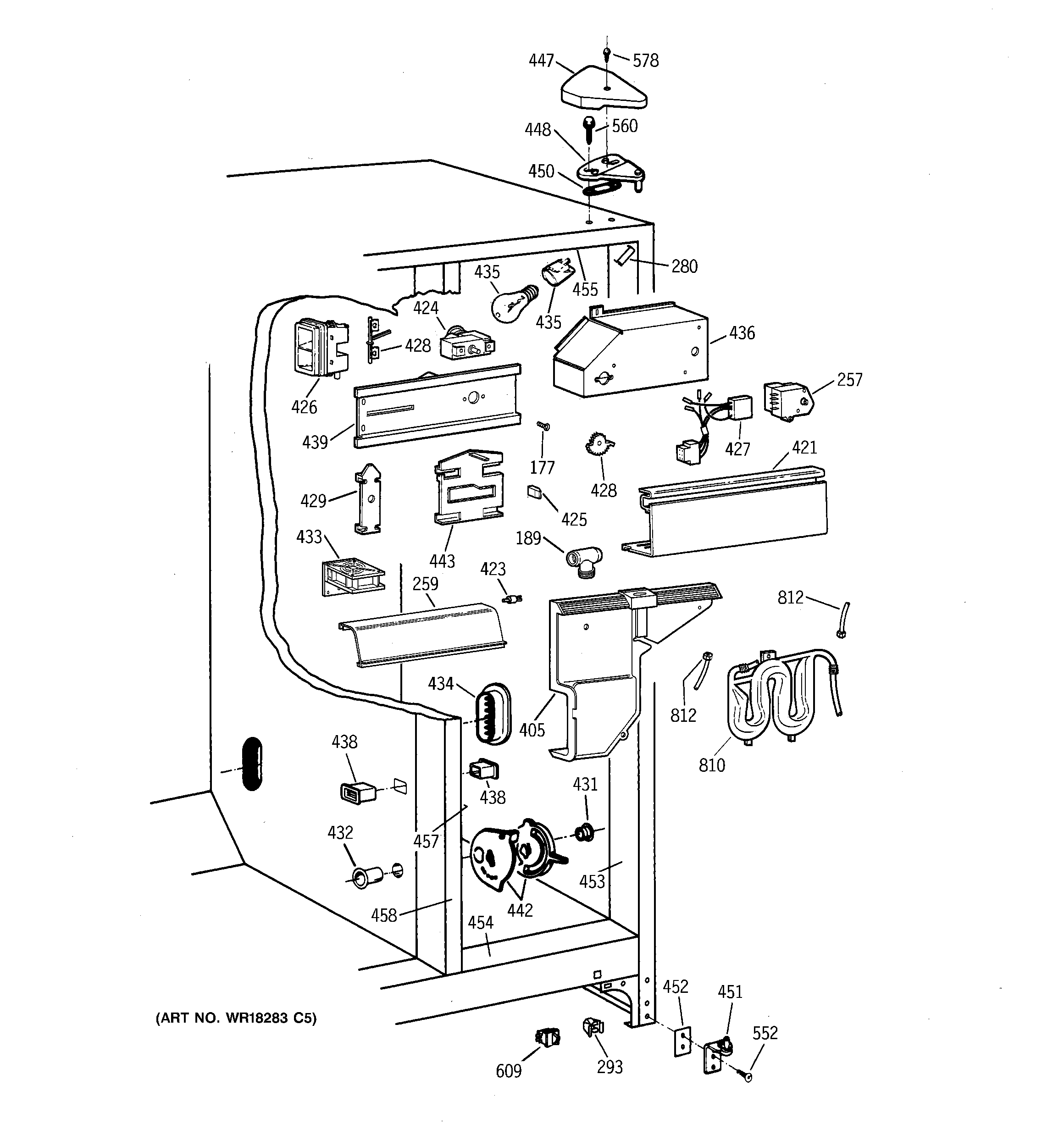
TFJ25PRYAJWW FRESH FOOD SECTIONadmin2025-04-26T10:42:18+00:00TFJ25PRYAJWW FRESH FOOD SECTION ProductsPositionProduct177SCREW189GEN WR02X9243257WR9X560 GE Refrigerator Defrost Control259GEN WR17X4077280GEN WR02X8518293GEN WR02X7080405GEN WR17X3890421GEN WR17X4078423GEN WR02X6347424GEN WR09X0575424GEN WR02X8914425GEN WR02X9216426GEN WR02X8514426GEN WR02X8425427GEN WR23X0444428GEN WR02X8513428GEN WR02X9396429HOLDER HEATER ELEMENT431WR2X9299 GE Refrigerator Air Duct Cap Mullion432GEN WR02X8654433GEN WR60X0246434GEN WR02X9431435WR2X9391 GE Socket and Terminal435RANGE ONLY 40W 120V APPL BULB436GEN WR02X8909438GEN WR02X8655438GEN WR02X7476439GEN WR17X2922442GEN WR02X8840442GEN WR02X3884443GEN WR02X8570447GEN WR02X8824447GEN WR02X8825448GEN WR13X0752450GEN WR02X4194451WR13X10020 GE Refrigerator Door Hinge Assembly with Cam452GEN WR02X9443453GEN WR40X1734454GEN WR40X1735455GEN WR40X1736457GEN WR40X1737458GEN WR02X4739458GEN WR02X7033458GEN WR02X9376458GEN WR40X1738552WR01X10600 GE Refrigerator Screw 12-24 Tapping Hex .811 S Z560GEN WR01X2140578WZ2X464D GE Screw609WR23X37285 GE Light Switch810WR17X4358 GE Refrigerator Water Tank812WR17X2891 GE Refrigerator 5/16" X 6FT Plastic Water Line Tubing