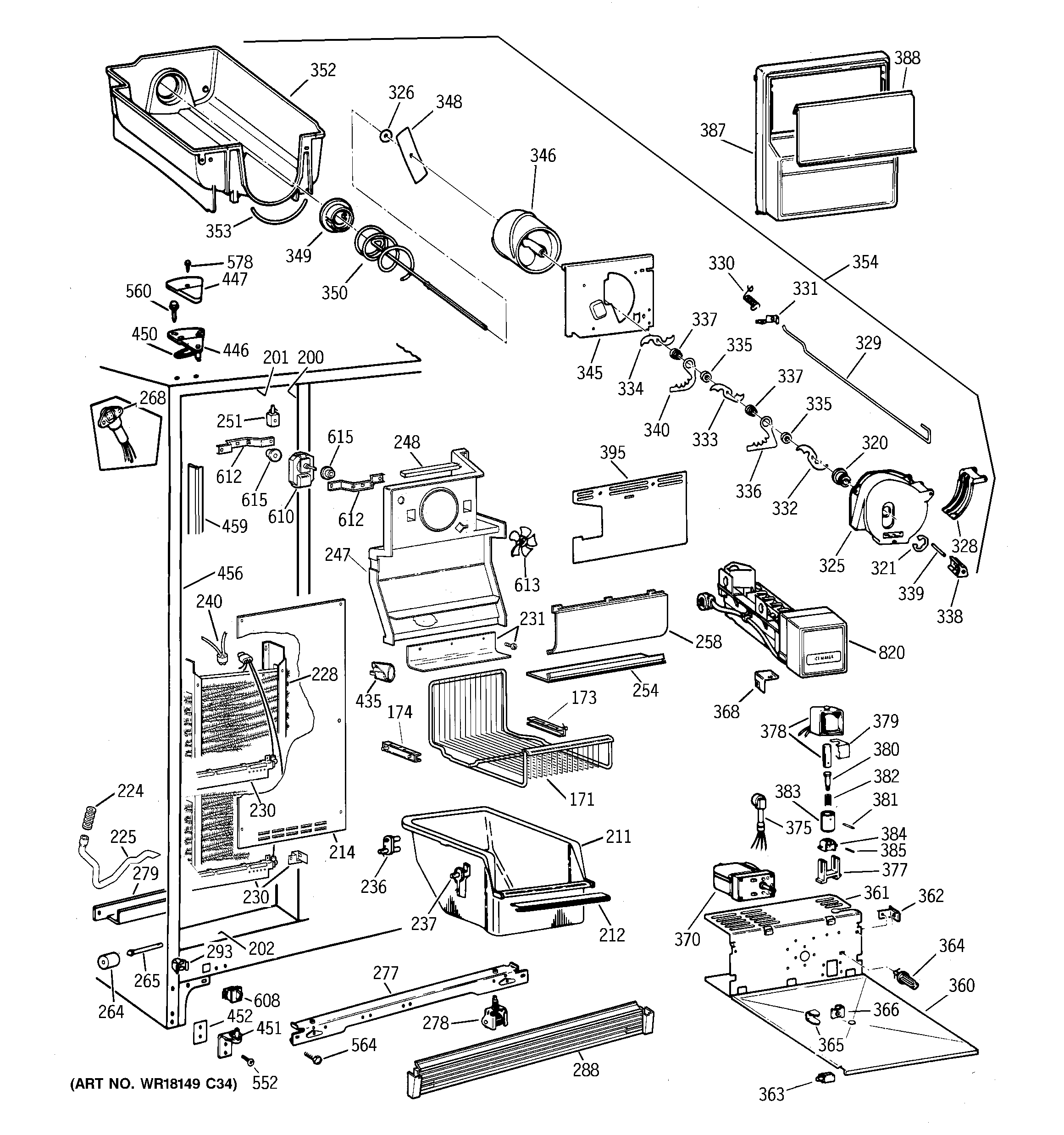
TFK25PRBCWW FREEZER SECTIONadmin2025-04-26T10:45:13+00:00TFK25PRBCWW FREEZER SECTION ProductsPositionProduct171GEN WR71X10147173WR72X10079 GE Refrigerator Right Hand Basket Support Slide174SUPPORT SLIDE BASKET LH200GEN WR40X1730201GEN WR40X1731202GEN WR40X1732211GEN WR21X0190212GEN WR17X3103214GEN WR17X4091214GEN WR14X0456214GEN WR01X10064224GEN WR02X8657225GEN WR02X8293225GEN WR01X5042228WR87X29147 GE Refrigerator 25' Evaporator230WR51X10023 GE Heater Defrost Harness Assembly230GEN WR02X8647231GEN WR17X3651231GEN WR01X1987231GEN WR01X2110236GEN WR02X4548237GEN WR02X7036240WR50X122 GE Refrigerator Defrost Bi-metal Thermostat247GEN WR17X3488247GEN WR02X4845248GEN WR14X0493251GEN WR02X2880254GEN WR17X4275258GEN WR17X3489264WR2X3594 GE Refrigerator Wheel265GEN WR02X3595265GEN WR02X4742268GEN WR23X0312277GEN WR17X2113278WHEEL ASM FRT279GEN WR17X10058288GEN WR74X0206293GEN WR02X7080320GEN WR01X1585321GEN WR01X1990325WR17X2061 GE Refrigerator Crush Dispenser326GEN WR01X1991328GEN WR02X9164328GEN WR02X4561328DEFLECTOR ICE DISP329GEN WR17X3737330GEN WR02X4145331GEN WR02X9165332GEN WR17X3740333GEN WR17X3741334GEN WR17X3742335GEN WR02X4139336GEN WR17X3739337WR2X4138 GE Refrigerator Spacer338WR2X4140 GE Refrigerator Blade Rest339GEN WR02X4141340GEN WR17X3738345GEN WR17X3733346WR17X4207 GE Refrigerator Front Helix348GEN WR02X7351349WR2X4550 GE Refrigerator Drive Cup350GEN WR17X4341352WR30X256 GE Refrigerator Ice Dispenser353WR2X7905 GE Refrigerator Bucket Seal354GEN WR17X4342360GEN WR71X2510360GEN WR02X4566361GEN WR71X2517362GEN WR02X9166363GEN WR02X8952364GEN WR02X7310365GEN WR02X4854366GEN WR01X1547368GEN WR02X8459370GEN WR60X0201375GEN WR23X0415377WR2X7309 GE Refrigerator Solenoid Cushion378WR62X10054 GE Refrigerator Solenoid & Arm Assembly381WR62X23154 GE Refrigerator Ice Dispenser Solenoid Kit382WR62X26536 GE Refrigerator Armature Kit387GEN WR17X10330388GEN WR17X10275395GEN WR17X2905435WR2X9014 GE Refrigerator Socket & Terminal C02435WR02X12207 GE Refrigerator Net Bulb Light446GEN WR13X10059447GEN WR02X8825447GEN WR02X8824450GEN WR02X4194451WR13X10020 GE Refrigerator Door Hinge Assembly with Cam452GEN WR02X7011456GEN WR40X1733459GEN WR14X0481552WR01X10600 GE Refrigerator Screw 12-24 Tapping Hex .811 S Z560GEN WR01X2140564GEN WR01X1194578GEN WZ02X