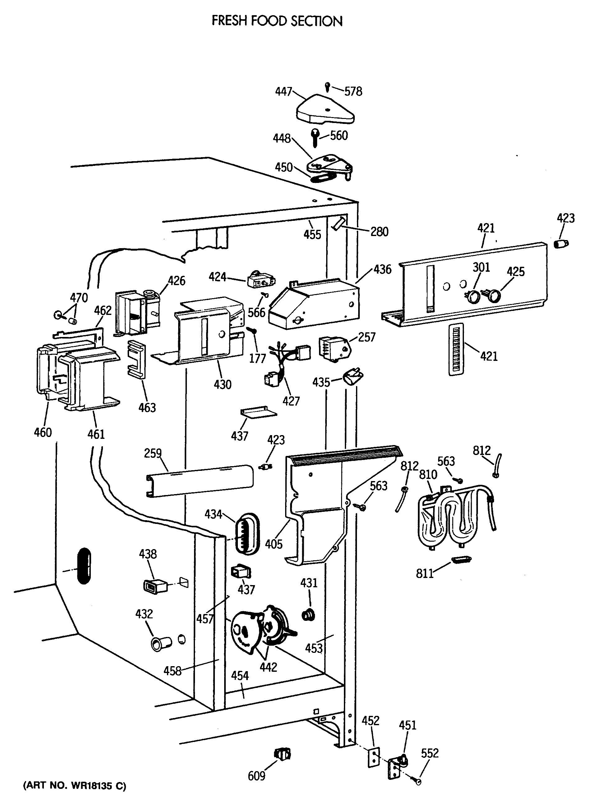
TFK27ZRTCAA FRESH FOOD SECTIONadmin2025-04-26T10:45:03+00:00TFK27ZRTCAA FRESH FOOD SECTION ProductsPositionProduct177SCREW257GEN WR09X0541259GEN WR17X2555280GEN WR02X8519301GEN WR02X9215405GEN WR14X0264405GEN WR17X1523421GEN WR17X3778421GEN WR17X3414421GEN WR14X0443423GEN WR02X6347424GEN WR02X8914424GEN WR09X0530425GEN WR02X9216426GEN WR09X0522427GEN WR23X0357430GEN WR17X3416431GEN WR02X8722432GEN WR02X8654434GEN WR02X9175435WR02X12207 GE Refrigerator Net Bulb Light435WR2X9014 GE Refrigerator Socket & Terminal C02436GEN WR02X8909437GEN WR02X7476438GEN WR02X8655442GEN WR02X9138447GEN WR02X8334448GEN WR13X0644450GEN WR02X4194451GEN WR13X0621452SHIM HINGE BTM.452NUTSTRIP HINGE453GEN WR40X1661454GEN WR40X1659455GEN WR40X1663457GEN WR40X1665458GEN WR02X7033458GEN WR40X1686458GEN WR02X8721458GEN WR02X4739460GEN WR02X8911461GEN WZ06X0136461GEN WR02X8910462GEN WR14X0442463GEN WR82X0338470GEN WR01X1929560GEN WR01X1249560GEN WR01X1806578WZ2X464D GE Screw609WR23X37285 GE Light Switch810GEN WR17X3105811GEN WR02X8659812WR17X2891 GE Refrigerator 5/16" X 6FT Plastic Water Line Tubing