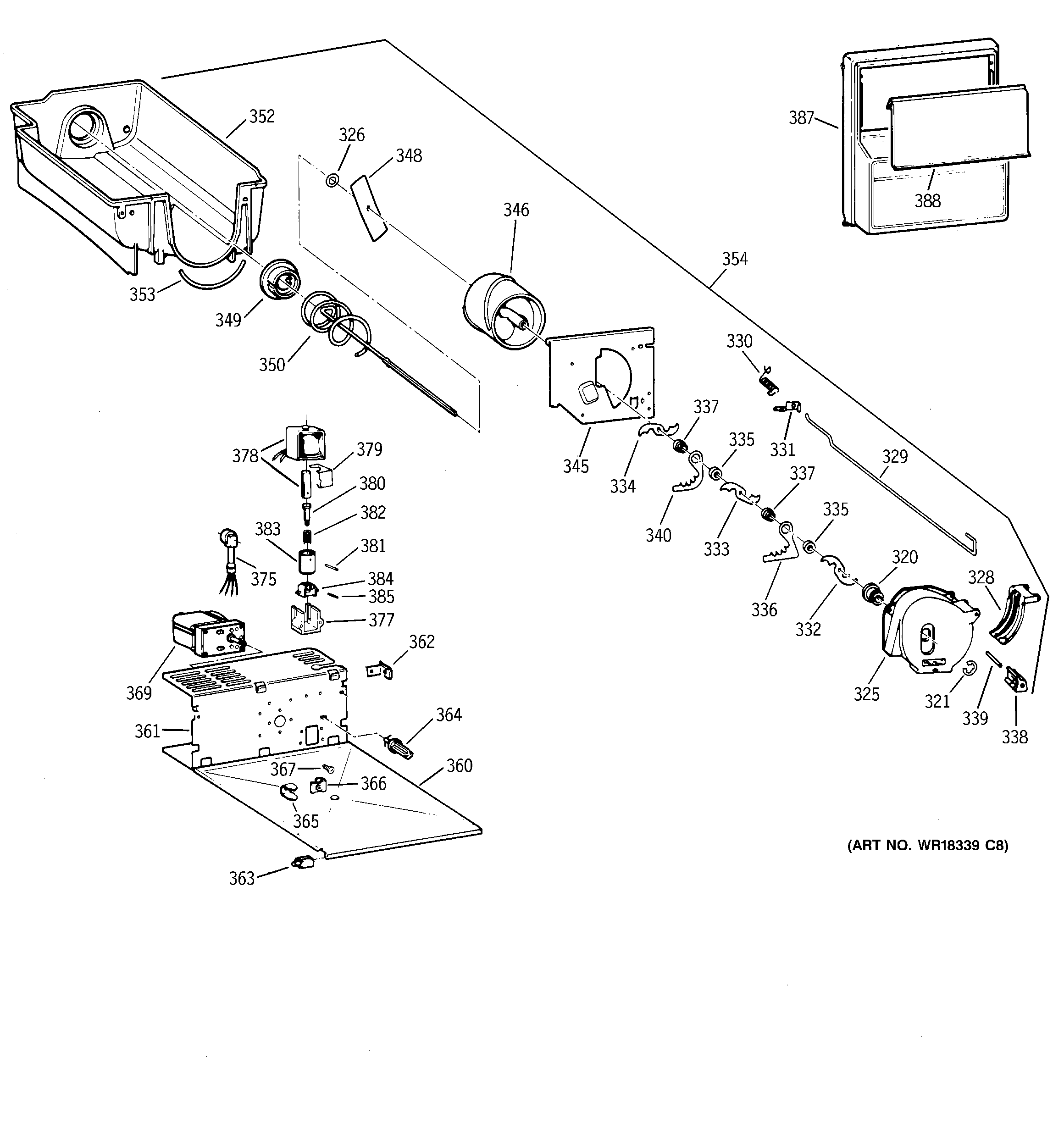
TFM20JRBEAA ICE BUCKET