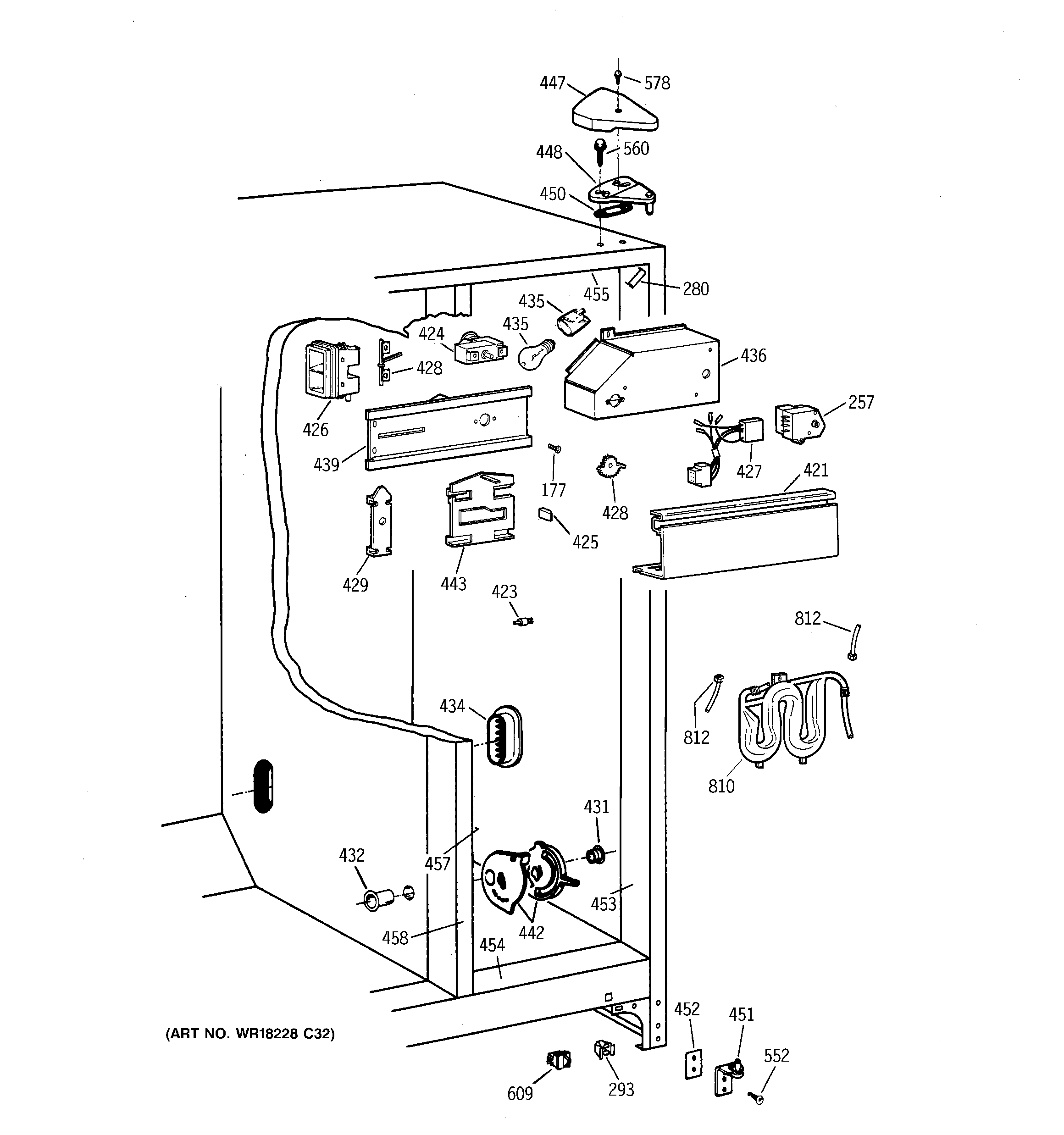
TFM26KRDAAA FRESH FOOD SECTIONadmin2025-04-26T11:57:00+00:00TFM26KRDAAA FRESH FOOD SECTION ProductsPositionProduct177SCREW257DEFROST TIMER280GEN WR02X8519293GEN WR02X7080421GEN WR17X4124423GEN WR02X10050424GEN WR09X0570425GEN WR02X8398426GEN WR02X8514426GEN WR02X8425427GEN WR23X0316428GEN WR02X9396428GEN WR02X8513429HOLDER HEATER ELEMENT431WR2X9299 GE Refrigerator Air Duct Cap Mullion432GEN WR02X8654434GEN WR02X9431435WR2X9391 GE Socket and Terminal435RANGE ONLY 40W 120V APPL BULB436GEN WR02X7736439GEN WR17X2922442GEN WR17X10060443GEN WR02X8570447GEN WR02X8844447GEN WR02X8843448GEN WR13X0659450GEN WR02X4194451WR13X10020 GE Refrigerator Door Hinge Assembly with Cam452SHIM HINGE BTM.452GEN WR02X7011453GEN WR40X1734454GEN WR40X1735455GEN WR40X1736457GEN WR40X10029458GEN WR02X9376458GEN WR02X10334458GEN WR40X1740552WR01X10600 GE Refrigerator Screw 12-24 Tapping Hex .811 S Z560GEN WR01X2140578WZ2X464D GE Screw609WR23X37285 GE Light Switch810GEN WR17X10507812WR17X2891 GE Refrigerator 5/16" X 6FT Plastic Water Line Tubing