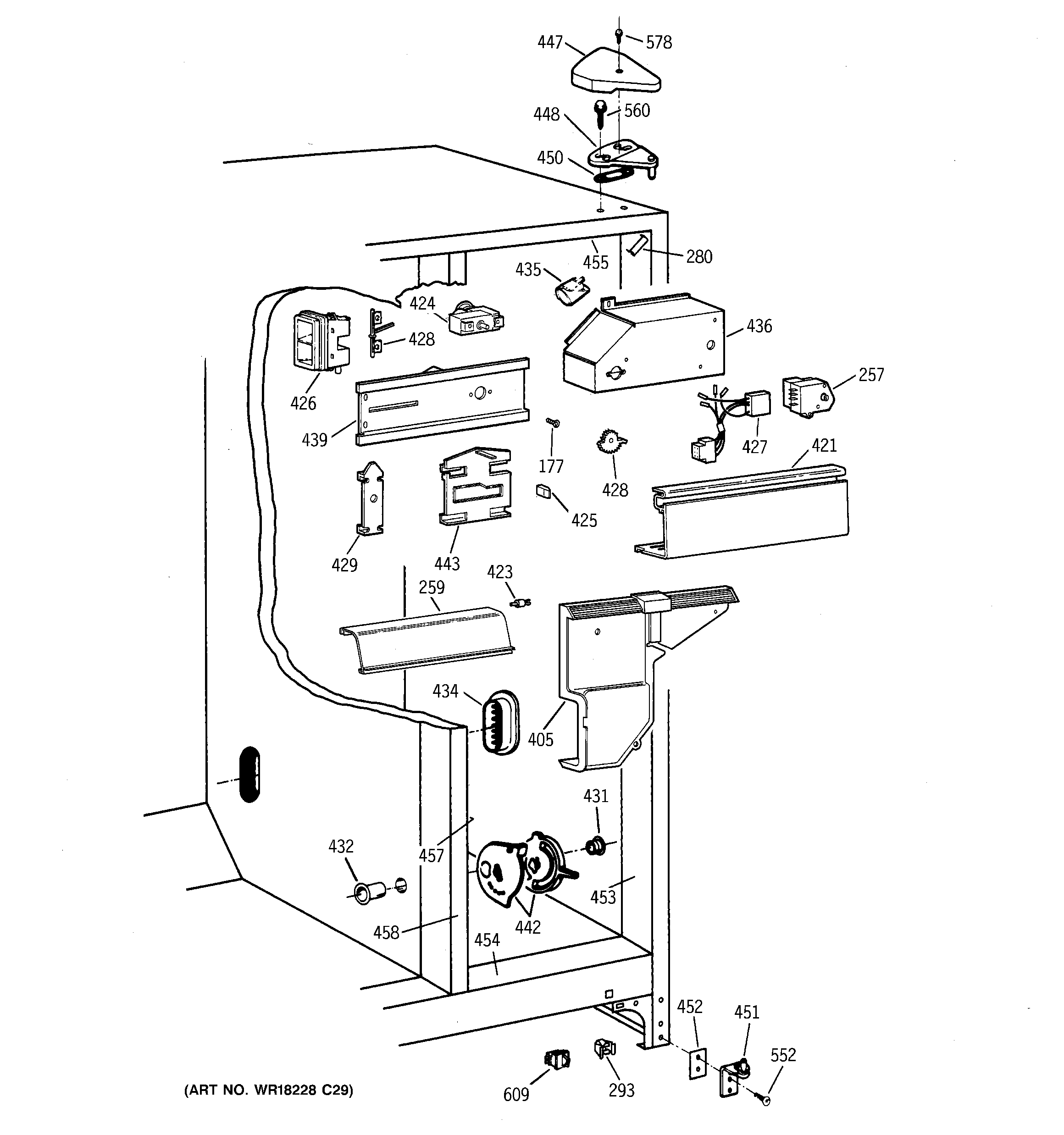
TFT20JABBAA FRESH FOOD SECTIONadmin2025-04-26T11:58:42+00:00TFT20JABBAA FRESH FOOD SECTION ProductsPositionProduct177SCREW215GEN WR32X0897216GEN WR32X1575257DEFROST TIMER259GEN WR17X4069280GEN WR02X8519293GEN WR02X7080400GEN WR71X2290401GEN WR32X1515402GEN WR38X2170403GEN WR72X0255404GEN WR38X2172405GEN WR14X0264405GEN WR17X1382407GEN WR32X1178408GEN WR32X1177409GEN WR32X1514410GEN WR17X4068411GEN WR17X4067414GEN WR14X0444415GEN WR32X1105417GEN WR14X10007421GEN WR17X10301421GEN WR17X10225423GEN WR02X6347423GEN WR02X10050424GEN WR09X0570425GEN WR02X8398426GEN WR02X8425426GEN WR02X8514427GEN WR23X0469428GEN WR02X8569428GEN WR02X8513429HOLDER HEATER ELEMENT431WR2X9299 GE Refrigerator Air Duct Cap Mullion432GEN WR02X8654434GEN WR02X9431435RANGE ONLY 40W 120V APPL BULB435WR2X9391 GE Socket and Terminal436GEN WR02X7736439GEN WR17X2922442GEN WR17X10060443GEN WR02X8570447GEN WR02X8263448GEN WR13X0743450GEN WR02X4194451WR13X10020 GE Refrigerator Door Hinge Assembly with Cam453GEN WR40X1757454GEN WR40X1758455GEN WR40X1759457GEN WR40X1748458GEN WR02X9376458GEN WR02X4739458GEN WR02X7033458GEN WR40X1751479GEN WR72X10010479GEN WR72X10009480GEN WR72X10007480GEN WR72X10008551GEN WZ04X0244552WR01X10600 GE Refrigerator Screw 12-24 Tapping Hex .811 S Z554WR01X10601 GE Refrigerator Screw 10-24 TT IHXW560GEN WR01X2140578WZ2X464D GE Screw609WR23X37285 GE Light Switch