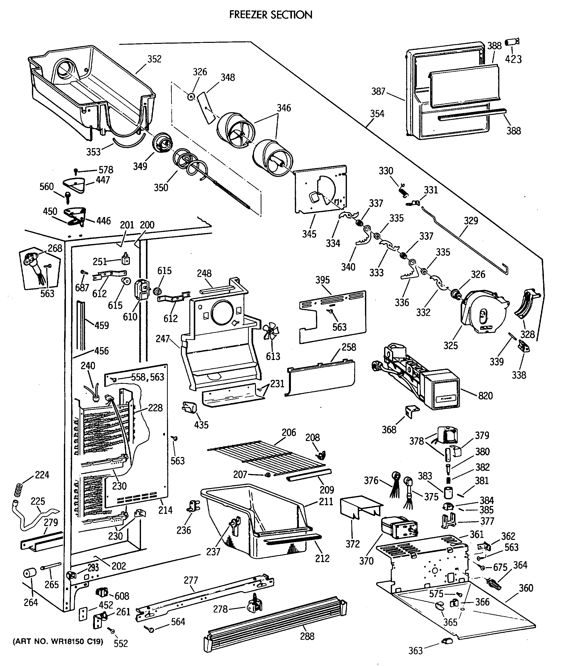
TFT20JRXAWW FREEZER SECTION

TFT20JRXAWW FREEZER SECTION

Products

PositionProduct
200GEN WR40X1741
201GEN WR40X1742
202GEN WR40X1743
206GEN WR71X1888
207GEN WR02X4676
208GEN WR02X4674
209GEN WR38X2151
211GEN WR21X0183
212GEN WR38X2149
214GEN WR17X4066
214GEN WR14X0455
214GEN WR01X2128
224GEN WR02X8657
225GEN WR01X5042
225GEN WR02X4838
225GEN WR02X8293
228WR87X28949 GE Refrigerator Evaporator
230WR51X442 GE Refrigerator Defrost Heater Assembly
230GEN WR02X8671
231GEN WR01X2110
231GEN WR17X3666
231GEN WR01X1987
236GEN WR02X4548
237GEN WR02X7036
240WR50X122 GE Refrigerator Defrost Bi-metal Thermostat
247GEN WR02X4845
247GEN WR17X3483
248GEN WR14X0272
251GEN WR02X2880
258GEN WR17X3484
261WR13X10020 GE Refrigerator Door Hinge Assembly with Cam
264WR2X3594 GE Refrigerator Wheel
265GEN WR02X4742
265GEN WR02X3595
265GEN WR02X3598
268GEN WR23X0312
277GEN WR17X3117
278WHEEL ASM FRT
279GEN WR17X3663
288GEN WR74X0225
293GEN WR02X7080
325WR17X2061 GE Refrigerator Crush Dispenser
326GEN WR01X1585
326GEN WR01X1990
326GEN WR01X1991
328DEFLECTOR ICE DISP
328GEN WR02X9164
328GEN WR02X4561
329GEN WR17X3737
330GEN WR02X4145
331GEN WR02X9165
332GEN WR17X3740
333GEN WR17X3741
334GEN WR17X3742
335GEN WR02X4139
336GEN WR17X3739
337WR2X4138 GE Refrigerator Spacer
338WR2X4140 GE Refrigerator Blade Rest
339GEN WR02X4141
340GEN WR17X3738
345GEN WR17X3728
346HELIX REAR-DISP
346HELIX FRONT-DISP
348GEN WR02X7351
349WR2X4550 GE Refrigerator Drive Cup
350GEN WR17X3729
352GEN WR30X0257
353WR2X7905 GE Refrigerator Bucket Seal
354GEN WR17X3735
360GEN WR71X2509
360GEN WR02X8730
361GEN WR71X2518
362GEN WR02X9166
363GEN WR02X8952
364GEN WR02X7310
365GEN WR02X4854
366GEN WR01X1547
368GEN WR02X8459
370WR60X10262 GE Refrigerator Motor Crusher Dispenser
372WR02X11295 GE Refrigerator Auger Motor Boot
375GEN WR23X0415
376GEN WR23X0189
377WR2X7309 GE Refrigerator Solenoid Cushion
381WR62X23154 GE Refrigerator Ice Dispenser Solenoid Kit
382WR62X26536 GE Refrigerator Armature Kit
387GEN WR17X4073
388WR17X10273 GE Refrigerator Door Ice Storage
388GEN WR38X1497
395GEN WR17X2904
423GEN WR02X6347
435WR2X9391 GE Socket and Terminal
435RANGE ONLY 40W 120V APPL BULB
446GEN WR13X0744
447GEN WR02X8262
450GEN WR02X4194
452SHIM HINGE BTM.
452SHIM HINGE BTM.