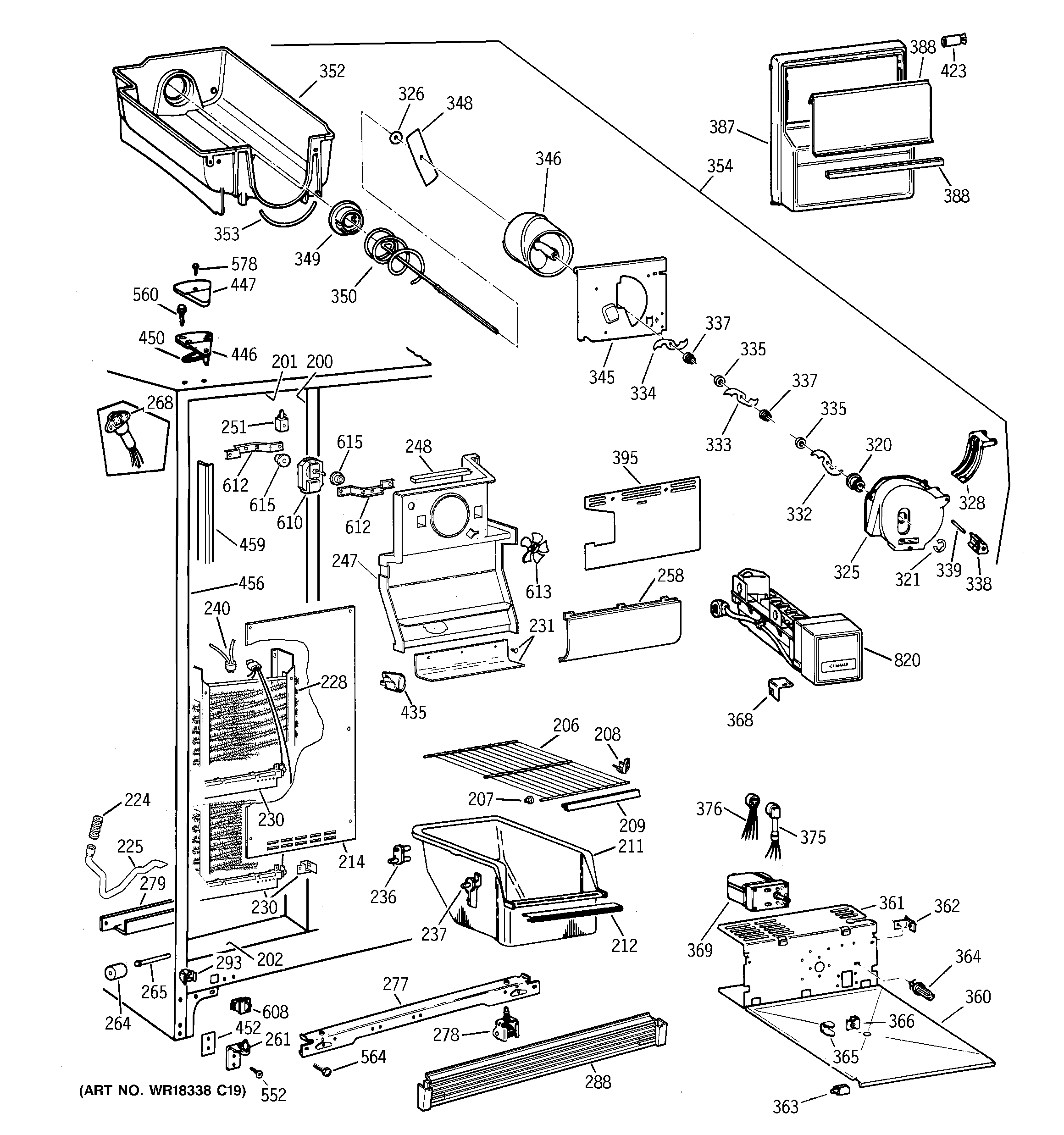
TFT22JWXFWW FREEZER SECTION

TFT22JWXFWW FREEZER SECTION

Products

PositionProduct
200GEN WR40X1741
201GEN WR40X1742
202GEN WR40X1743
206GEN WR71X1888
207GEN WR02X4676
208GEN WR02X4674
209GEN WR38X2151
211GEN WR21X0183
212GEN WR38X2149
214GEN WR01X2128
214GEN WR14X0455
214GEN WR17X4066
224GEN WR02X8657
225GEN WR02X8293
225GEN WR01X5042
228WR87X28949 GE Refrigerator Evaporator
230GEN WR02X8671
230WR51X442 GE Refrigerator Defrost Heater Assembly
231GEN WR01X2110
231GEN WR17X3666
231GEN WR01X1987
236GEN WR02X4548
237GEN WR02X7036
240WR50X122 GE Refrigerator Defrost Bi-metal Thermostat
247GEN WR02X4845
247GEN WR17X3483
248GEN WR14X0272
251GEN WR02X2880
258GEN WR17X3484
261WR13X10020 GE Refrigerator Door Hinge Assembly with Cam
264WR2X3594 GE Refrigerator Wheel
265GEN WR02X4742
265GEN WR02X3595
265GEN WR02X3598
268GEN WR23X0312
277GEN WR17X3136
278WHEEL ASM FRT
279GEN WR17X3660
288GEN WR74X0217
293GEN WR02X7080
320GEN WR01X1585
321GEN WR01X1990
325WR17X2061 GE Refrigerator Crush Dispenser
326GEN WR01X1991
328DEFLECTOR ICE DISP
328GEN WR02X9164
328GEN WR02X4561
332GEN WR17X3740
333GEN WR17X3741
334GEN WR17X3742
335GEN WR02X4139
337WR2X4138 GE Refrigerator Spacer
345GEN WR17X3728
346WR17X4207 GE Refrigerator Front Helix
348GEN WR02X7351
349WR2X4550 GE Refrigerator Drive Cup
350GEN WR17X4341
352GEN WR30X0257
353WR2X7905 GE Refrigerator Bucket Seal
354GEN WR17X4352
360GEN WR02X8730
360GEN WR71X2509
361GEN WR71X2518
362GEN WR02X9166
363GEN WR02X8952
364GEN WR02X7310
365GEN WR02X4854
366GEN WR01X1547
368GEN WR02X8459
369WR60X10262 GE Refrigerator Motor Crusher Dispenser
375GEN WR23X0416
376GEN WR23X0189
387GEN WR17X4073
388WR17X10273 GE Refrigerator Door Ice Storage
388GEN WR38X1497
395GEN WR17X2904
423GEN WR02X6347
435WR2X9391 GE Socket and Terminal
435RANGE ONLY 40W 120V APPL BULB
446GEN WR13X0744
447GEN WR02X8262
450GEN WR02X4194
452GEN WR02X9442
456GEN WR40X1747
459GEN WR14X0479
552WR01X10600 GE Refrigerator Screw 12-24 Tapping Hex .811 S Z
560GEN WR01X2140
564GEN WR01X1194
578WZ2X464D GE Screw
608WR23X427 GE Refrigerator Freezer Light Switch
610GEN WR60X0240
612GEN WR02X9319
613WR60X114 GE Refrigerator Evaporator Motor Fan Blade
615GEN WR02X7391
820WR30X10093 GE Refrigerator Ice Maker