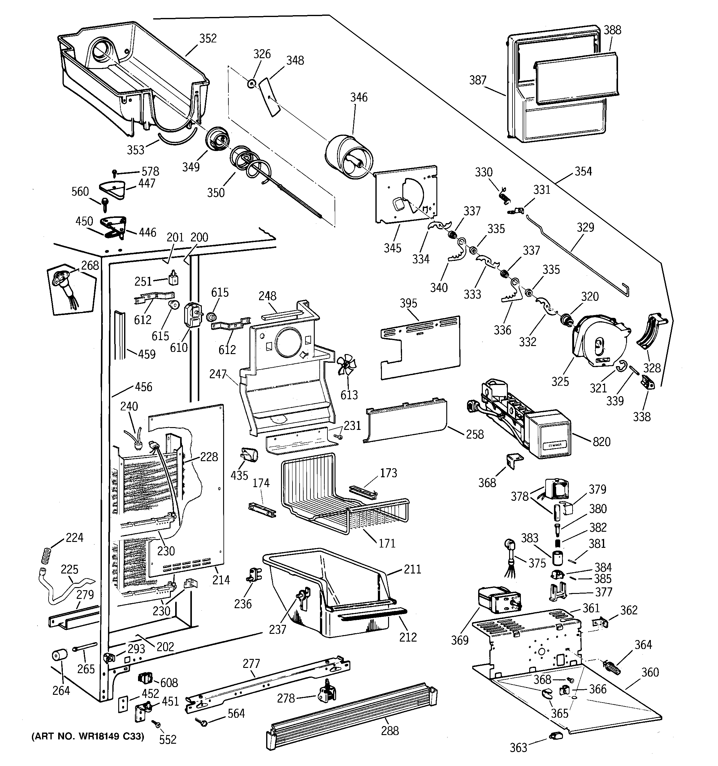
TFT22PRBGAA FREEZER SECTIONadmin2025-04-26T11:58:22+00:00TFT22PRBGAA FREEZER SECTION ProductsPositionProduct171GEN WR71X10148173WR72X10079 GE Refrigerator Right Hand Basket Support Slide174SUPPORT SLIDE BASKET LH200GEN WR40X1741201GEN WR40X1742202GEN WR40X1743211GEN WR21X0183212GEN WR38X1921214GEN WR14X0455214GEN WR01X10064214GEN WR17X4066224GEN WR02X8657225GEN WR01X5042225GEN WR02X10395228WR87X28949 GE Refrigerator Evaporator230WR51X10101 GE Refrigerator Defrost Heater230GEN WR51X10031231GEN WR01X1987231GEN WR17X3666231GEN WR01X2110236GEN WR02X4548237GEN WR02X7036240WR50X122 GE Refrigerator Defrost Bi-metal Thermostat247GEN WR17X3483247GEN WR02X4845248GEN WR14X0272251GEN WR02X2880258GEN WR17X3484264WR2X3594 GE Refrigerator Wheel265GEN WR02X4742265GEN WR02X3595268GEN WR23X0312277GEN WR17X3136278WHEEL ASM FRT279GEN WR17X10437288GEN WR74X0224293GEN WR02X7080320GEN WR01X1585321GEN WR01X1990325WR17X2061 GE Refrigerator Crush Dispenser326GEN WR01X1991328GEN WR02X9164328DEFLECTOR ICE DISP328GEN WR02X4561329GEN WR17X3737330GEN WR02X4145331GEN WR02X9165332GEN WR17X3740333GEN WR17X3741334GEN WR17X3742335GEN WR02X4139336GEN WR17X3739337WR2X4138 GE Refrigerator Spacer338WR2X4140 GE Refrigerator Blade Rest339GEN WR02X4141340GEN WR17X3738345GEN WR17X3728346WR17X4207 GE Refrigerator Front Helix348GEN WR02X7351349WR2X4550 GE Refrigerator Drive Cup350GEN WR17X4341352GEN WR30X0257353WR2X7905 GE Refrigerator Bucket Seal354GEN WR17X4345360GEN WR71X2509361GEN WR71X10195362GEN WR02X9166363GEN WR02X8952364GEN WR02X7310365GEN WR02X4854366GEN WR01X1547368GEN WR02X8459369WR60X10262 GE Refrigerator Motor Crusher Dispenser375GEN WR23X0415377WR2X7309 GE Refrigerator Solenoid Cushion381WR62X23154 GE Refrigerator Ice Dispenser Solenoid Kit382WR62X26536 GE Refrigerator Armature Kit387GEN WR17X10333388WR17X10273 GE Refrigerator Door Ice Storage395GEN WR17X2904435WR2X9391 GE Socket and Terminal435RANGE ONLY 40W 120V APPL BULB446GEN WR13X10055447GEN WR02X8263450GEN WR02X4194451WR13X10020 GE Refrigerator Door Hinge Assembly with Cam452SHIM HINGE BTM.456GEN WR40X1747459GEN WR14X0479552WR01X10600 GE Refrigerator Screw 12-24 Tapping Hex .811 S Z560GEN WR01X2140564GEN WR01X1194578WZ2X464D GE Screw608WR23X427 GE Refrigerator Freezer Light Switch610GEN WR60X0188612GEN WR