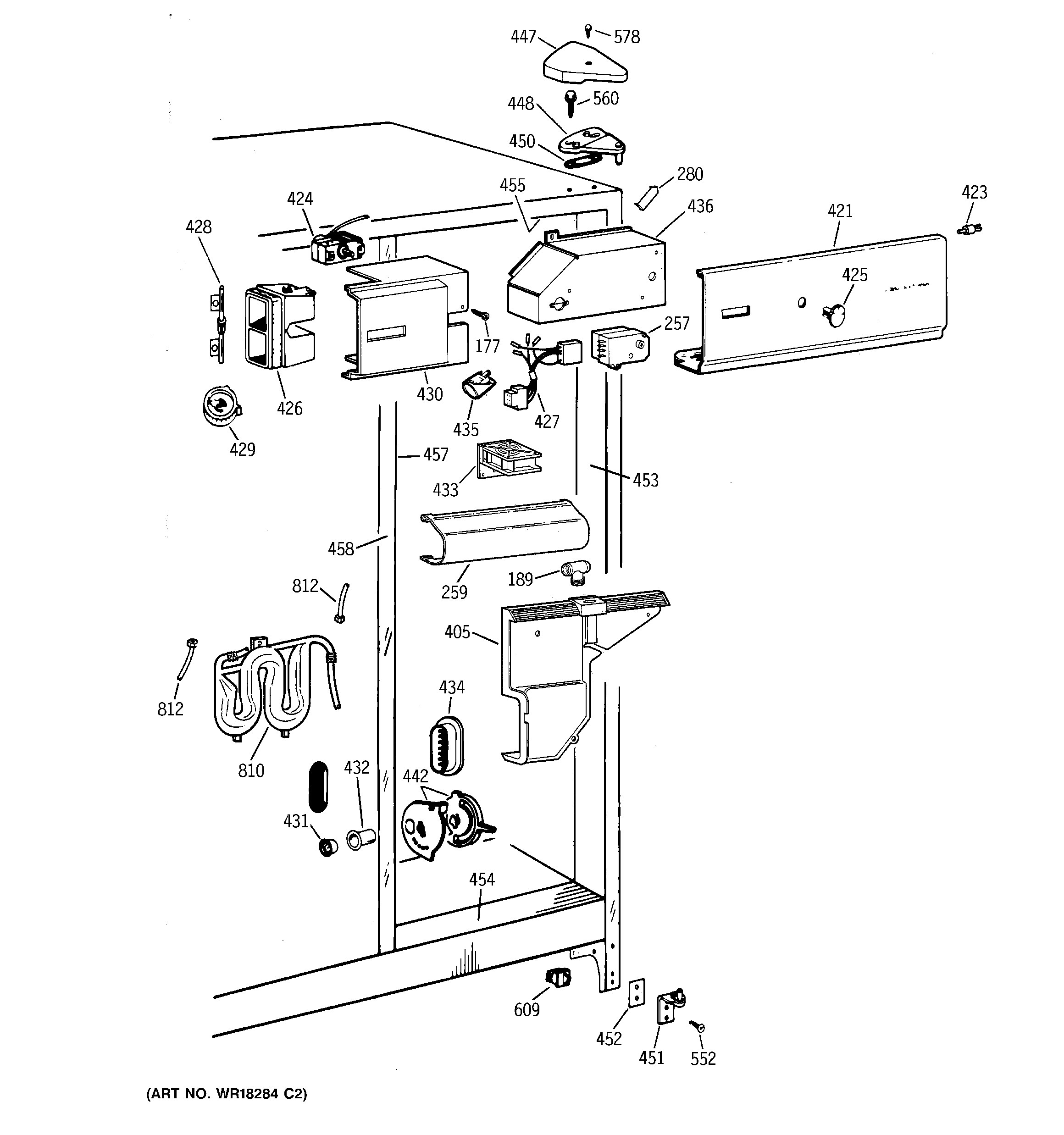
TFT22PRXFAA FRESH FOOD SECTIONadmin2025-04-26T11:59:09+00:00TFT22PRXFAA FRESH FOOD SECTION ProductsPositionProduct177SCREW189GEN WR02X9243257WR9X502 GE Refrigerator Defrost Timer259GEN WR17X4077280GEN WR02X8519405GEN WR17X3890421GEN WR17X4115423GEN WR02X6347424GEN WR09X0570425GEN WR02X9390426GEN WR02X8425426GEN WR02X8514427GEN WR23X0469428GEN WR02X4835429GEN WR02X9380430GEN WR17X2209431WR2X9299 GE Refrigerator Air Duct Cap Mullion432GEN WR02X8654433GEN WR60X0246434GEN WR02X9431435RANGE ONLY 40W 120V APPL BULB435WR2X9391 GE Socket and Terminal436GEN WR02X7736442GEN WR02X9432447GEN WR02X8263448GEN WR13X0743450GEN WR02X4194451WR13X10020 GE Refrigerator Door Hinge Assembly with Cam452GEN WR02X9442453GEN WR40X1744454GEN WR40X1745455GEN WR40X1746457GEN WR40X1748458GEN WR02X9376458GEN WR40X1751458GEN WR02X7033458GEN WR02X4739552WR01X10600 GE Refrigerator Screw 12-24 Tapping Hex .811 S Z560GEN WR01X2140578WZ2X464D GE Screw609WR23X37285 GE Light Switch810WR17X4358 GE Refrigerator Water Tank812WR17X2891 GE Refrigerator 5/16" X 6FT Plastic Water Line Tubing