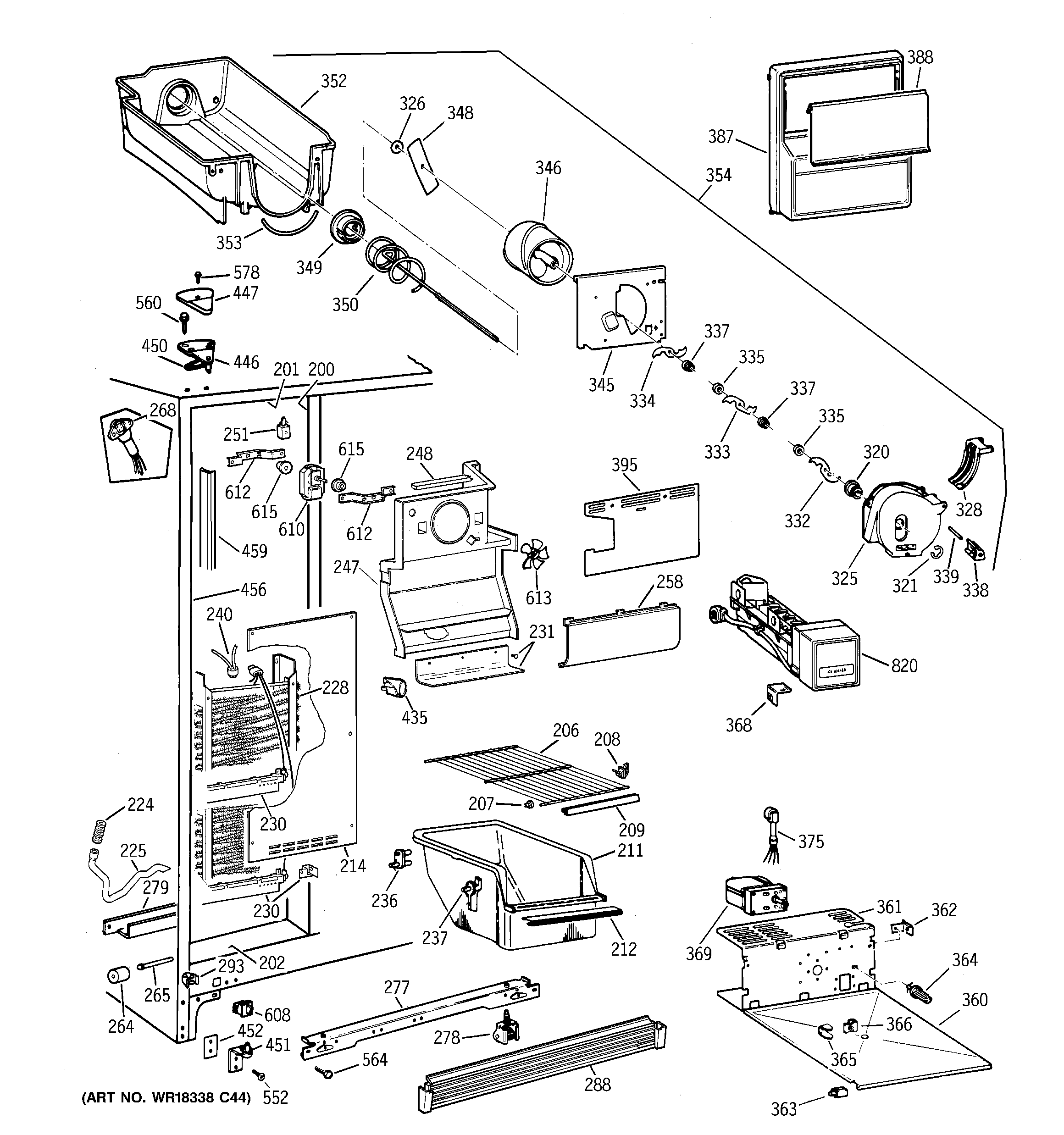
TFT25JWBBWW FREEZER SECTION

TFT25JWBBWW FREEZER SECTION

Products

PositionProduct
200GEN WR40X1730
201GEN WR40X1731
202GEN WR40X1732
206WR71X1936 GE Freezer Wire Shelf
207GEN WR02X4676
208GEN WR02X4674
209GEN WR38X2156
211GEN WR21X0190
212GEN WR38X2155
214GEN WR01X10064
214GEN WR14X0456
214GEN WR17X4091
224GEN WR02X8657
225GEN WR01X5042
225GEN WR02X8293
228WR87X29147 GE Refrigerator 25' Evaporator
230GEN WR02X8647
230WR51X443 GE Refrigerator Defrost Heater with Bi-metal
231GEN WR01X2110
231GEN WR01X1987
231GEN WR17X3651
236GEN WR02X4548
237GEN WR02X7036
240WR50X122 GE Refrigerator Defrost Bi-metal Thermostat
247GEN WR17X3488
247GEN WR02X4845
248GEN WR14X0493
251GEN WR02X2880
258GEN WR17X3489
264WR2X3594 GE Refrigerator Wheel
265GEN WR02X4742
265GEN WR02X3595
268GEN WR23X0312
277GEN WR17X2113
278WHEEL ASM FRT
279GEN WR17X10058
288GEN WR74X0206
293GEN WR02X7080
320GEN WR01X1585
321GEN WR01X1990
325WR17X2061 GE Refrigerator Crush Dispenser
326GEN WR01X1991
328GEN WR02X9164
328GEN WR02X4561
328DEFLECTOR ICE DISP
332GEN WR17X3740
333GEN WR17X3741
334GEN WR17X3742
335GEN WR02X4139
337WR2X4138 GE Refrigerator Spacer
338WR2X4140 GE Refrigerator Blade Rest
339GEN WR02X4141
345GEN WR17X3733
346WR17X4207 GE Refrigerator Front Helix
348GEN WR02X7351
349WR2X4550 GE Refrigerator Drive Cup
350GEN WR17X4341
352WR30X256 GE Refrigerator Ice Dispenser
353WR2X7905 GE Refrigerator Bucket Seal
354GEN WR17X4357
360GEN WR71X2510
360GEN WR02X4566
361GEN WR71X2517
362GEN WR02X9166
363GEN WR02X8952
364GEN WR02X7310
365GEN WR02X4854
366GEN WR01X1547
368GEN WR02X8459
369WR60X10262 GE Refrigerator Motor Crusher Dispenser
375GEN WR23X0416
387GEN WR17X10330
388GEN WR17X10275
395GEN WR17X2905
435WR2X9391 GE Socket and Terminal
435RANGE ONLY 40W 120V APPL BULB
446GEN WR13X0753
447GEN WR02X8825
447GEN WR02X8824
450GEN WR02X4194
451WR13X10020 GE Refrigerator Door Hinge Assembly with Cam
452GEN WR02X7011
456GEN WR40X1733
459GEN WR14X0481
552WR01X10600 GE Refrigerator Screw 12-24 Tapping Hex .811 S Z
560GEN WR01X2140
564GEN WR01X1194
578WZ2X464D GE Screw
608WR23X427 GE Refrigerator Freezer Light Switch
610GEN WR60X0188
612GEN WR02X8549
613WR60X114 GE Refrigerator Evaporator Motor Fan Blade
615GEN WR02X7391
820WR30X10093 GE Refrigerator Ice Maker