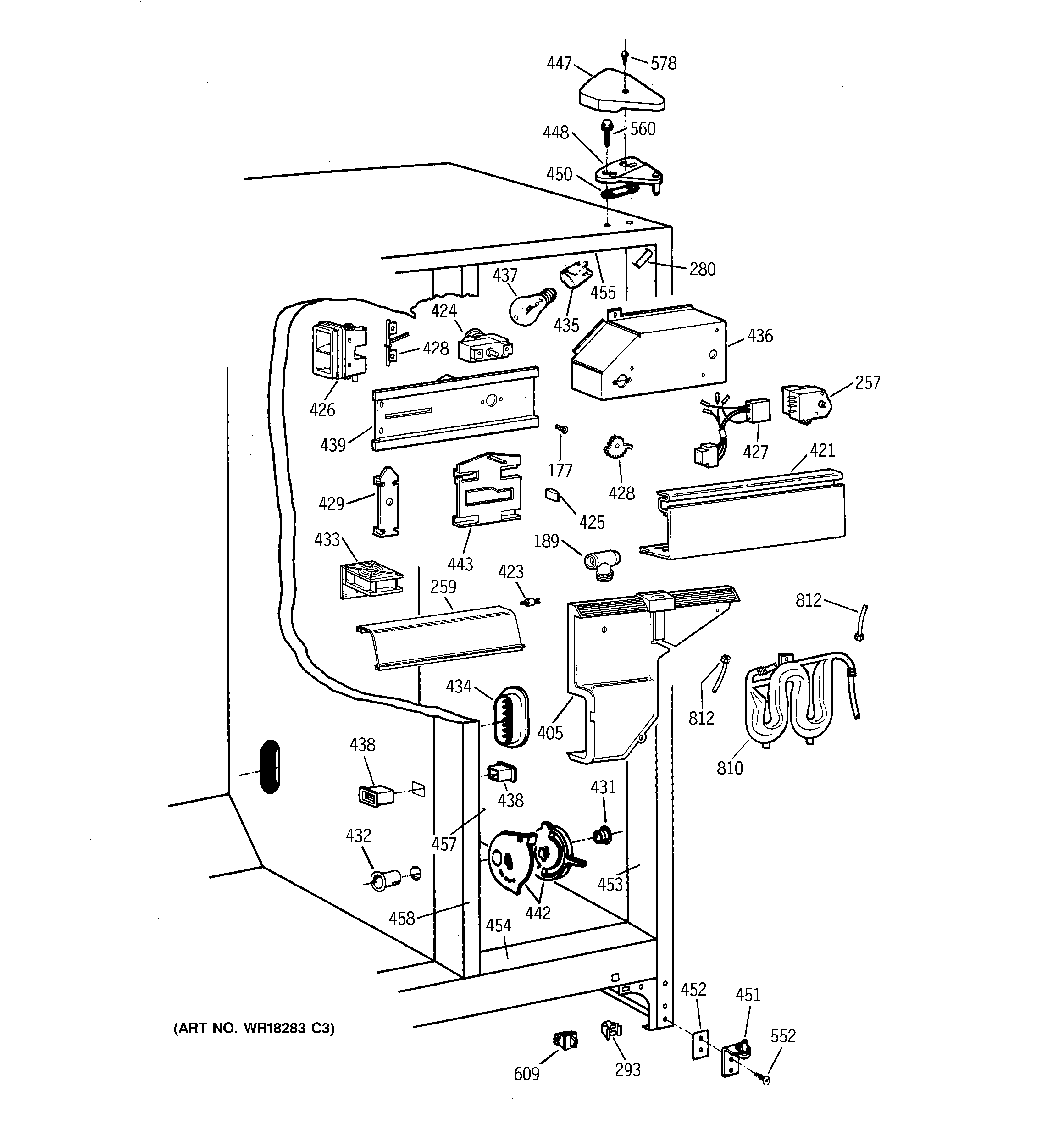
TFT25PRYAAA FRESH FOOD SECTIONadmin2025-04-26T11:57:54+00:00TFT25PRYAAA FRESH FOOD SECTION ProductsPositionProduct177SCREW189GEN WR02X9243257WR9X560 GE Refrigerator Defrost Control259GEN WR17X4077280GEN WR02X8519293GEN WR02X7080405GEN WR17X3890421GEN WR17X4124423GEN WR02X6347424GEN WR09X0583425GEN WR02X8398426GEN WR02X8514426GEN WR02X8425427GEN WR23X0469428GEN WR02X8513428GEN WR02X9396429HOLDER HEATER ELEMENT431WR2X9299 GE Refrigerator Air Duct Cap Mullion432GEN WR02X8654433GEN WR60X0246434GEN WR02X9431435WR2X9391 GE Socket and Terminal436GEN WR02X7736437RANGE ONLY 40W 120V APPL BULB438GEN WR02X8655438GEN WR02X7476439GEN WR17X2922442GEN WR02X9138443GEN WR02X8570447GEN WR02X8844447GEN WR02X8843448GEN WR13X0752450GEN WR02X4194451WR13X10020 GE Refrigerator Door Hinge Assembly with Cam452GEN WR02X9443452NUTSTRIP HINGE452SHIM HINGE BTM.453GEN WR40X1734454GEN WR40X1735455GEN WR40X1736457GEN WR40X1737458GEN WR02X7033458GEN WR40X1740458GEN WR02X4739458GEN WR02X9376552GEN WR01X2078560GEN WR01X2140578WZ2X464D GE Screw609WR23X37285 GE Light Switch810WR17X4358 GE Refrigerator Water Tank812WR17X2891 GE Refrigerator 5/16" X 6FT Plastic Water Line Tubing