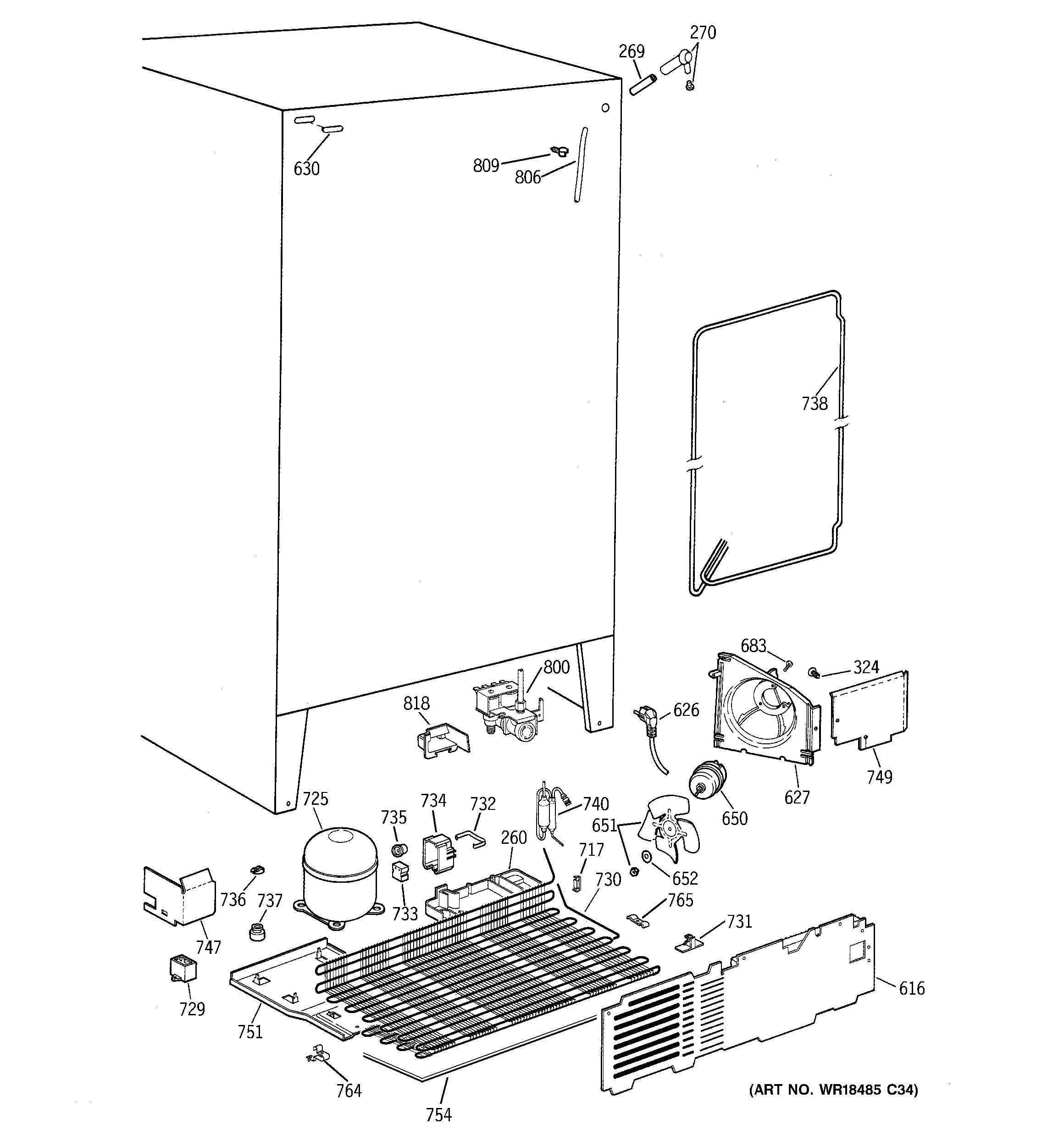
TFT27PRBCAA UNIT PARTS