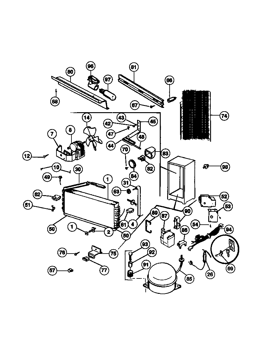
TFU16F7BW1 04 – SYSTEM