| *62085 | WCI 05878556 |
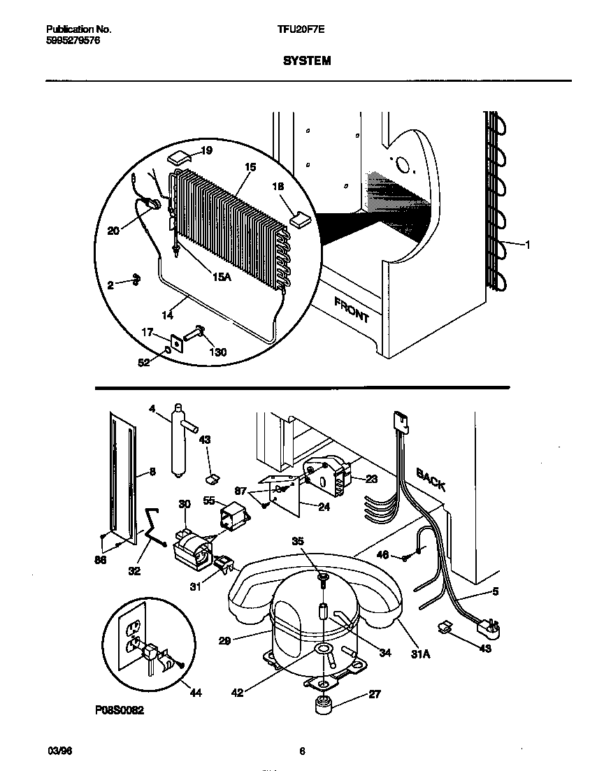
| 1 | 5300083897 Frigidaire Refrigerator Condenser P1 O/S2 |
| 2 | 5308000110 Frigidaire Refrigerator Evaporator/Heater Primary Strap |
| 4 | 5303305677 Frigidaire Replacement Filter Dryer Filters |
| 5 | WCI 216425500 |
| 8 | WCI 216009000 |
| 14 | 216254600 Frigidaire Refrigerator Defrost Heater |
| 15 | WCI 216385200 |
| 15 | WCI 216195900 |
| 17 | WCI 06599546 |
| 18 | WCI 06599531 |
| 19 | WCI 3017674 |
| 20 | WCI 216254500 |
| 23 | 5304518034 Frigidaire Refrigerator Defrost Timer |
| 24 | WCI 08016580 |
| 27 | 216498900 Frigidaire Refrigerator Grommet |
| 29 | 5304475102 Frigidaire Refrigerator Compressor Kit |
| 30 | WCI 216008900 |
| 31 | 5304428401 Frigidaire Refrigerator Pan Kit |
| 31 | WCI 216100100 |
| 32 | WCI 215012000 |
| 34 | SLEEVE-COMPRESSOR |
| 35 | SCREW, LND HEX SEMS, 1/4-28 UNFX, COMPRESSOR |
| 42 | SPACER, COMPRESSOR |
| 43 | 5303212614 Frigidaire Refrigerator Clip |
| 44 | RETAINER POWER CORD (NOT ORIGINAL EQUIPMENT. CUSTOMER PU |
| 46 | WCI 08037851 |
| 52 | WCI 08013198 |
| 55 | 5304464438 Frigidaire Compressor Run Capacitor |
| 86 | 216036601 Frigidaire Refrigerator Screw |
| 87 | SCREW |
| 130 | WCI 06599544 |