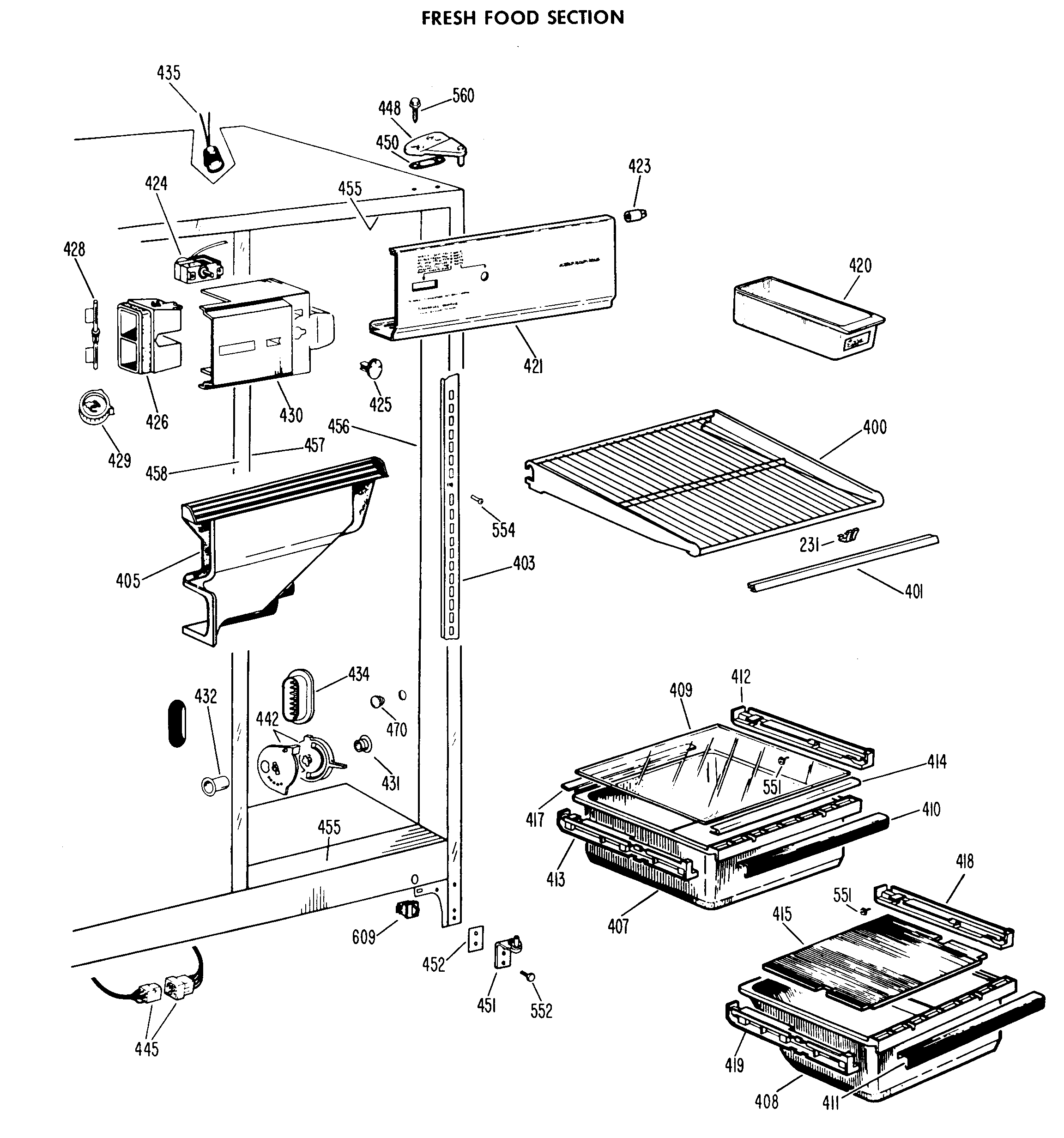
TFX20DFB FRESH FOOD SECTIONadmin2025-04-26T10:45:27+00:00TFX20DFB FRESH FOOD SECTION ProductsPositionProduct230BRACKET DEF HTR231GEN WR02X4944400GEN WR71X1657401GEN WR38X1026403TRACK CANT SHELF405GEN WR17X1382405GEN WR14X0264407PAN VEG.408PAN MEAT409GEN WR32X0654410GEN WR17X1559411HANDLE PAN MEAT412SLIDE PAN413SLIDE PAN414GEN WR14X5111415COVER PAN417GEN WR14X5108418SLIDE PAN-R. SIDE419SLIDE PAN-L. SIDE420GEN WR32X0653421GEN WR17X1926423GEN WR02X6350423GEN WR02X6347424GEN WR09X0359425GEN WR02X7157426GEN WR02X3880426GASKET FOAM426GEN WR02X4834428GEN WR02X4835429GEN WR02X7156430HOUSING CONT431CAP MULLION DUCT432GEN WR02X3886434GEN WR02X4542435SOCKET LAMP442GEN WR02X7035445R-E-D SERVICE PKG.448HINGE TOP ASM450GEN WR02X4194451WR49X5124 GE Refrigerator Hinge and Cam Assembly455BREAKER STRIP-TOP & BTM.456RETAINER BREAKER456RETAINER BREAKER456RETAINER BREAKER456BREAKER STRIP-HINGE SIDE457BREAKER STRIP-FF MULLION458GEN WR40X1576551GEN WZ04X0244552SCR 12-24 TT HXW 1 3/64S554GEN WR01X1483560GEN WR01X1249609WR23X37285 GE Light Switch687GEN WZ05X0194