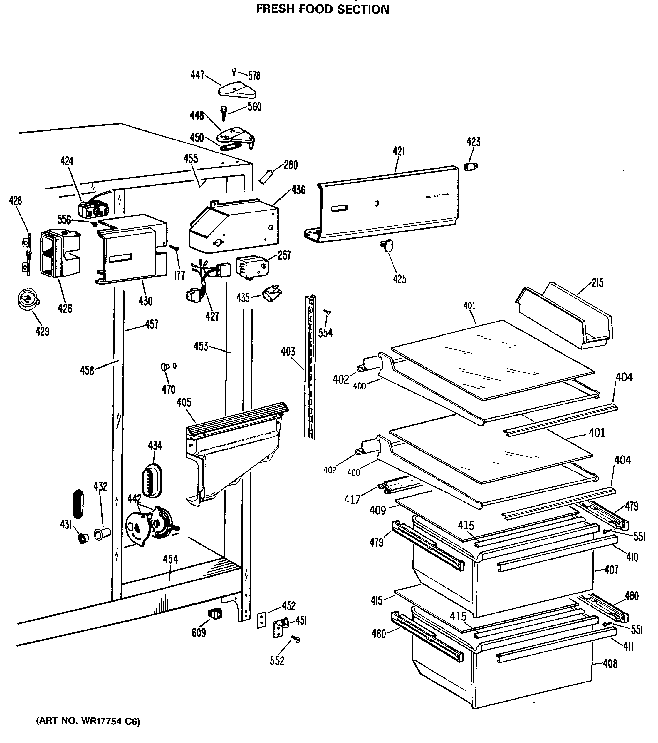
TFX20JASAAD FRESH FOOD SECTION