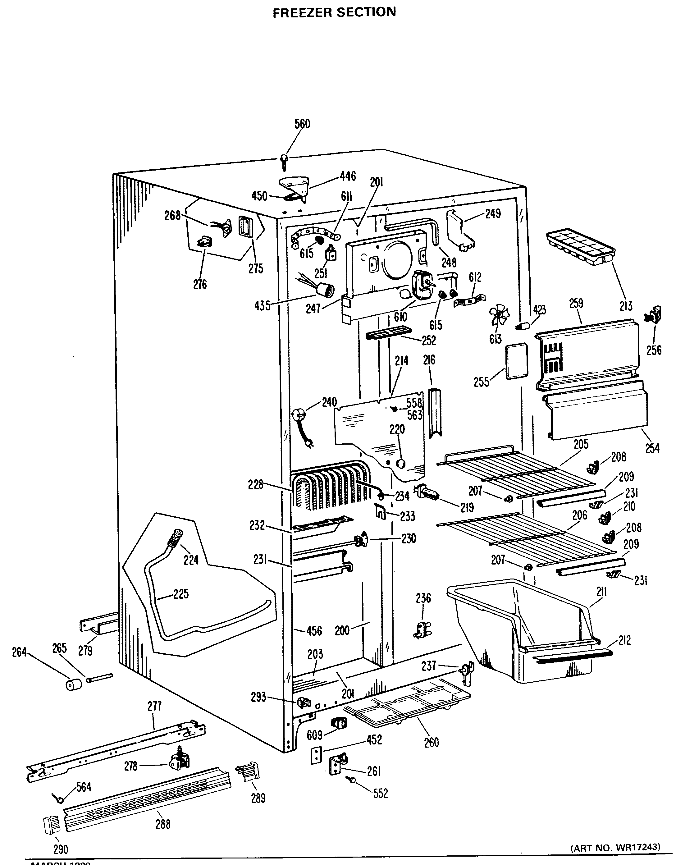
TFX20KLB FREEZER SECTION

TFX20KLB FREEZER SECTION