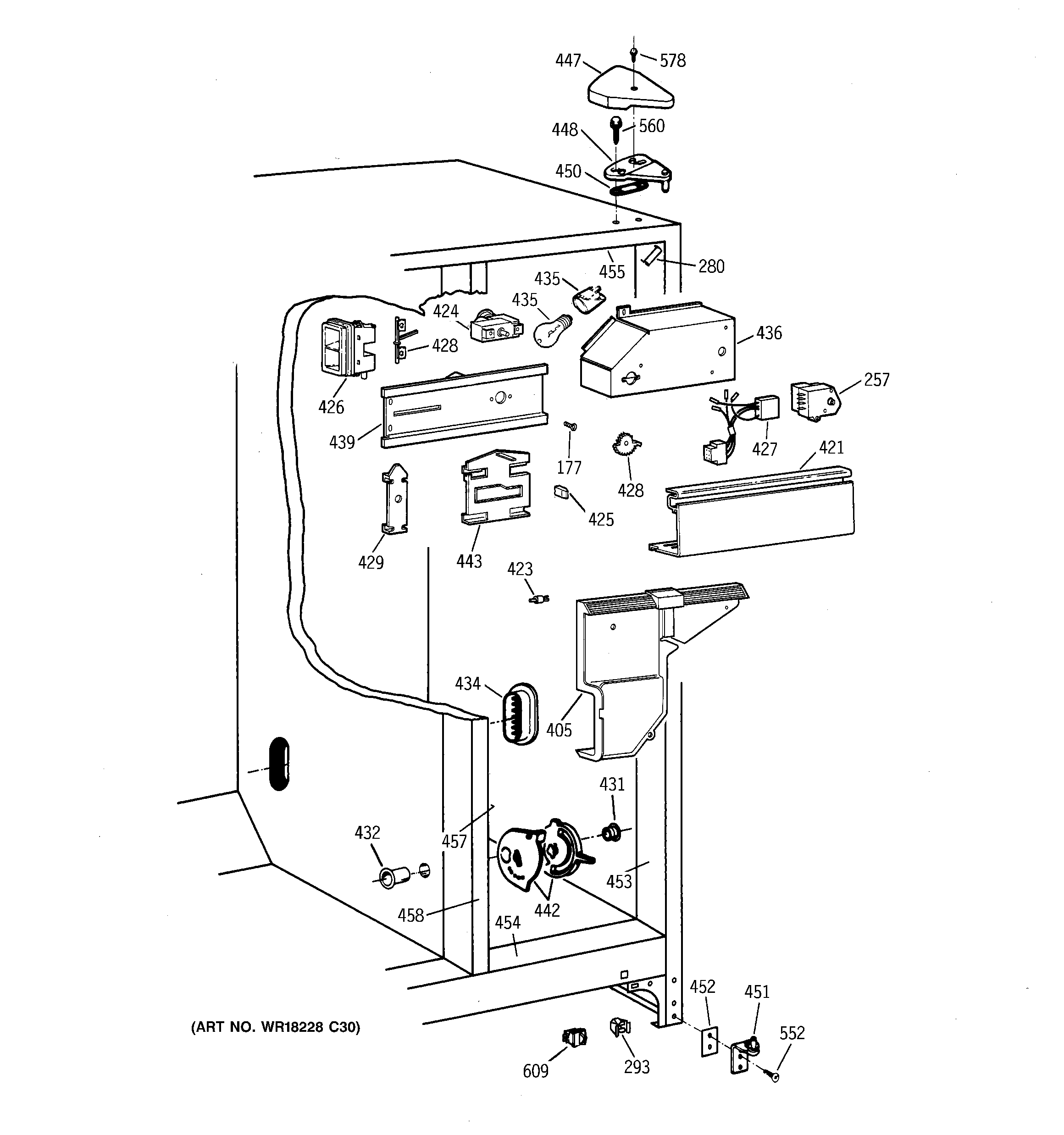
TFX20SABCWW FRESH FOOD SECTIONadmin2025-04-26T10:48:06+00:00TFX20SABCWW FRESH FOOD SECTION ProductsPositionProduct177SCREW257DEFROST TIMER280GEN WR02X8518293GEN WR02X7080400GEN WR71X2348401GEN WR38X2173403GEN WR72X0255407GEN WR32X1045408GEN WR32X1169409GEN WR32X1340410GEN WR17X3997414GEN WR14X0444415GEN WR32X1105417GEN WR14X10031421GEN WR17X10225423GEN WR02X10050424GEN WR09X0570425GEN WR02X8398426GEN WR02X8425426GEN WR02X8514427GEN WR23X0316428GEN WR02X8513428GEN WR02X8582429HOLDER HEATER ELEMENT431WR2X9299 GE Refrigerator Air Duct Cap Mullion432GEN WR02X8654434GEN WR02X9431435RANGE ONLY 40W 120V APPL BULB435WR2X9391 GE Socket and Terminal436GEN WR02X7736439GEN WR17X2922442GEN WR02X9355443GEN WR02X8570447GEN WR02X8262448GEN WR13X0646450GEN WR02X4194451WR13X10020 GE Refrigerator Door Hinge Assembly with Cam453GEN WR40X1757454GEN WR40X1758455GEN WR40X1759457GEN WR40X1748458GEN WR02X9376458GEN WR40X1749458GEN WR02X10334479GEN WR72X10009479GEN WR72X10010480GEN WR72X10007480GEN WR72X10008551GEN WZ04X0244552WR01X10600 GE Refrigerator Screw 12-24 Tapping Hex .811 S Z554WR01X10601 GE Refrigerator Screw 10-24 TT IHXW560GEN WR01X2140578WZ2X464D GE Screw609WR23X37285 GE Light Switch