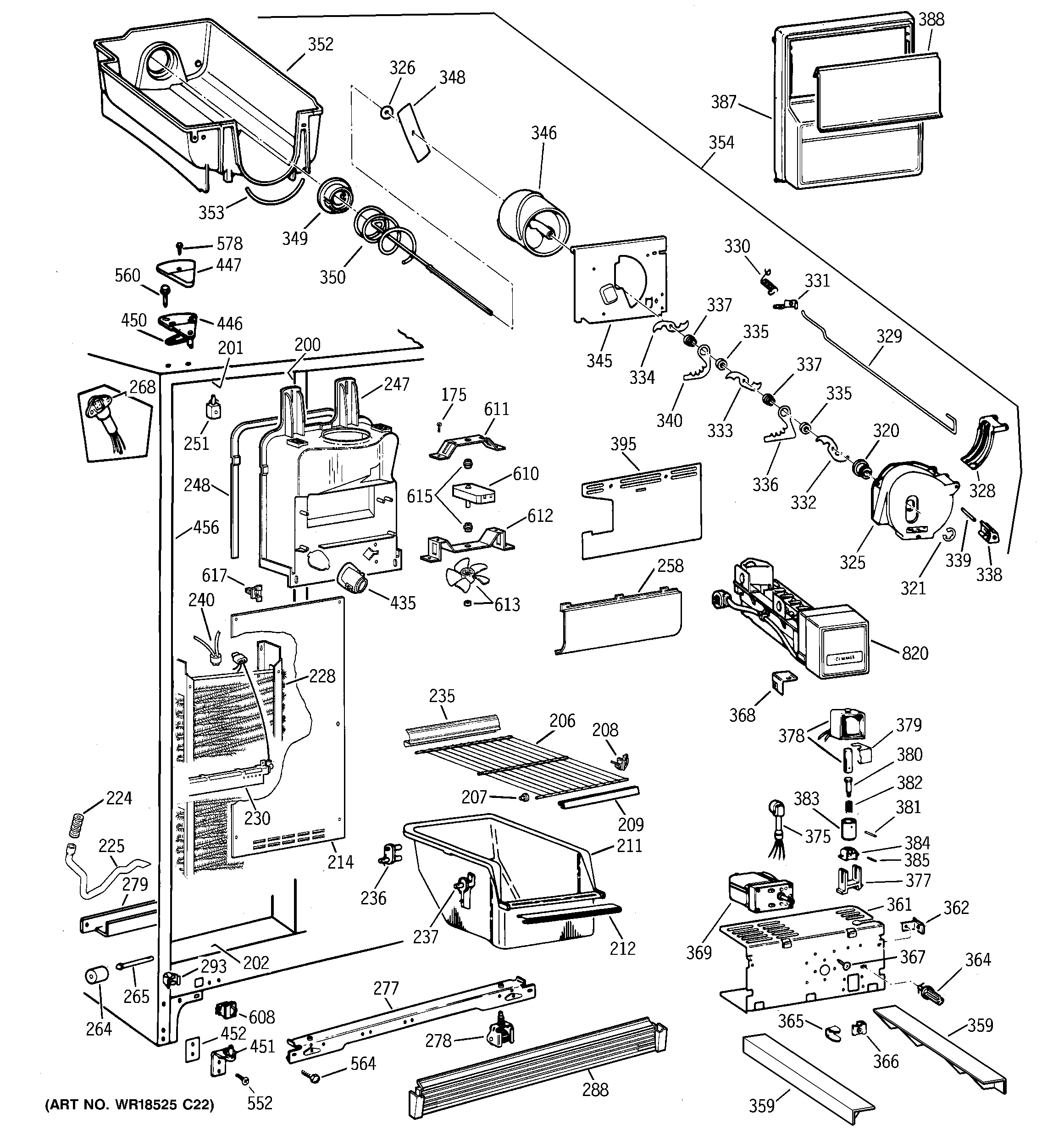
TFX22CRDAWW FREEZER SECTIONadmin2025-04-26T10:49:01+00:00TFX22CRDAWW FREEZER SECTION ProductsPositionProduct175WR01X10652 GE Refrigerator Screw 8-18 AB IHW 5/8 S200GEN WR40X1741201GEN WR40X1742202GEN WR40X1743206GEN WR71X1888207GEN WR02X4676208GEN WR02X4674209GEN WR38X2151211GEN WR21X0188212GEN WR38X2149214GEN WR01X10064214GEN WR14X0455214GEN WR17X3919224GEN WR02X8657225GEN WR02X10395225GEN WR01X5042228WR87X28949 GE Refrigerator Evaporator230WR51X10101 GE Refrigerator Defrost Heater230GEN WR51X10031235GEN WR38X2180236GEN WR02X4548237GEN WR02X7036240WR50X122 GE Refrigerator Defrost Bi-metal Thermostat247GEN WR17X10226248GEN WR14X0493251GEN WR02X2880258GEN WR17X3484264WR2X3594 GE Refrigerator Wheel265GEN WR02X4742265GEN WR02X3595268GEN WR23X0312277GEN WR17X3136278WHEEL ASM FRT279GEN WR17X10437288GEN WR74X0217293GEN WR02X7080320GEN WR01X1585321WR1X1367D GE Refrigerator Return Package 12325WR17X2061 GE Refrigerator Crush Dispenser326GEN WR01X1366328DEFLECTOR ICE DISP328WR2X4143 GE Refrigerator Pivot328GEN WR02X4561329WIRE ACTUATOR DISP330GEN WR02X4145331GEN WR02X4251332WR17X1361 GE Refrigerator Blades Moving Display333WR17X1362 GE Refrigerator Middle Blade334WR17X1363 GE Refrigerator Blades Moving Display335GEN WR02X4139336GEN WR17X1009337WR2X4138 GE Refrigerator Spacer338WR2X4140 GE Refrigerator Blade Rest339GEN WR02X4141340WR17X2058 GE Refrigerator Dispenser Blade345GEN WR17X2760346WR17X4207 GE Refrigerator Front Helix348GEN WR02X7351349WR2X4550 GE Refrigerator Drive Cup350GEN WR17X4309352GEN WR30X0257353WR2X7905 GE Refrigerator Bucket Seal354WR17X4310 GE Ice Bucket and Auger Assembly359GEN WR71X10196359GEN WR71X10197361GEN WR17X10518362GEN WR02X8839364GEN WR02X7310365GEN WR02X4854366GEN WR01X1547367WR01X10618 GE Refrigerator Screw 8-18 TPT 1/4368GEN WR02X8459369WR60X10262 GE Refrigerator Motor Crusher Dispenser375GEN WR23X10059377WR2X7309 GE Refrigerator Solenoid Cushion381WR62X23154 GE Refrigerator Ice Dispenser Solenoid Kit382WR62X26536 GE Refrigerator Armature Kit387GEN WR17X10375388WR17X10273 GE Refrigerator Door Ice Storage395GEN WR17X10220435RANGE ONLY 40W 120V APPL BULB435WR2X9391 GE Socket and Terminal446GEN WR13X0647447GEN WR02X8262450GEN WR02X4194451WR13X10020 GE Refrigerator Door Hinge Assembly with Cam452SHIM HINGE BTM.456GEN WR40X1747552WR01X10600 GE Refrigerator Screw 12-24 Tapping Hex .811 S Z560GEN WR01X2140564GEN WR01X1194578WZ2X464D GE Screw608WR23X427 GE Refrigerator Freezer Light Switch610WR60X10008 GE Refrigerator Evaporator Fan Motor611GEN WR0