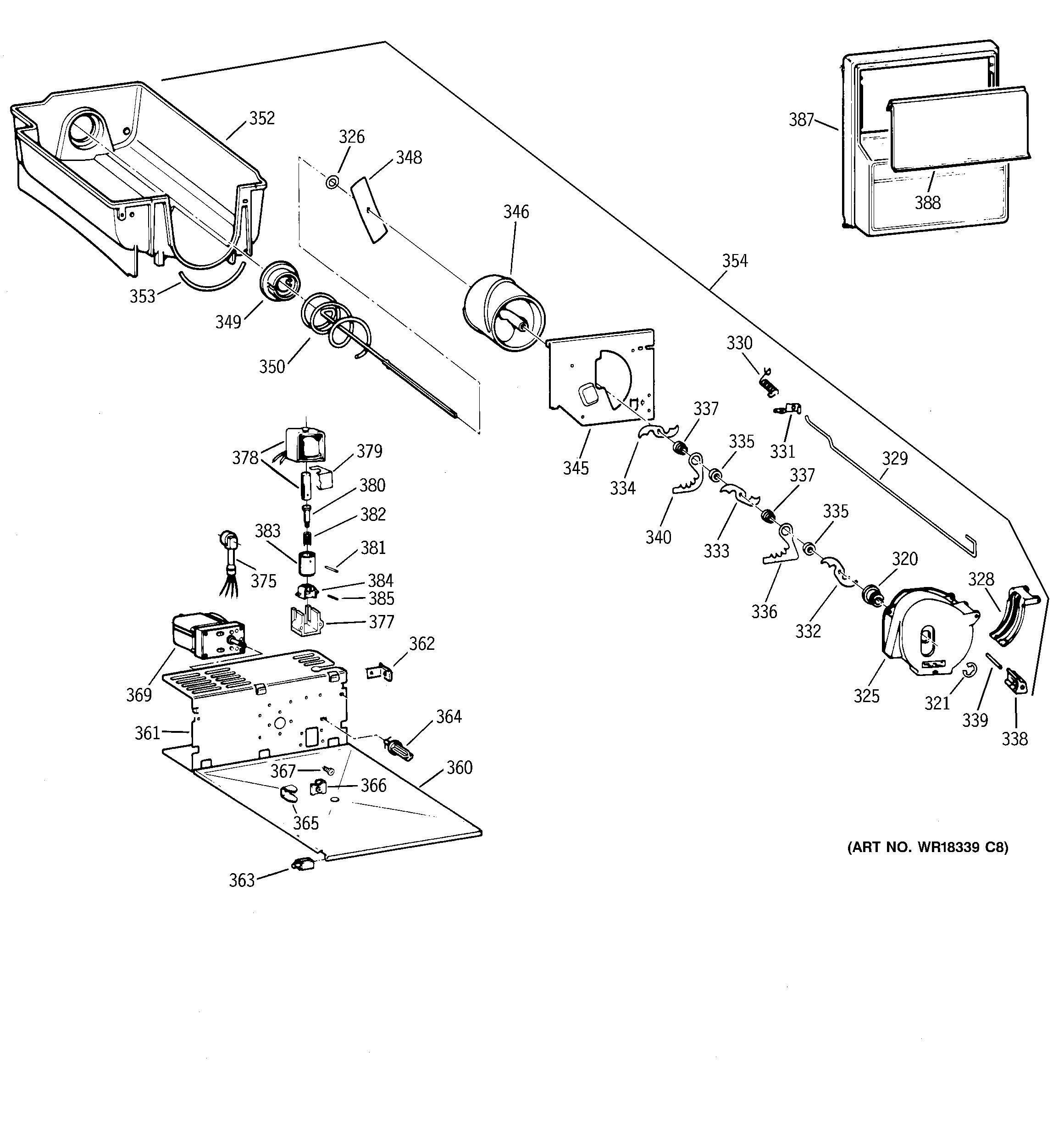
TFX22GRBEWW ICE BUCKET