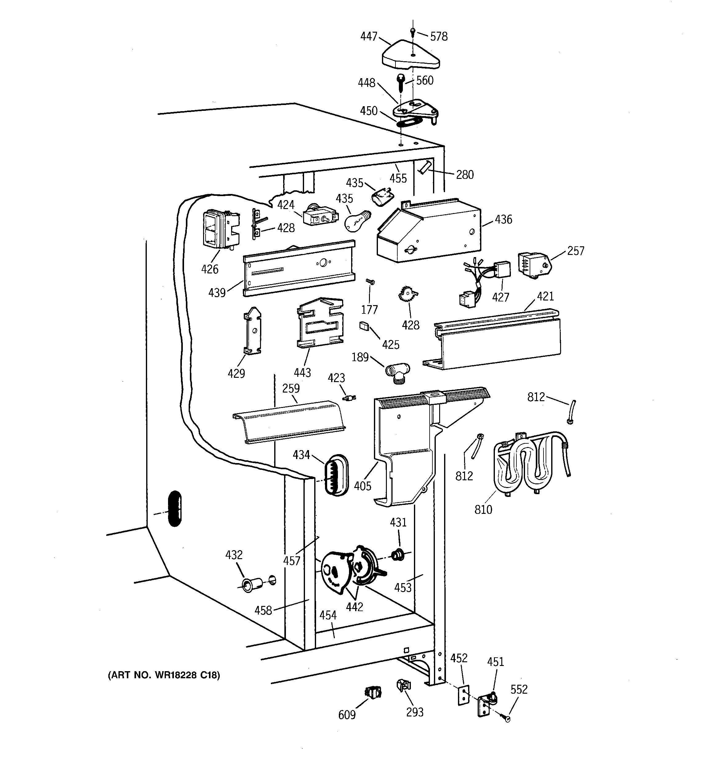
TFX22PRXFWW FRESH FOOD SECTION