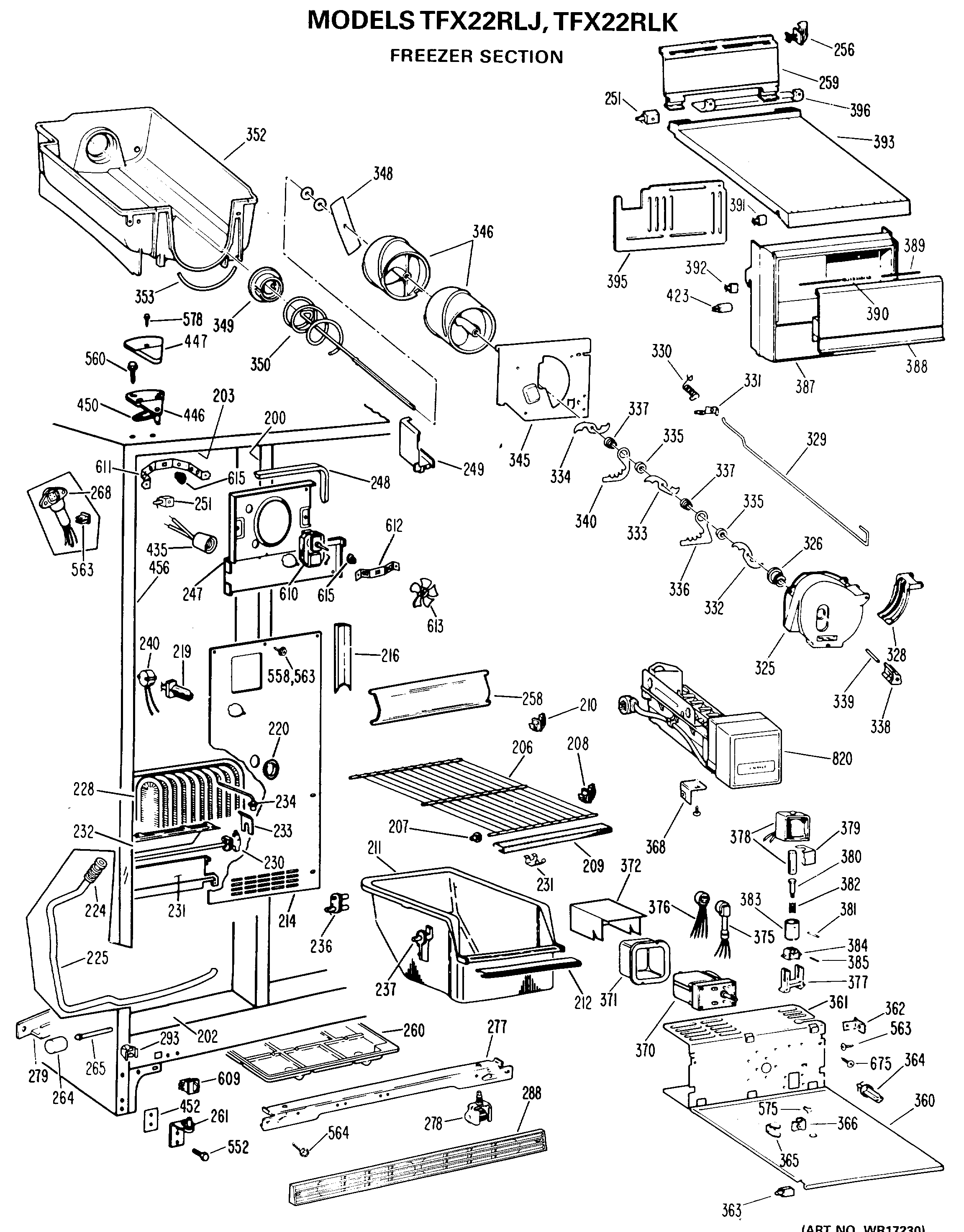
TFX22RLJ FREEZER SECTION

TFX22RLJ FREEZER SECTION

Products

PositionProduct
200GEN WR40X1641
202GEN WR40X1630
203GEN WR40X1636
206GEN WR71X1888
207GEN WR02X4676
208GEN WR02X4674
210GEN WR02X7215
211GEN WR21X0168
212GEN WR17X2492
214COVER EVAP
216GEN WR14X0274
219GEN WR02X4421
220GEN WR02X7926
224GEN WR02X4967
225GEN WR02X7845
225GEN WR02X4838
228GEN WR02X4983
228GEN WR85X0200
228GEN WR02X4982
230BRACKET DEF HTR
230GEN WR51X0231
230SHIELD DEF HTR END
231GEN WR02X4944
232GEN WR02X4971
234GEN WR02X4546
236GEN WR02X4548
237GEN WR02X7036
240WR50X55 GE Refrigerator Defrost Thermostat 55 Degree with Clip
247GEN WR17X1413
248GEN WR14X0272
251GEN WR02X2880
256GEN WR02X4839
258GEN WR17X1407
259GEN WR17X2489
260GEN WR32X0963
261WR13X10020 GE Refrigerator Door Hinge Assembly with Cam
264WR2X3594 GE Refrigerator Wheel
265GEN WR02X3598
265GEN WR02X4742
268GEN WR23X0312
277GEN WR17X2119
278WHEEL ASM FRT
279GEN WR17X2343
288GEN WR74X0200
293GEN WR02X7080
325WR17X2061 GE Refrigerator Crush Dispenser
326GEN WR01X1585
326WR1X1367D GE Refrigerator Return Package 12
326GEN WR01X1366
328WR2X4143 GE Refrigerator Pivot
328GEN WR02X4561
328DEFLECTOR ICE DISP
329WIRE ACTUATOR DISP
330GEN WR02X4145
331GEN WR02X4251
332WR17X1361 GE Refrigerator Blades Moving Display
333WR17X1362 GE Refrigerator Middle Blade
334WR17X1363 GE Refrigerator Blades Moving Display
335GEN WR02X4139
336GEN WR17X1009
337WR2X4138 GE Refrigerator Spacer
339GEN WR02X4141
340WR17X2058 GE Refrigerator Dispenser Blade
345GEN WR17X2068
346HELIX REAR-DISP
346HELIX FRONT-DISP
348GEN WR02X7351
349WR2X4550 GE Refrigerator Drive Cup
350GEN WR17X2054
352GEN WR30X0257
353WR2X7905 GE Refrigerator Bucket Seal
360GEN WR71X1883
360GEN WR02X4566
361GEN WR71X1734
362GEN WR02X7959
363GEN WR02X4465
364GEN WR02X7310
365GEN WR02X4854
366GEN WR01X1547
368GEN WR02X7311
370MOTOR AUGER DISP
370WR01X10618 GE Refrigerator Screw 8-18 TPT 1/4
371GEN WR17X1062
372WR02X11295 GE Refrigerator Auger Motor Boot
372GEN WR02X4782
375GEN WR23X0194
376GEN WR23X0189
377WR2X7309 GE Refrigerator Solenoid Cushion
381WR62X23154 GE Refrigerator Ice Dispenser Solenoid Kit
382WR62X26536 GE Refrigerator Armature Kit
387GEN WR17X2477
388GEN WR22X0395
389GEN WR02X4262
389GEN WR02X3983
390GEN WR02X3967
391SHIM HINGE BTM.