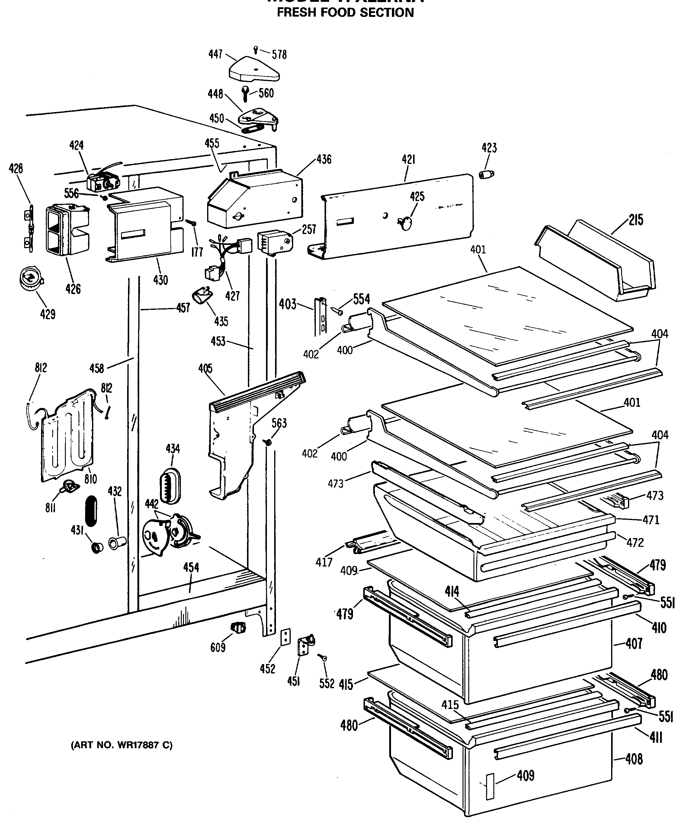
TFX22RNA FRESH FOOD SECTION