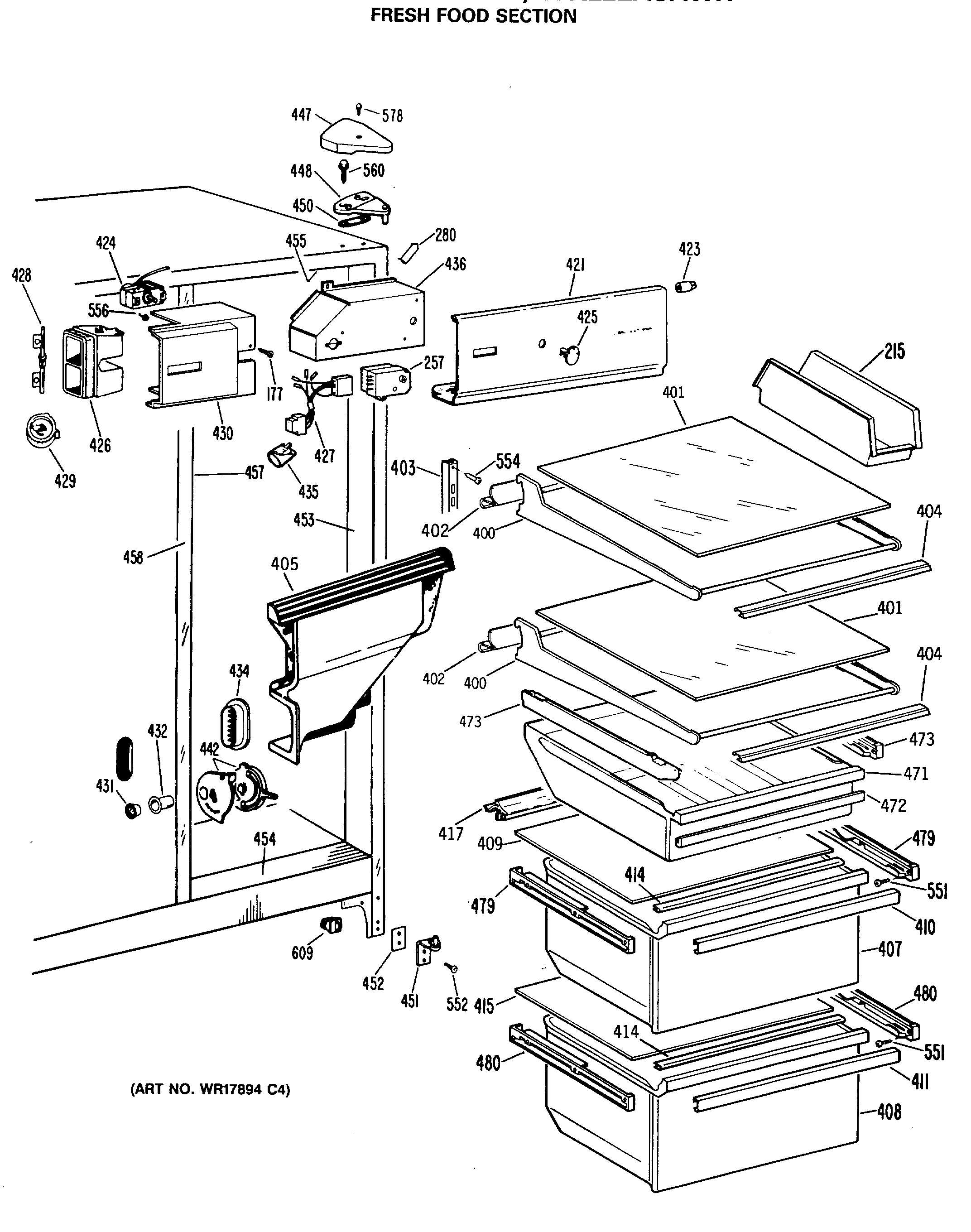
TFX22ZASAAD FRESH FOOD SECTIONadmin2025-04-26T10:41:29+00:00TFX22ZASAAD FRESH FOOD SECTION ProductsPositionProduct177SCREW215GEN WR32X1299215GEN WR32X0897257DEFROST TIMER280GEN WR02X8519400GEN WR71X2292401GEN WR32X1346402GEN WR38X1928403GEN WR71X2124404GEN WR38X1929405GEN WR17X1523405GEN WR14X0264407GEN WR32X1277408GEN WR32X1278409GEN WR32X1264410GEN WR17X2960411GEN WR17X2961414GEN WR14X0406417GEN WR02X7359421GEN WR17X2971423GEN WR02X6347423GEN WR02X6350424GEN WR09X0499425GEN WR02X8555426GEN WR14X0369426GEN WR02X8514426GEN WR02X8425427GEN WR23X0316428GEN WR02X4835429GEN WR02X8553430GEN WR17X2209431GEN WR02X8722432GEN WR02X8654434GEN WR02X8653435WR2X9391 GE Socket and Terminal435RANGE ONLY 40W 120V APPL BULB436GEN WR02X7736442GEN WR02X8651447GEN WR02X7729448GEN WR13X0646450GEN WR02X4194451WR13X10020 GE Refrigerator Door Hinge Assembly with Cam452NUTSTRIP HINGE453GEN WR40X1679454GEN WR40X1678455GEN WR40X1680457GEN WR40X1672458GEN WR02X8721458GEN WR40X1676458GEN WR02X7033458GEN WR02X4739471GEN WR32X1348471WR2X8349 GE Screw Grommet472GEN WR38X1761473GEN WR72X0211473GEN WR72X0210479GEN WR72X0206479WR72X207 GE Refrigerator Left Hand Slide Assembly479GEN WR72X0230480GEN WR72X0209480GEN WR72X0208551GEN WZ04X0244552SCR 12-24 TT HXW 1 3/64S554GEN WR01X1483560GEN WR01X1806578WZ2X464D GE Screw609WR23X37285 GE Light Switch