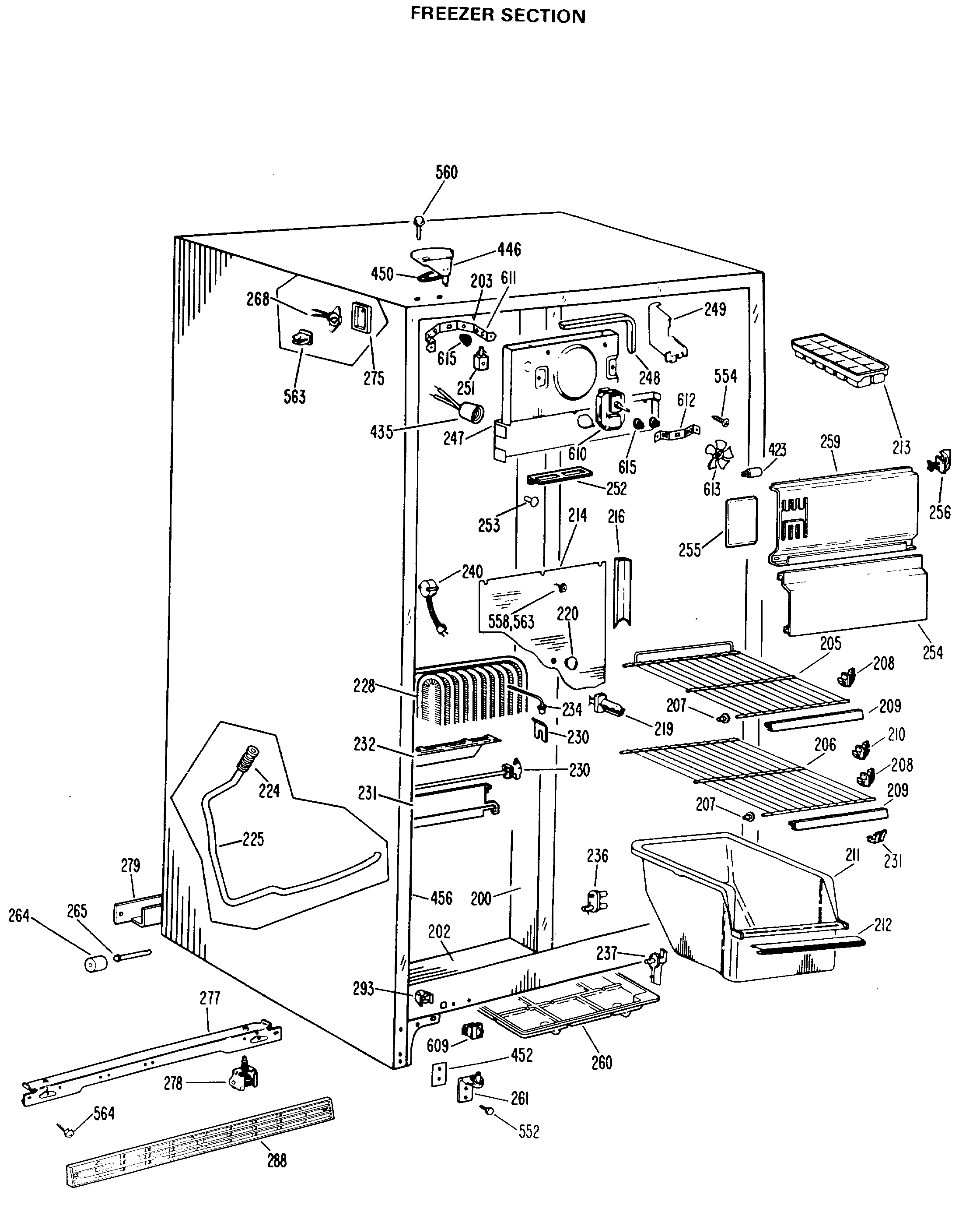
TFX22ZLJ FREEZER SECTION