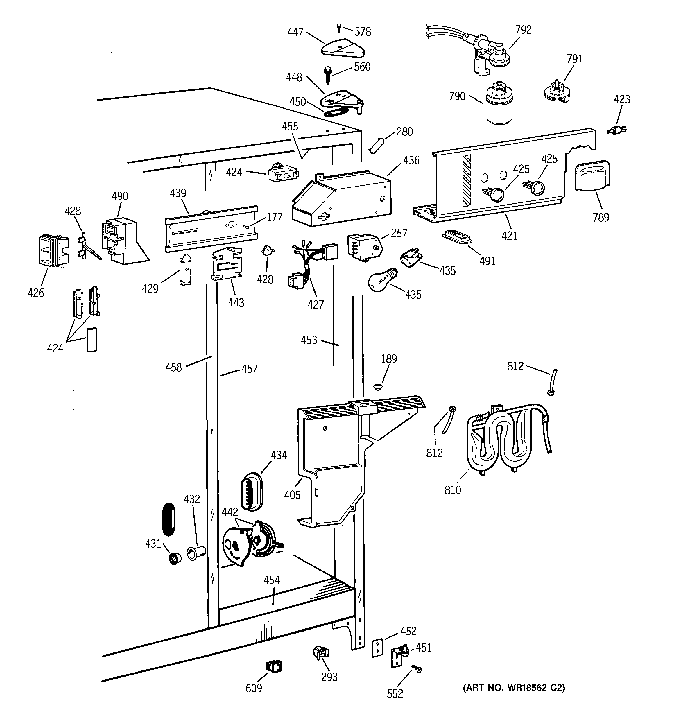
TFX22ZPBBBB FRESH FOOD SECTIONadmin2025-04-26T10:41:53+00:00TFX22ZPBBBB FRESH FOOD SECTION ProductsPositionProduct177SCREW189GEN WR01X2115257DEFROST TIMER280GEN WR02X8524293GEN WR02X7080405GEN WR17X3890421GEN WR17X10251421GEN WR14X0433423GEN WR02X10050424GEN WR02X10115424GEN WR02X10117424GEN WR02X10116424GEN WR09X10016425GEN WR02X8398426GEN WR02X8514426GEN WR02X8425427GEN WR23X0316428GEN WR02X8513428GEN WR02X10113429HOLDER HEATER ELEMENT431WR2X9299 GE Refrigerator Air Duct Cap Mullion432GEN WR02X8654434GEN WR02X9431435WR2X9391 GE Socket and Terminal435RANGE ONLY 40W 120V APPL BULB436GEN WR02X7736439GEN WR17X2922442GEN WR17X10060443GEN WR02X8570447GEN WR02X8523448GEN WR13X0646450GEN WR02X4194451WR13X10020 GE Refrigerator Door Hinge Assembly with Cam452GEN WR02X9442453GEN WR40X1744454GEN WR40X1745455GEN WR40X1746457GEN WR40X1748458GEN WR40X1750458GEN WR02X9376458GEN WR02X7033458GEN WR02X4739490GEN WR02X10114491GEN WR17X10250552WR01X10600 GE Refrigerator Screw 12-24 Tapping Hex .811 S Z560GEN WR01X2140578WZ2X464D GE Screw609WR23X37285 GE Light Switch789GEN WR17X10132790MWFP GE Replacement Water Filter Pureline for Refrigerator791GEN WR02X10049792GEN WR17X10237810WR17X4358 GE Refrigerator Water Tank812WR17X2891 GE Refrigerator 5/16" X 6FT Plastic Water Line Tubing