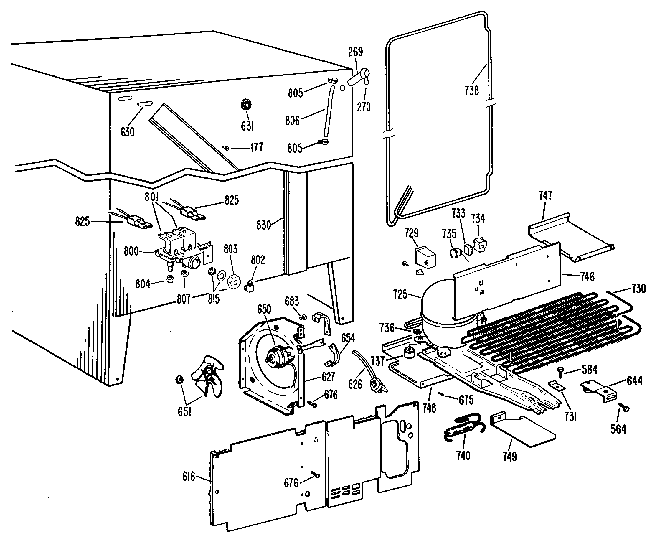
| 177 | SCREW |
| 269 | GEN WR01X1543 |
| 269 | GEN WR02X6087 |
| 270 | WR2X8474 GE Fill Tube |
| 564 | GEN WR01X1194 |
| 616 | GEN WR82X0286 |
| 626 | WR1X5278 GE Refrigerator Cable Clamp |
| 626 | WR23X10300 GE Refrigerator Power Cord Assembly |
| 627 | BAFFLE AIR COND FAN |
| 630 | WR2X4097 GE Button Plug |
| 631 | GEN WR02X4829 |
| 631 | GEN WR02X4968 |
| 644 | TONGUE ASM |
| 644 | GEN WR02X2375 |
| 650 | WR60X187 GE Refrigerator Condenser Fan Motor |
| 651 | GEN WR01X1515 |
| 651 | WASHER COND MTR |
| 651 | GEN WR60X0117 |
| 654 | GEN WR02X7106 |
| 683 | SCREW FAN MTR/BRKT |
| 725 | WR87X10082 GE Refrigerator Compressor Replacement Kit |
| 729 | WR55X24064 GE Refrigerator Run Capacitor |
| 730 | GEN WR84X0135 |
| 731 | GEN WR02X4850 |
| 733 | GEN WR07X0198 |
| 734 | CLAMP RELAY COVER |
| 734 | COVER RELAY |
| 735 | GUARDETTE ASM. |
| 735 | GEN WR02X7227 |
| 736 | GEN WR02X8203 |
| 737 | GEN WR02X7238 |
| 738 | WR2X7064 GE Refrigerator Condenser Clip |
| 738 | GEN WR84X0046 |
| 740 | WR86X25269 GE Refrigerator R134 Dryer |
| 746 | GEN WR14X0313 |
| 746 | GEN WR17X2006 |
| 747 | GEN WR17X2331 |
| 748 | BAFFLE COMP. FLR. |
| 749 | GEN WR17X2338 |
| 800 | WR57X10051 GE Refrigerator Water Valve Kit |
| 801 | GEN WR62X0044 |
| 801 | COIL ASM-WATER(BLUE) |
| 802 | ELBOW |
| 803 | NUT-VALVE INLET |
| 803 | WASHER-NUT |
| 804 | INSERT 5/16 |
| 804 | WR57X57 GE Refrigerator Nut |
| 806 | WR17X11349 GE Refrigerator Plastic Tube |
| 807 | WR02X11330 GE Refrigerator 5/16 Union Water Line Connector |
| 815 | GEN WR57X0073 |
| 825 | GEN WR23X0305 |
| 830 | GEN WR17X2602 |