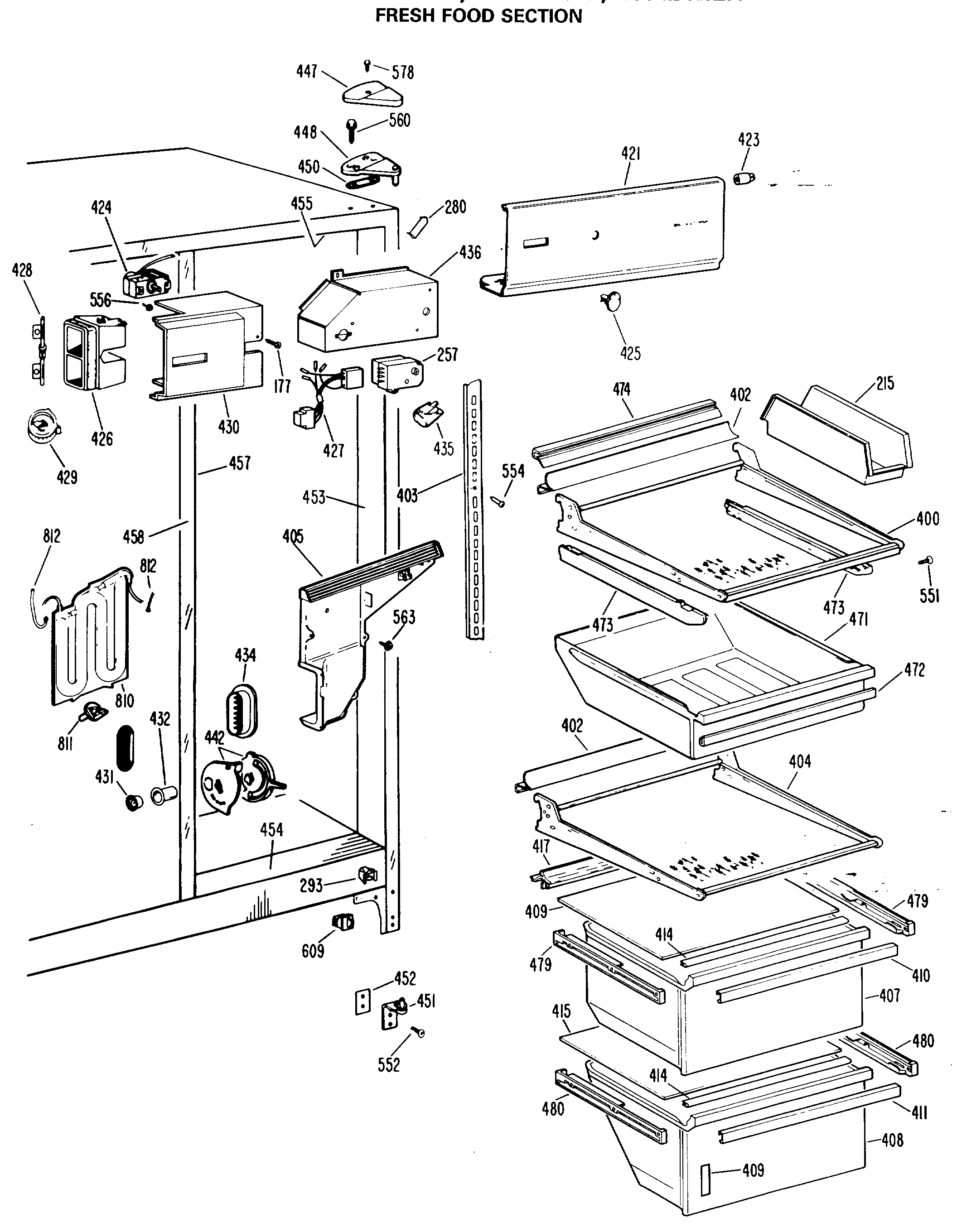
TFX24ELP FRESH FOOD SECTION