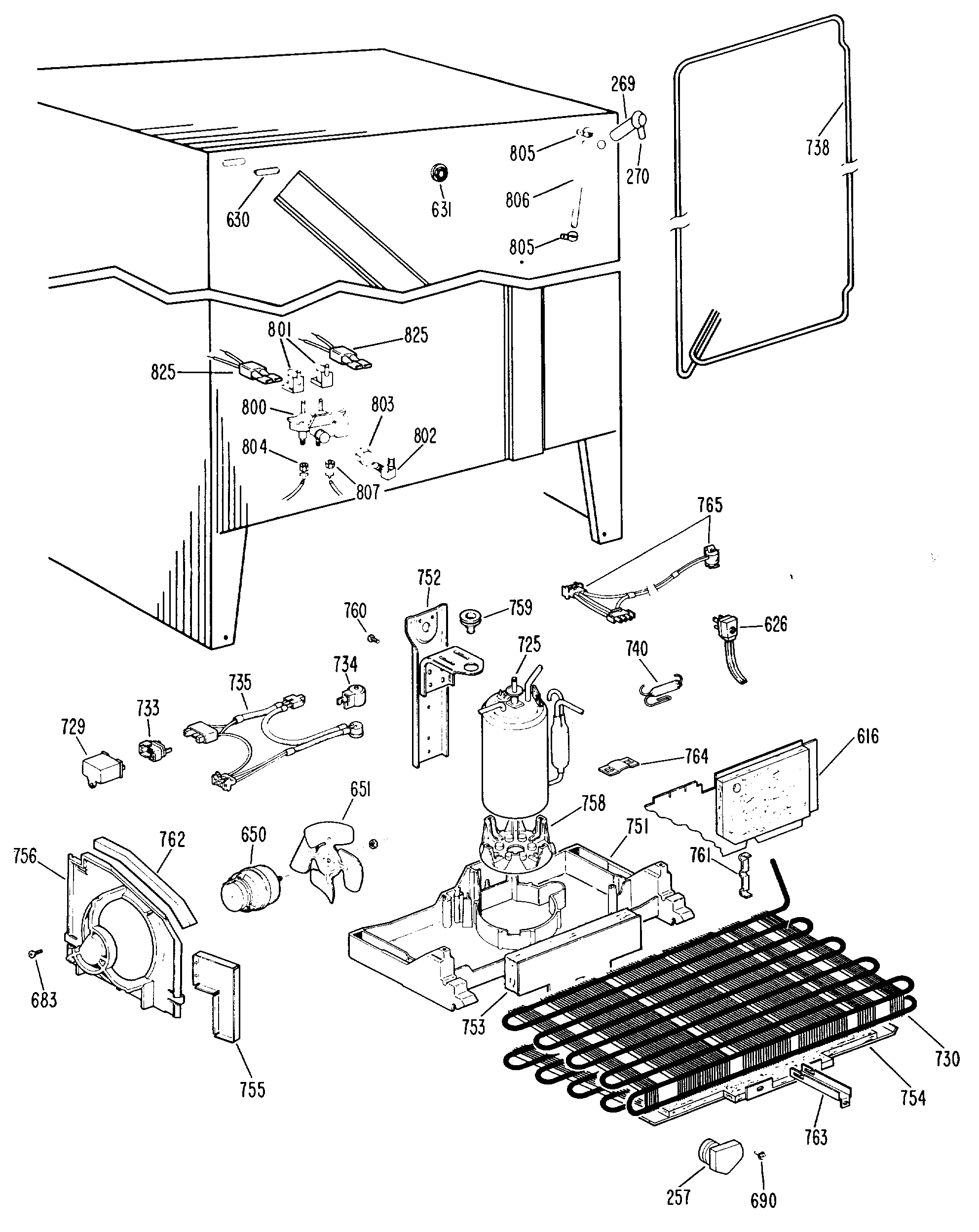
| 257 | SCR 6-32 D TR 3/8 SS |
| 257 | WR9X482 GE Refrigerator Defrost Timer 8 Hour 30 Minute |
| 257 | BRACKET DEF CONTROL |
| 269 | GEN WR01X1543 |
| 269 | GEN WR02X6087 |
| 270 | WR2X4754 GE Refrigerator Fill Clamp |
| 270 | WR2X8474 GE Fill Tube |
| 616 | GEN WR82X0269 |
| 626 | WR1X5278 GE Refrigerator Cable Clamp |
| 626 | WR23X10300 GE Refrigerator Power Cord Assembly |
| 630 | WR2X4097 GE Button Plug |
| 631 | GEN WR02X4829 |
| 631 | GEN WR02X4968 |
| 650 | WR60X187 GE Refrigerator Condenser Fan Motor |
| 651 | WASHER COND MTR |
| 651 | GEN WR60X0167 |
| 683 | SCREW FAN MTR/BRKT |
| 683 | GEN WR01X1720 |
| 690 | WZ5X158D GE Screw Package of 12 |
| 725 | REFRIGERANT 8.75 OZ. |
| 725 | HIGH SIDE ASM. |
| 729 | WR62X51 GE Refrigerator Capacitor |
| 730 | GEN WR84X0124 |
| 733 | GEN WR07X0185 |
| 734 | GEN WR02X7396 |
| 735 | GEN WR08X0089 |
| 738 | WR2X7064 GE Refrigerator Condenser Clip |
| 738 | GEN WR84X0046 |
| 740 | WR86X25269 GE Refrigerator R134 Dryer |
| 751 | GEN WR17X2088 |
| 752 | GEN WR17X2087 |
| 753 | GEN WR82X0265 |
| 754 | GEN WR82X0267 |
| 755 | GEN WR82X0268 |
| 758 | GEN WR17X2091 |
| 759 | GEN WR02X7394 |
| 760 | GEN WR01X1717 |
| 761 | GEN WR02X7395 |
| 762 | GEN WR02X7493 |
| 763 | GEN WR02X7492 |
| 764 | GEN WR02X7500 |
| 800 | WR57X10051 GE Refrigerator Water Valve Kit |
| 801 | COIL ASM-WATER(BLUE) |
| 801 | GEN WR62X0044 |
| 802 | ELBOW |
| 803 | WASHER-NUT |
| 803 | NUT-VALVE INLET |
| 804 | INSERT 5/16 |
| 804 | WR57X57 GE Refrigerator Nut |
| 807 | WR02X11330 GE Refrigerator 5/16 Union Water Line Connector |
| 825 | GEN WR23X0305 |
| 32767 | GEN WR02X4816 |
| 32767 | GEN WR02X7108 |