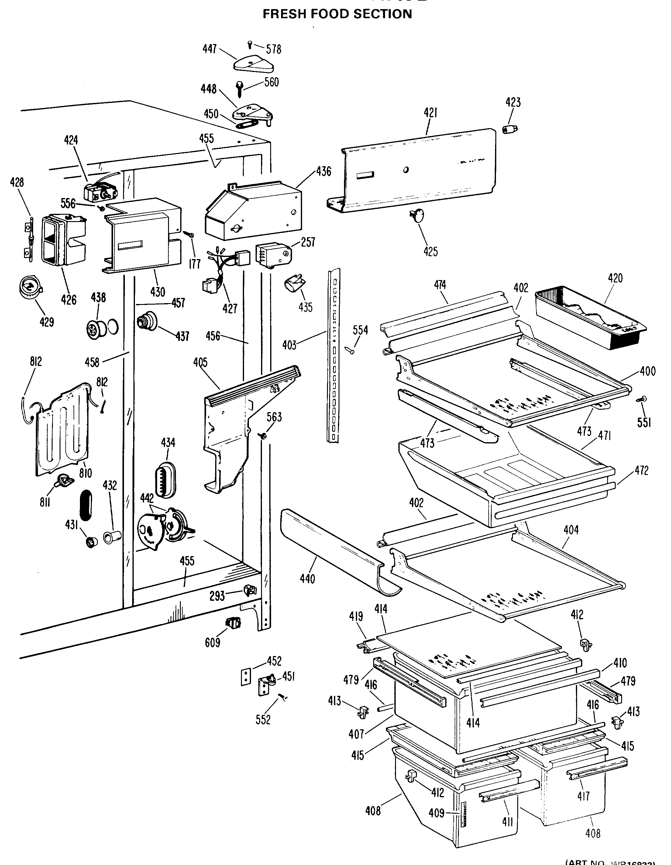
TFX24FKB FRESH FOOD SECTIONadmin2025-04-26T10:40:40+00:00TFX24FKB FRESH FOOD SECTION ProductsPositionProduct177SCREW257SCR 6-32 D TR 3/8 SS257WR9X502 GE Refrigerator Defrost Timer293GEN WR02X7080400GEN WR71X1651402GEN WR38X0959403GEN WR72X0062404GEN WR71X1650405GEN WR14X0264405GEN WR17X1523407GEN WR32X0903408GEN WR32X0901409GEN WR02X7214410GEN WR17X2072411GEN WR17X1558412GEN WR02X4941413GEN WR02X4942414GEN WR32X0893414GEN WR14X0339415GEN WR32X0676416GEN WR02X4790417GEN WR17X1557419GEN WR14X0341420GEN WR32X0856421GEN WR17X2101423GEN WR02X6347424GEN WR09X0359425GEN WR02X7157426GASKET FOAM426GEN WR02X3880426GEN WR02X4834427GEN WR23X0316428GEN WR02X4835429GEN WR02X4836430GEN WR17X2209430CLIP-CONTROL HOUSING431CAP MULLION DUCT432GEN WR02X3886434GEN WR02X7367435RANGE ONLY 40W 120V APPL BULB435WR2X9391 GE Socket and Terminal436GEN WR02X7736437GEN WR02X7307438GEN WR02X7306442GEN WR02X7035447GEN WR02X7570447GEN WR02X7569448GEN WR13X0577450GEN WR02X4194451WR13X10020 GE Refrigerator Door Hinge Assembly with Cam452NUTSTRIP HINGE452GEN WR02X7011455BREAKER STRIP-TOP & BTM.456BREAKER STRIP-HINGE SIDE456RETAINER BREAKER457GEN WR40X1611458GEN WR02X7031458GEN WR40X1576458GEN WR02X7033458GEN WR02X4739471GEN WR32X0902472GEN WR38X0954473GEN WR17X1516473GEN WR17X1515474GEN WR14X0282479GEN WR17X2100479WR72X0214551GEN WZ04X0244552SCR 12-24 TT HXW 1 3/64S554GEN WR01X1483556SCR 8-32 MA TR 1/4 SS560GEN WR01X1249563WZ4X241D GE Screw Package578WZ2X464D GE Screw609WR23X37285 GE Light Switch810WATER TANK DISPENSER ASM811GEN WR02X4469812WR17X1483 GE Refrigerator Tube Replacement Pack