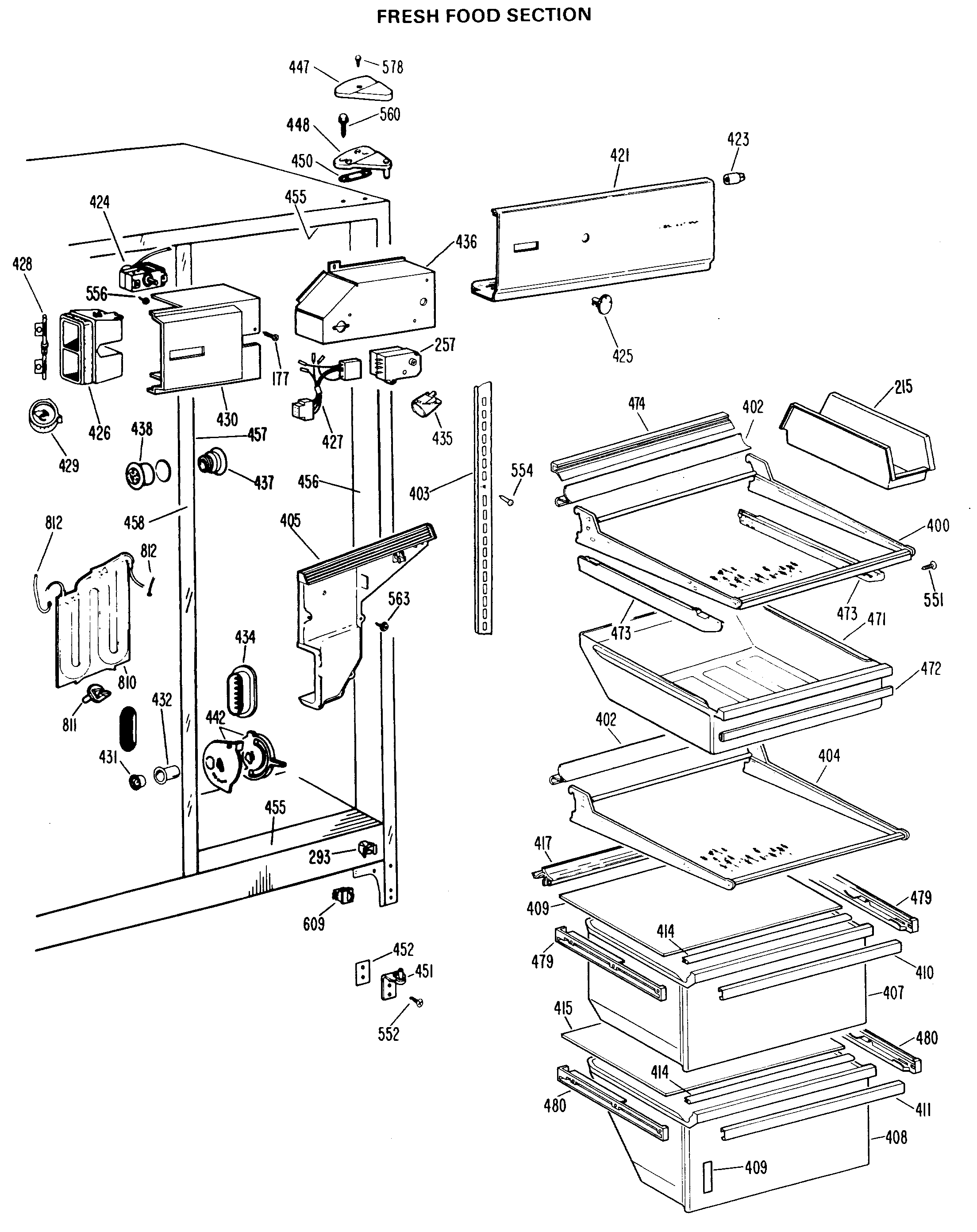
TFX24FLC FRESH FOOD SECTION